GM Service Manual Online
For 1990-2009 cars only
Figure 1:

Driver Seat (w/o Memory)


Object Number: 397558  Size: MF
(1)Seat Belt Exit Housing
(2)Lumbar
(3)Seat Belt Retractor
(4)Recliner Handle
(5)Floor Mounting Bracket
(6)Power Seat Adjuster (6-Way)
(7)Lumbar Handle (Manual)
(8)Inflatable Restraint Sensing and Diagnostic Module
(9)Seat Cushion
(10)Armrest
(11)Seat Back
Figure 2:

Driver Door Panel Components (w/Heated Seats)


Object Number: 350036  Size: MF
(1)Heated Seat Switch-Driver
(2)Heated Seat Switch Electrical Connector
(3)Left Door Panel
(4)Speaker-LF Door Tweeter
Figure 3:

Front Seat Wiring (w/Heat)


Object Number: 656608  Size: MF
(1)C305
(2)C399
(3)Power Seat Wiring Harness to Heated Seat Switch
(4)C301
Figure 4:

Driver Door Panel (w/Heated Seats)


Object Number: 776923  Size: MF
(1)Driver Door Trim Panel
(2)Heated Seat Switch - Driver
Figure 5:

Center Console (Utility w/Rear Heated Seats)


Object Number: 776924  Size: MF
(1)Front Floor Console
(2)Heated Seat Switch - RR
(3)Heated Seat Switch - LR
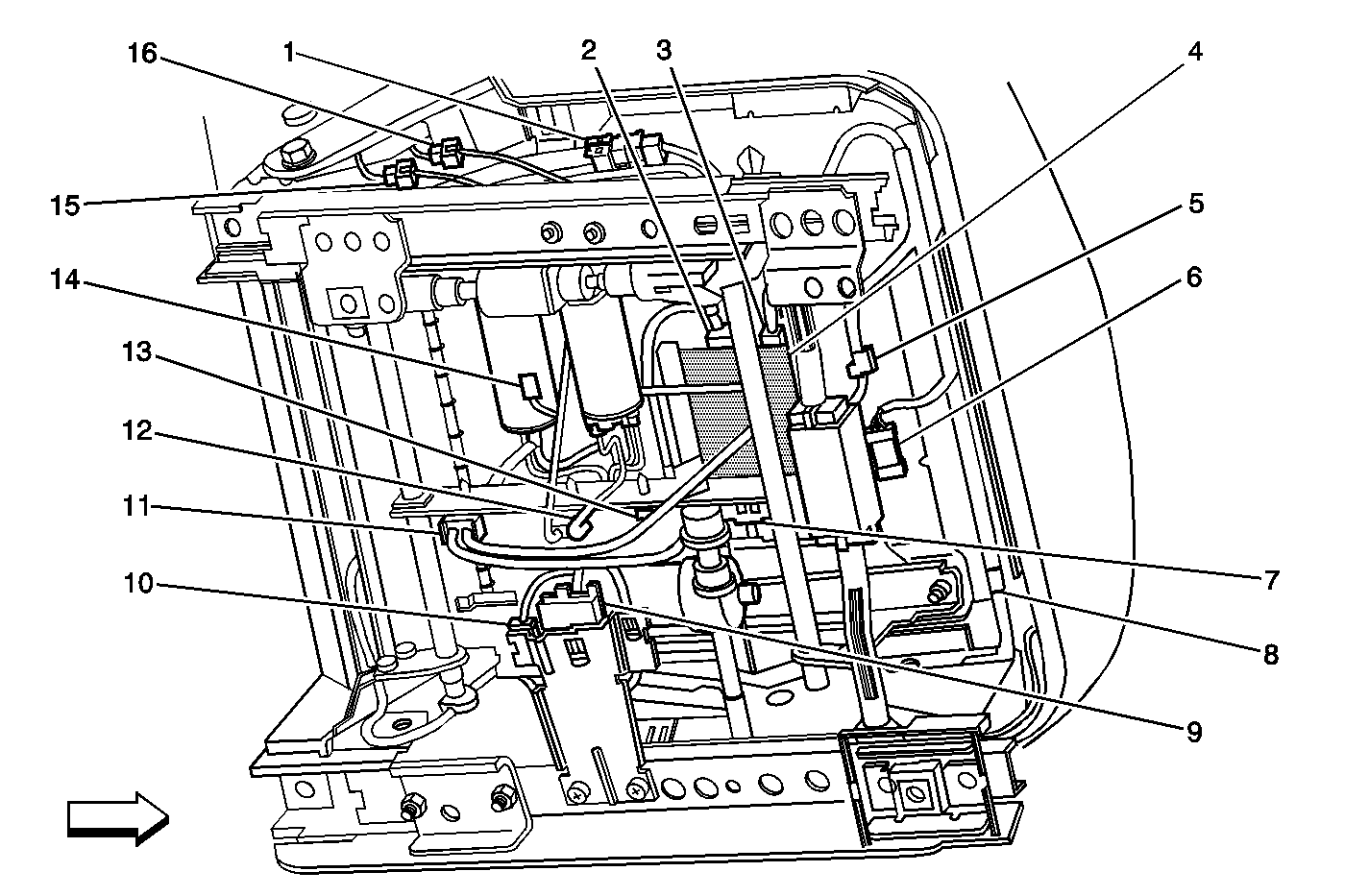
Figure 6:

Driver Seat Inlines, Heated Seat Relay, Memory Module and Thermistor--Luxury Full Feature Seat


Object Number: 784811  Size: MF
(1) C324
(2)Memory Seat Module - Driver C2
(3)Memory Seat Module - Driver C1
(4)Memory Seat Module - Driver
(5)C321
(6)C320
(7)Memory Seat Module - Driver C3
(8)PTC Thermistor
(9)C305
(10)Inflatible Restraint Side Impact Sensor (SIS) - Left Connector
(11)C323
(12)C325
(13)C322
(14)Heated Seat Relay and Logic
(15)Seat Belt Switch Connector
(16)Heated Seat Element Connector - Driver Back
Figure 7:

Horizontal Motor Front/Rear, Vertical Motor and Recliner Motor--Luxury Full Feature Seat - Driver


Object Number: 783182  Size: MF
(1)Seat Horizontal Motor
(2)Seat Recliner Motor
(3)Seat Rear Vertical Motor
(4)Seat Front Vertical Motor
Figure 8:

Rear Heated Seat Harness


Object Number: 788986  Size: MF
(1)Heated Seat Element Connector
(2)Heated Seat Module and Conector
(3)Seat Cushion
(4)Heated Seat Harness Connector
(5)PTC Thermistor