GM Service Manual Online
For 1990-2009 cars only

Instrument Panel Extension Replacement Luxury

Removal Procedure

  1. Remove the console bezel. Refer to Floor Console Bezel Replacement .
  2. Remove the driver information center (DIC). Refer to Driver Information Center Replacement .
  3. Remove the CD player. Refer to Remote Compact Disc Player Replacement .
  4. Remove the console bin. Refer to Front Floor Console Compartment Replacement .
  5. Remove the amplifier, if equipped. Refer to Radio Speaker Amplifier Replacement in Entertainment.
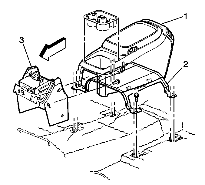
  6. Remove the bolts retaining the console to the mounting bracket.

  7. Object Number: 752607  Size: SH
  8. Remove the 2 bolts (1) retaining the console to the extension.
  9. Carefully lift the front of the console up and then rearwards.
  10. Disconnect any wire connections that prevents further rearward movement.
  11. Move the console rearwards in order to make room for the IP extension to be removed.
  12. Disconnect the wire connector to the extension.

  13. Object Number: 752605  Size: SH
  14. Remove the 4 screws (1) that retains the extension to the IP.
  15. Ensure all wires are disconnected from the extension.
  16. Remove the extension from the vehicle.
  17. Remove the speakers from the extension, if equipped.
  18. Remove the DIC and power outlet bracket from the extension.

Installation Procedure

    Notice: Refer to Fastener Notice in the Preface section.


    Object Number: 752605  Size: SH
  1. Install the DIC and power outlet bracket to IP extension.
  2. Tighten
    Tighten the bracket screws to 1.6 N·m (14 lb in).

  3. Install the speaker. Refer to Radio Front Floor Console Speaker Replacement .
  4. Install the extension to the IP.
  5. Install the 4 retaining screws.
  6. Tighten
    Tighten the screws to 1.6 N·m (14 lb in).

  7. Connect the wire connector and attach to the extension.
  8. Important: Verify that the wire or connector is NOT outside the console.

  9. Carefully move the console forward to attach to the extension.
  10. Install the console to the extension by slightly lifting up over the extension hooks and then downwards.

  11. Object Number: 752607  Size: SH
  12. Install the 2 retaining screws.
  13. Tighten
    Tighten the screws to 1.6 N·m (14 lb in).

  14. Connect the wire connectors and attach to the console to prevent rattling during vehicle movement.
  15. Install the bolts retaining the console to the mounting bracket.
  16. Tighten
    Tighten the bolts to 3.5 N·m (31 lb in).

  17. Install the amplifier, if equipped. Refer to Radio Speaker Amplifier Replacement in Entertainment.
  18. Install the console bin. Refer to Front Floor Console Compartment Replacement .
  19. Install the CD player. Refer to Remote Compact Disc Player Replacement .
  20. Install the DIC. Refer to Driver Information Center Replacement .
  21. Install the console bezel. Refer to Floor Console Bezel Replacement .

Instrument Panel Extension Replacement Non-Luxury

Removal Procedure

  1. Open the console door.

  2. Object Number: 409472  Size: SH
  3. Remove the 4 bolts attaching the center console to the console bracket.

  4. Object Number: 409470  Size: SH
  5. Remove the cupholder from the console by using a flat bladed tool to pry the cupholder out.

  6. Object Number: 348695  Size: SH
  7. Remove the 2 screws retaining the center console (1) to the console extension (3).
  8. Remove the center console from the bracket.

  9. Object Number: 387749  Size: SH

    Important: Do not grab or pull on the CD storage door when removing the trim bezel

  10. Remove the screws securing the trim bezel to the console extension.
  11. Use a small prying device to gently push in the tabs underneath the trim bezel securing the top of the trim bezel.
  12. Remove the trim bezel.
  13. Remove the console extension upper compartment insert.
  14. Remove the remote CD player, if equipped. Refer to Remote Compact Disc Player Replacement in Entertainment.

  15. Object Number: 348697  Size: SH
  16. Remove the bolts attaching the console extension to the instrument panel (IP).
  17. Slide the extension rearward and unclip the extension from the upper fasteners.

Installation Procedure

  1. Slide the extension forward and onto the upper fasteners.
  2. Notice: Refer to Fastener Notice in the Preface section.


    Object Number: 348697  Size: SH
  3. Install the bolts attaching the console extension to the IP.
  4. Tighten
    Tighten the bolts to 2 N·m (18 lb in).

  5. Install the console extension upper compartment insert.
  6. Install the remote CD player, if equipped. Refer to Remote Compact Disc Player Replacement in Entertainment.
  7. Install the trim bezel.
  8. Tighten
    Tighten the screws to 2 N·m (18 lb in).


    Object Number: 348695  Size: SH
  9. Position the center console on the bracket (2).
  10. Install the screws attaching the center console to the console extension.
  11. Tighten
    Tighten the screws to 2 N·m (18 lb in).


    Object Number: 409470  Size: SH
  12. Install the cupholder by push until the unit locks into place.

  13. Object Number: 409472  Size: SH
  14. Install the 4 retaining bolts to the bracket.
  15. Tighten
    Tighten the bolts to 3.5 N·m (31 lb in).

  16. Close the console door.