GM Service Manual Online
For 1990-2009 cars only
Figure 1:

Lower LF of the Radiator Support Components


Object Number: 310809  Size: MF
(1)LH Lower Radiator Support
(2)Forward Lamp Harness
(3)Negative Battery Cable (G100)
(4)Frame
(5)Ground 100 (G100)
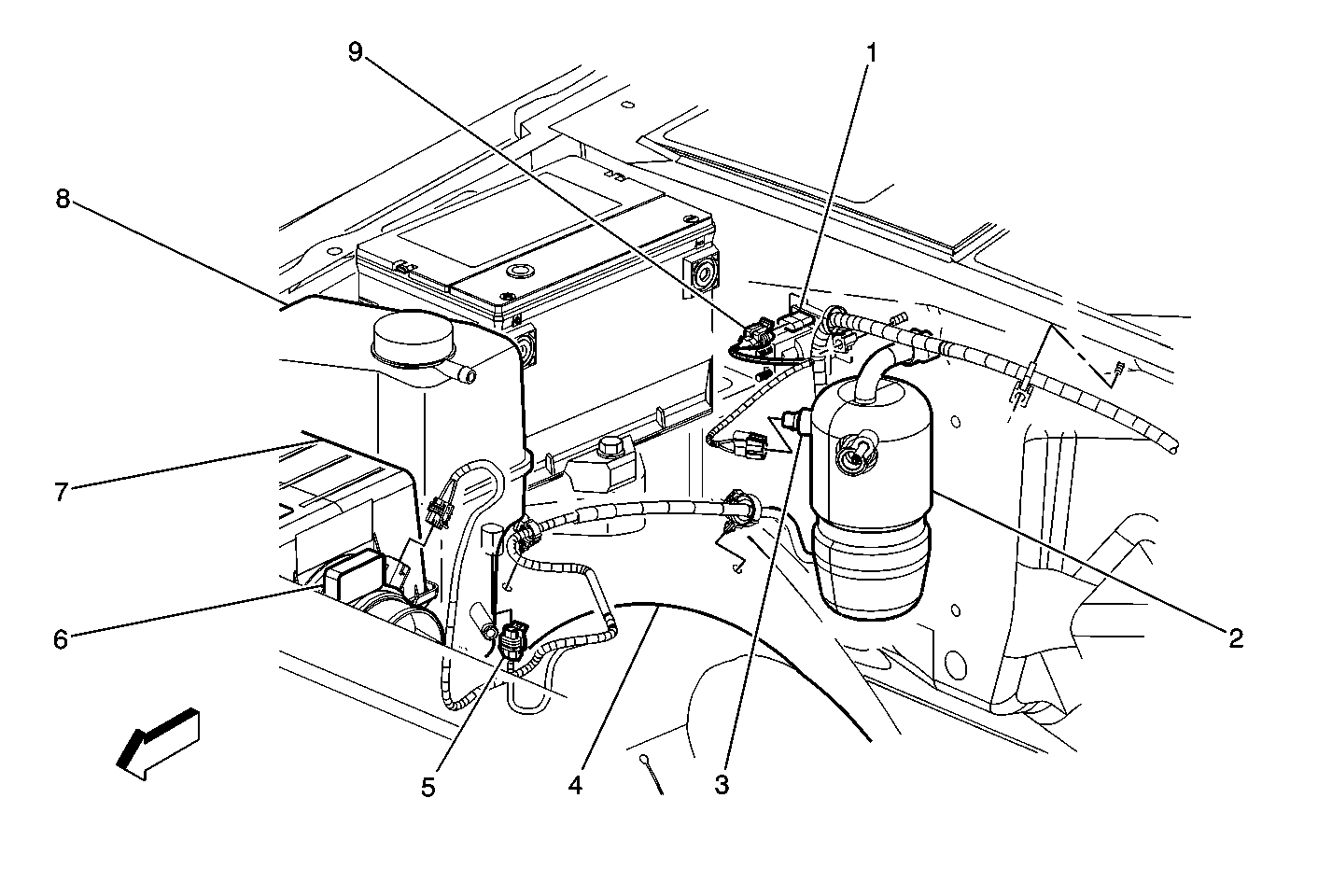
Figure 2:

Auxiliary Battery Relay


Object Number: 349894  Size: MF
(1)Auxiliary Battery Relay
(2)A/C Accumulator
(3)A/C Low Pressure Switch
(4)Inner Wheel Well
(5)Engine Coolant Level Switch Connector
(6)Mass Air Flow (MAF) Sensor
(7)Air Cleaner Assembly
(8)Engine Coolant Recovery Reservoir
(9)Auxiliary Battery Relay Electrical Connector
Figure 3:

Fuse Block-Underhood


Object Number: 310806  Size: MF
(1)Fuse Block-Underhood Bracket
(2)I/P Harness
(3)Radiator Support
(4)Inline Connector C103 or C104-I/P Harness Side
(5)Inline Connector C103 or C104-Forward Lamp Harness Side
(6)LH Battery Tray
(7)Fuse Block-Underhood Bracket
(8)Fuse Block-Underhood Bracket
Figure 4:

Fuse Block-Underhood Connectors


Object Number: 310798  Size: MF
(1)Fuse Block-Underhood
(2)C4 (GRN)
(3)C3 (RED)
(4)Fuse Block-Underhood Bracket
(5)LH Inner Fender (Shield)
(6)LH Inner Fender
(7)C1 (LT GRY)
(8)C2 (BLK)
Figure 5:

Fuse Block-Underhood-C1 (LT GRY) and C6 (BRN)


Object Number: 404504  Size: MF
(1)Fuse Block-Underhood
(2)C7 (BLK) Cavity
(3)Fuse Block-Underhood Bracket
(4)C6 (BRN)
(5)I/P Harness
(6)C1 (LT GRY)
Figure 6:

Fuse Block-Underhood-C2 (BLK) and C5 (BLK)


Object Number: 404501  Size: MF
(1)C2 (BLK)
(2)Fuse Block-Underhood
(3)Fuse Block-Underhood Bracket
(4)C5 (BLK)
(5)Engine Harness
Figure 7:

Fuse Block-Underhood-C3 (RED) and C8 (LT GRY)


Object Number: 404499  Size: MF
(1)C3 (RED)
(2)Fuse Block-Underhood
(3)C8 (LT GRY)
(4)Fuse Block-Underhood Bracket
(5)Chassis Harness
Figure 8:

Fuse Block-Underhood-C4 and Inlines


Object Number: 404508  Size: MF
(1)C4 (GRN)
(2)I/P Inline Connectors
(3)Fuse Block-Underhood Bracket
(4)Connector Tether
(5)I/P Harness Inline Connector
(6)C103 (I/P Side)
(7)C103 (FWD Lamp Side)
(8)Forward Lamp Inline Connector
(9)Fuse Block-Underhood
Figure 9:

Lower LR of the Engine Components (4.8L/5.3L/6.0L)


Object Number: 310261  Size: LF
(1)Ground 103 (G103)
(1)Ground 103 (G103)
(2)Engine Harness- H02S
(3)HO2 Sensor connector- Bank 1, Sensor 1
(4)Fuel Line Bracket
(5)Ground 104 (G104)
(5)Ground 104 (G104)
(6)Oil Pressure Sensor Connector
(6)Oil Pressure Sensor
(7)Engine Ground Strap (G107)
(8)TP 1 Battery Cable (G106)
Figure 10:

Lower Left Side of the Engine Components (4.8L/5.3L/6.0L)


Object Number: 403980  Size: MF
(1)Engine Harness
(2)Battery Cable Junction Block Bracket
(3)LH Rocker Cover
(4)Ground 105 (G105)
(5)Negative Battery Cable
(6)Engine Coolant Temperature (ECT) Sensor Connector
Figure 11:

Lower LR of the Engine Components (4.8L/5.3L/6.0L)


Object Number: 310261  Size: LF
(1)Ground 103 (G103)
(1)Ground 103 (G103)
(2)Engine Harness- H02S
(3)HO2 Sensor connector- Bank 1, Sensor 1
(4)Fuel Line Bracket
(5)Ground 104 (G104)
(5)Ground 104 (G104)
(6)Oil Pressure Sensor Connector
(6)Oil Pressure Sensor
(7)Engine Ground Strap (G107)
(8)TP 1 Battery Cable (G106)
Figure 12:

G105 - 8.1L


Object Number: 656528  Size: MF
(1)Engine - 8.1L
(2)Knock Sensor (KS) - 2
(3)Knock Sensor (KS) - 2 Connector
(4)Engine Harness
(5)G105 - Engine Harness Ground
Figure 13:

G104-8.1L


Object Number: 814474  Size: MF
(1)Engine-8.1L
(2)EGR Valve
(3)Engine Oil Pressure (EOP) Sensor
(4)Engine Ground Strap
(5)G104-Engine Harness Ground
Figure 14:

LR of the Engine Comparment -- Bulkhead Components


Object Number: 310036  Size: MF
(1)Windshield Wiper Motor Module Electrical Connector
(2)Cruise Control Module (CCM) Electrical Connector
(3)Plenum Panel
(4)Cruise Control Module (CCM)
(5)Pass-Through 100 (P100)
(6)Dash Panel
(7)Cap For Connector (Without Cruise Control)
(8)Cruise Control Module (CCM) Electrical Connector
(9)Harness Pass-Through
(10)Windshield Wiper Motor Module
Figure 15:

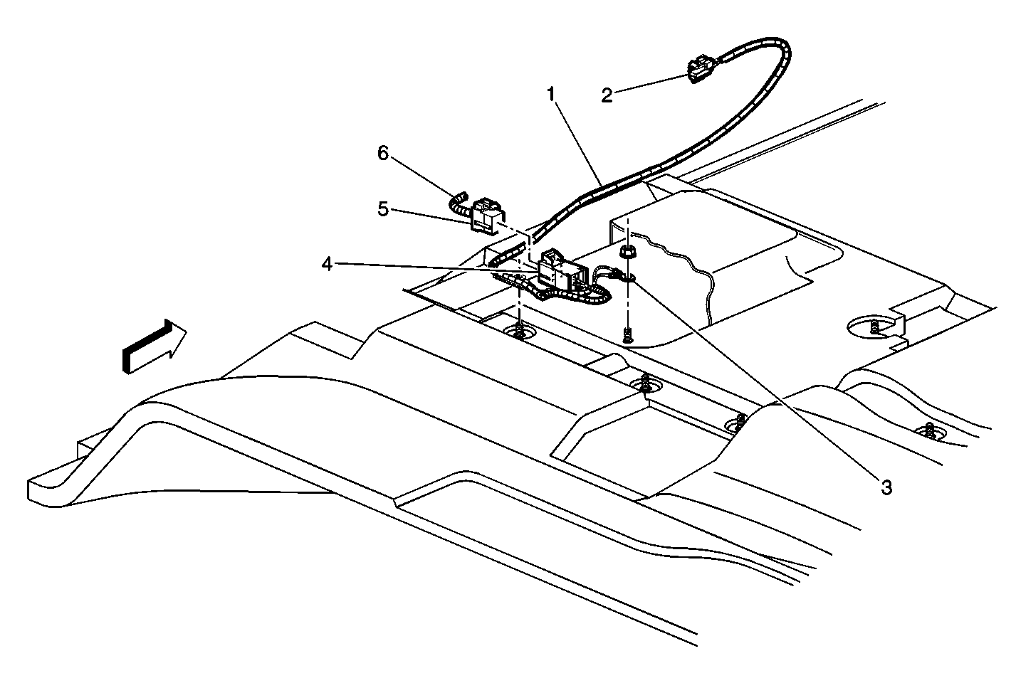
Transfer Case Harness Routing (1500 Series)


Object Number: 310214  Size: LF
(1)Vent Tube
(2)Vent Tube Connection
(3)Front Axle Actuator
(4)Front Axle Actuator Connector
(5)Front Drive Axle Assembly (Mount)
(6)Ground 110 (G110)
(7)Left Inner Fender
Figure 16:

Transfer Case Harness Routing (2500 Series)


Object Number: 310212  Size: LF
(1)Ground 110 (G110)
(2)Vent Tube
(3)Vent Tube Connection
(4)Front Axle Actuator
(5)Front Axle Actuator Connector
(6)Left Inner Fender
Figure 17:

Instrument Panel Harness Routing View


Object Number: 574009  Size: LF
(1)Instrument Panel
(2)Instrument Panel Cluster Connector
(3)Sunload Sensor
(4)Radio Connectors
(5)Daytime Running Lamps (DRL) Sensor
(6)Air Temperature Sensor - Upper
(7)Passenger Inflatable Restraint Module Connector
(8)Inflatable Restraint Module Switch Connector
(9)Inline Connector C206 -HVAC Auto A/C
(10)Inline Connector C207 (RTD)
(11)Speaker Connector
(12)Compartment Lamp Connector
(13)Fuse Block-Right I/P
(14)Inline Connector to RH Door Harness
(15)Inline Connector to RH Body Harness (06 only)
(16)Ashtray Lamp Connector
(17)HVAC Control Module Connectors
(18)Cigarette Lighter Connector
(19)Power Accessary Connectors
(20)Inline Connector C352 (LH Body Harness Side)
(21)Console Connector (Y91 only)
(22)Steering Column Connector
(23)Inline Connector C307 (Console Extension Harness Side)
(24)Body Control Module Connectors
(25)Cargo/Fog Switch Connector
(26)Headlamp Switch Connector
(27)Steering Column (SIR) Connector
(28)Fuse Block-Left I/P
(29)Data Link Communication Connector
(30)Inflatable Restraint Sensing And Diagnostic Module (SDM) Connector
(31)Inline Connector C204
(32)Inline Connector C200 -LH Door Harness
(33) Courtesy Lamp - Left
(34)Relay Block-Body
(35)Splice Pack 203 (SP203)
(36)Inline Connectors to Automatic Transfer Case -C151and C153
(37)Inline Connector C102 -I/P to Chassis Harness
(38)Inline Connector C103 -I/P to Forward Lamp Harness
(39)Fuse Block-Underhood
(40)Instrument Panel Battery Feed Connectors
(41)Trailer Power Feed Connector
(42)Cruise Control/Throttle Actuator Connector
(43)Underhood Lamp Connector
(44) Speaker - Left Connector
(45)Inline Connector C204 -I/P to LH Body Harness
(46)Underhood Lamp Ground
(47)I/P Harness to Plenum Ground
(48)Windshield Wiper System Module Connector
Figure 18:

RH Upper Instrument Panel


Object Number: 403970  Size: MF
(1)Instrument Panel
(2)Ground 200 (G200)
(3)Ground Stud
Figure 19:

Lower Center of the I/P Components


Object Number: 310152  Size: MF
(1)Ashtray Lamp Socket
(2)Bulb
(3)Ashtray Lamp Shield
(4)Instrument Panel
(5)Accessory Power Outlet
(6)Cigar Lighter Assembly
Figure 20:

Fuse Block- Right I/P


Object Number: 310167  Size: LF
(1)Fuse Block-Right I/P
(2)Instrument Panel
Figure 21:

HVAC Module Assembly (Connections)


Object Number: 310004  Size: MF
(1)Recirculation Actuator Connector
(2)Instrument Panel
(3)Electrical Harness Connector
(4)Ground 200 (G200)
(5)Blower Motor Resistor Assembly
(6)Blower Motor Resistor Connector
(7)Harness Inline Connector (C296)
(8)Air Temperature Actuator Connector
(9)Air Temperature Actuator
(10)Mode Actuator
Figure 22:

Upper Left of the I/P Components


Object Number: 310066  Size: MF
(1)Splice Pack 203 (SP203)
(2)Ground 203 (G203)
(3)Dash
(4) A-Pillar
Figure 23:

Left Hand Lower Dash


Object Number: 310145  Size: MF
(1)Fuse Block Connector
(2)Body Control Module (BCM) Connector
(3)Splice Pack 205 (SP205)
(4)Fuse Block
(5)Data Link Connector (DLC)
(6)LH IP Courtesy Lamp
(7)LH IP Courtesy Lamp Socket
(8)LH IP Support to Dash
(9)Left Windshield Pillar Trim Panel
Figure 24:

Left Side Frame Rail -- Grounds


Object Number: 574025  Size: MF
(1)Frame
(2)Electronic Brake Control Module (EBCM) Ground (GNO)
(3)Manual Selectable Ride Ground (G302)
(4)Automatic Transfer Case/ABS Ground (G110)
Figure 25:

Driver Side B-Pillar Wiring


Object Number: 623131  Size: MF
(1)LH B-Pillar
(2)G305
(3)LH Body Harness
Figure 26:

Left Side Frame Rail -- Brake Components


Object Number: 309937  Size: MF
(1)Ground 302 (G302)
(2)LH Body Mount
(3)Ground Screw
(4)Electronic Brake Control Module (EBCM)
(5)Fuel Tank
Figure 27:

RH B-Pillar


Object Number: 573989  Size: LF
(1)Instrument Panel
(2)C4 (and C3)
(3)Junction Block-I/P
(4)RT-B-Pillar
(5)Ground 306 (G306)
(6)RH Body Harness
(7)I/P Harness Inline Connector C208
Figure 28:

Below Driver Seat Components (Driver Power Only)


Object Number: 309996  Size: MF
(1)Driver Power Seat Harness
(2)Driver Power Seat Connector
(3)Driver Power Seat Ground 304 (G304)
(4)Driver Power Seat Inline Connector
(5)Harness to IP Electrical Connector
(6)Harness to IP
Figure 29:

Emergency Light Relay and G305-Utility/Crewcab


Object Number: 814896  Size: LF
(1)Emergency Roof Lamp Harness
(2)Roof Beacon Relay
(3)G305
(4)B Pillar-LH Side
Figure 30:

Below Front Seats Components (Both w/Power)


Object Number: 309991  Size: MF
(1)Driver Power Seat Electrical Connector
(2)Passenger Power Seat Wiring Harness
(3)Passenger Power Seat Electrical Connector
(4)Inline Wiring Connector (IP)
(5)Power Seat Wiring Harness Connector
(6)Ground 304 (G304)
Figure 31:

Fuel Tank and Sensor (Typical)


Object Number: 309947  Size: MF
(1)Fuel Sender
(2)Ground 403 (G403)
(3)Fuel Filler Ground 302 (G-403)
(4)LH Frame
(5)Fuel Sender (Typical)
Figure 32:

RR Side of the Passenger Compartment Components (Suburban/Yukon XL w/Auxiliary HVAC -- 2 of 2)


Object Number: 573929  Size: LF
(1)Inner Body Side Panel
(2)Splice Pack 410 (SP410)
(3)Splice Pack 410A (SP410A)
(4)Blower Motor-Auxiliary
(5)HVAC Module-Rear Auxiliary
(6)Air Temperature Sensor-Lower Auxiliary
(7)Mode Actuator Connector
(8)Inline Connector 350 (Auxiliary HVAC Harness Side)
(9)Inline Connector 350 (Headliner Harness Side)
(10)Inline Connector 397 (Auxiliary HVAC Harness Side)
(11)Inline Connector 397 (RH Body Harness Side)
Figure 33:

Trailer Receptacle


Object Number: 349942  Size: MF
(1)Platform Assembly Trailer Weight Distribution Hitch
(1)Platform Assembly Trailer Weight Distribution Hitch
(2)Trailer Wiring Receptacle
(3)Trailer Wiring Receptacle Bracket
(3)Trailer Wiring Receptacle Bracket
Figure 34:

Trailer Wiring Harness


Object Number: 349960  Size: MF
(1)Trailer Wiring Connector
(2)Trailer Wiring Receptacle
(3)Frame
(4)Trailer Hitch Receiver
Figure 35:

Rear Frame -- Rear Lamp Components


Object Number: 309877  Size: MF
(1)Rear Lamp Bussing Block Bracket
(2)Rear Lamp Bussing Block
(3)Rear Cross Sill
(4)Rear Lamps Bussing Block Electrical Connector
Figure 36:

LR Frame -- Camper Provision


Object Number: 309959  Size: MF
(1)Camper Wiring Harness
(2)Frame
(3)Camper Wiring Harness Connector