GM Service Manual Online
For 1990-2009 cars only
Makes
🢒
Cadillac
🢒
2002
🢒
Escalade EXT
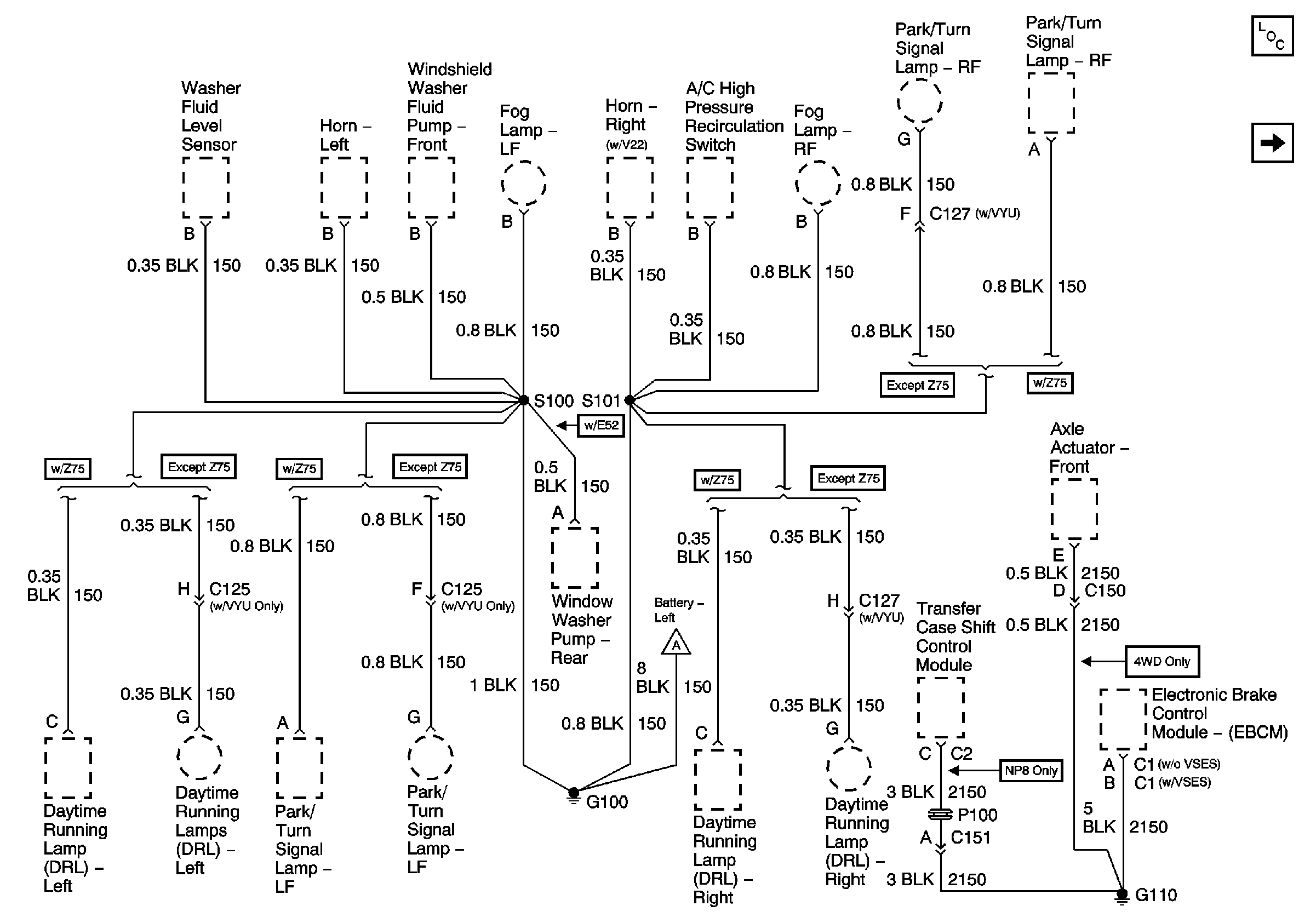
🢒 G100 and G110
G100 and G110
G100 and G110
Master Electrical Component List
G103, G105, and G106
G103, G105, and G106