GM Service Manual Online
For 1990-2009 cars only
Makes
🢒
Cadillac
🢒
2002
🢒
Escalade EXT
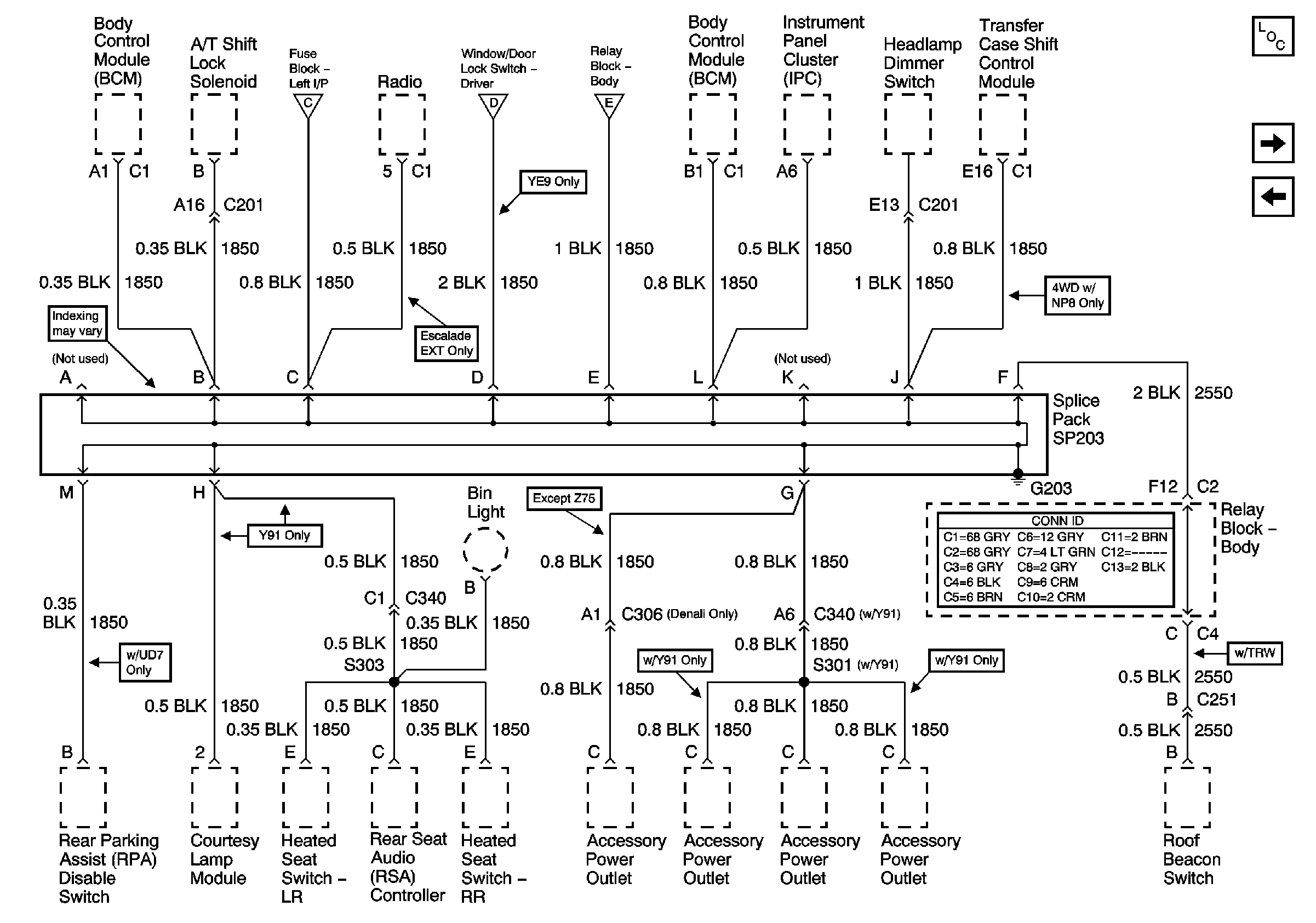
🢒 G203 - 1 of 4
G203 - 1 of 4
G203 - 1 of 4
Master Electrical Component List
G203 - 2 of 4
G200 - 2 of 2
G203 - 2 of 4
G203 - 2 of 4
G203 - 3 of 4