GM Service Manual Online
For 1990-2009 cars only
Makes
🢒
Cadillac
🢒
2002
🢒
Escalade EXT
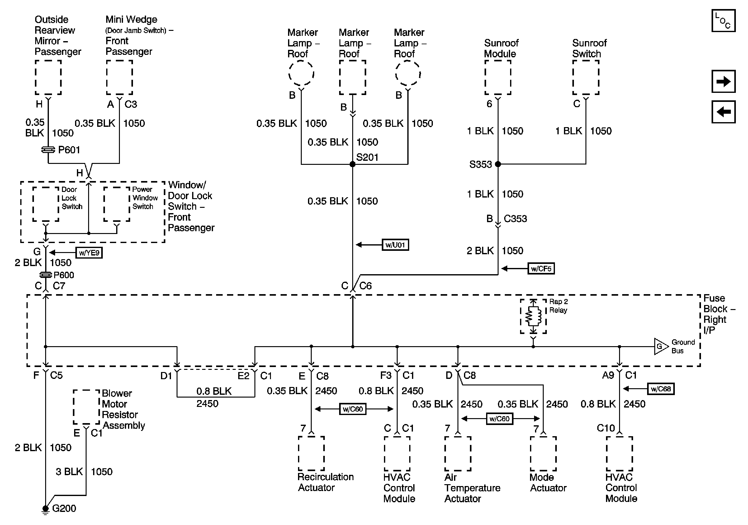
🢒 G200 - 1 of 2
G200 - 1 of 2
G200 - 1 of 2
Master Electrical Component List
G200 - 2 of 2
G104
G200 - 2 of 2