GM Service Manual Online
For 1990-2009 cars only
Makes
🢒
Cadillac
🢒
2002
🢒
Escalade EXT
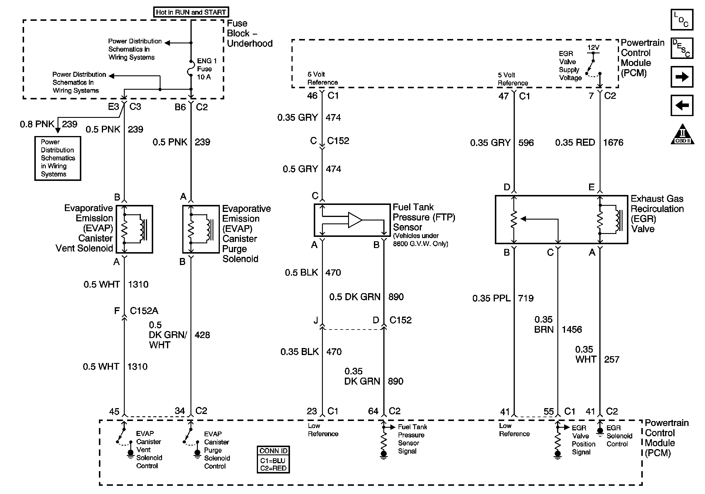
🢒 Fuel Controls - EVAP Controls and EGR
Fuel Controls - EVAP Controls and EGR
Fuel Controls - EVAP Controls and EGR
Master Electrical Component List
Powertrain Control Module Description
Controlled/Monitored Subsystem References
Fuel Controls - Fuel Injectors
OBD II Symbol Description Notice
O2 B, O2 A, ENG 1, and IGN E Fuses
O2 B, O2 A, ENG 1, and IGN E Fuses
O2 B, O2 A, ENG 1, and IGN E Fuses