GM Service Manual Online
For 1990-2009 cars only
Makes
🢒
Cadillac
🢒
2002
🢒
Escalade EXT
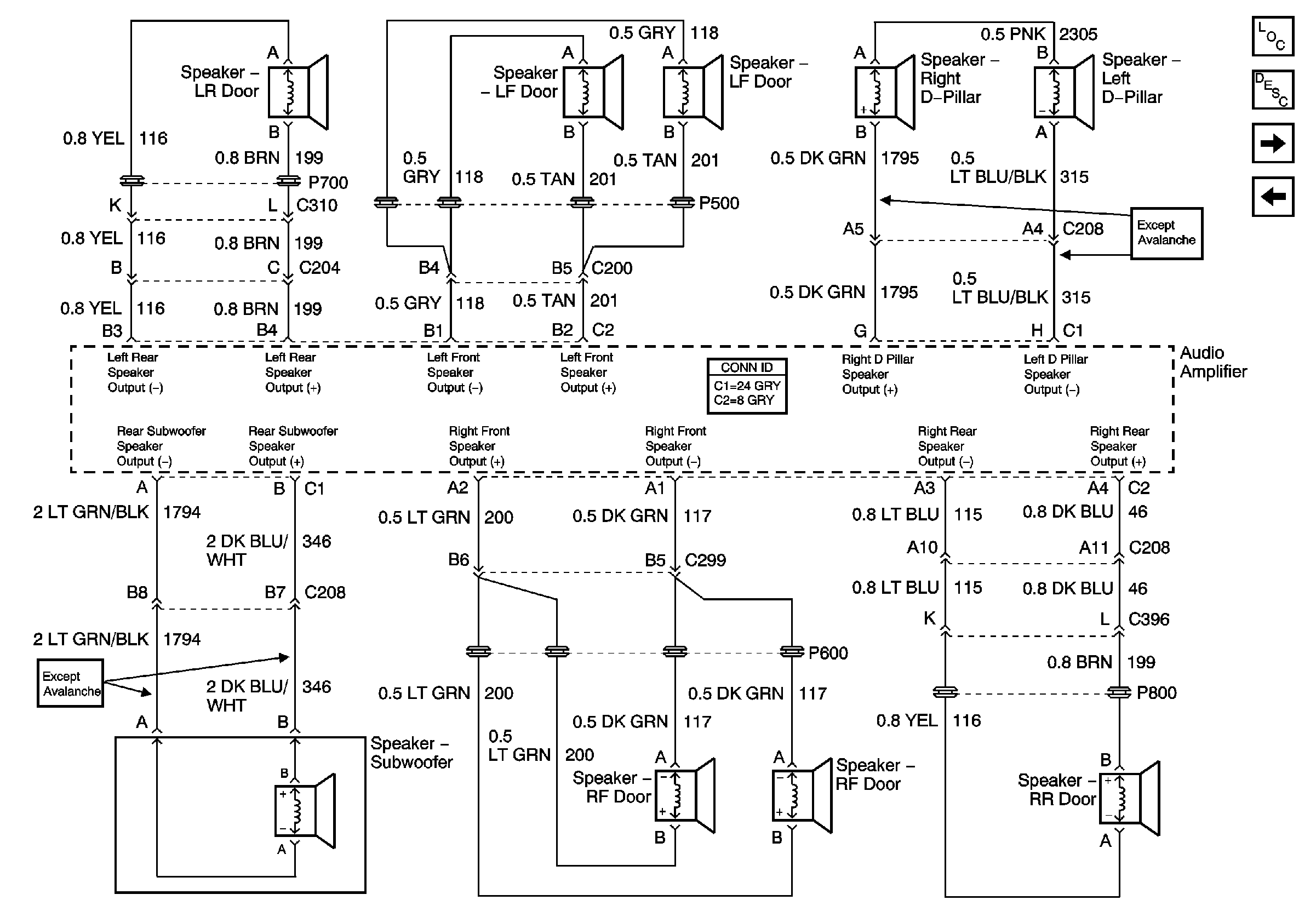
🢒 Speakers - YE9
Speakers - YE9
Speakers - YE9
Master Electrical Component List
Radio/Audio System Description and Operation
Power and Control Signals - Y91
Remote Playback Device - CD Player - YE9