GM Service Manual Online
For 1990-2009 cars only
Makes
🢒
Cadillac
🢒
2002
🢒
Escalade EXT
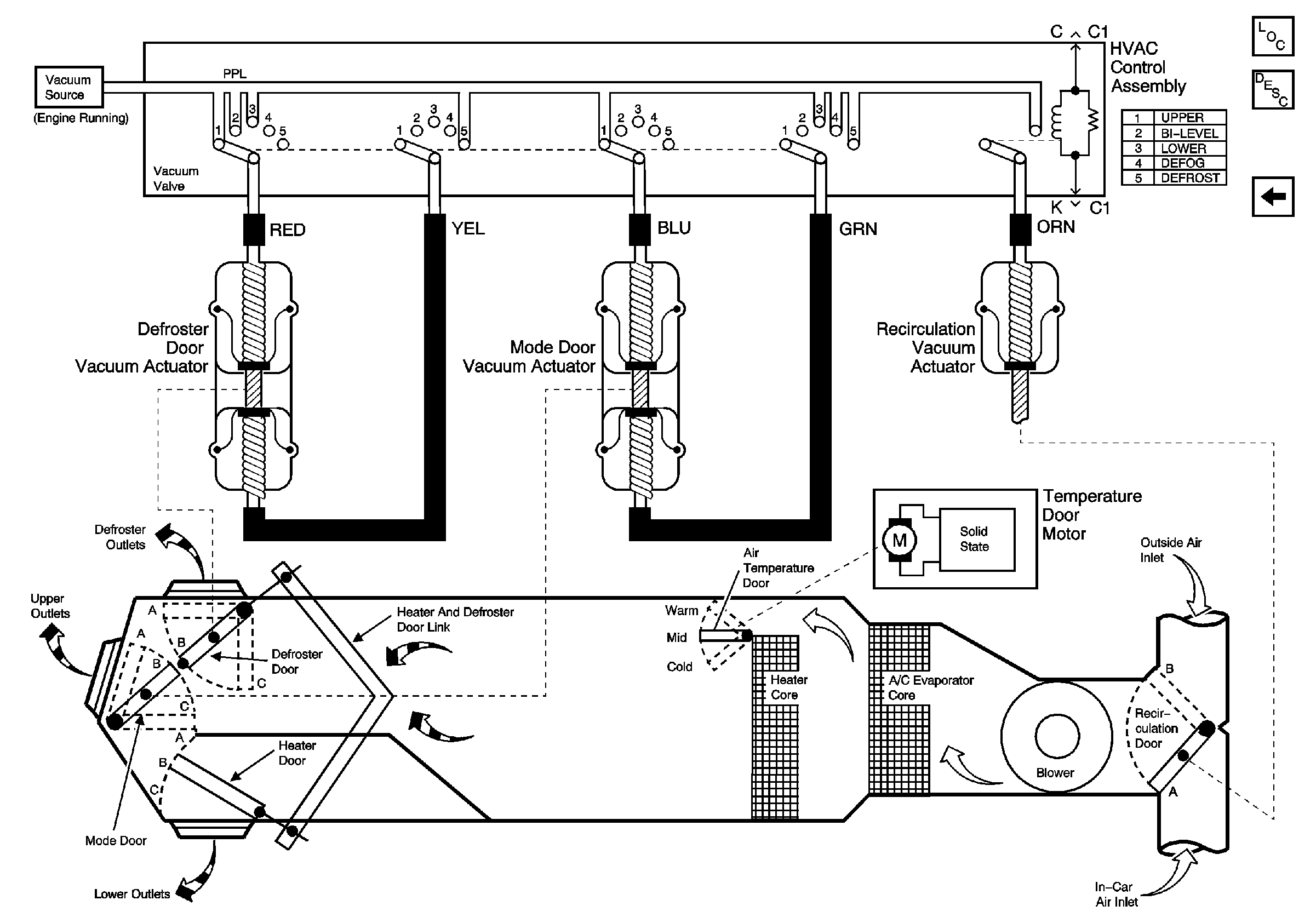
🢒 Air Delivery Schematics (Vacuum Controls)
Air Delivery Schematics (Vacuum Controls)
Air Delivery Schematics (Vacuum Controls)