GM Service Manual Online
For 1990-2009 cars only
Makes
🢒
Cadillac
🢒
2002
🢒
Escalade EXT
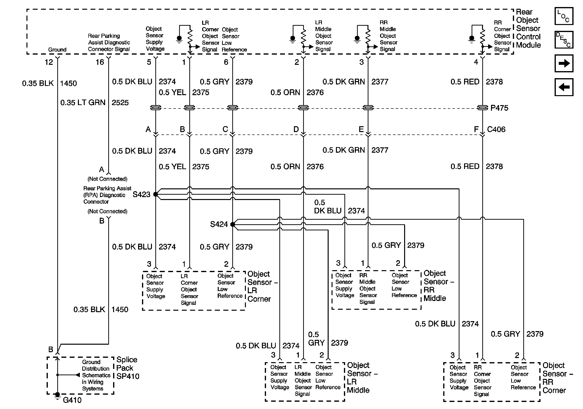
🢒 Rear Object Sensor Control Module, Object Sensors
Rear Object Sensor Control Module, Object Sensors
Rear Object Sensor Control Module and Object Sensors-Escalade
G410 2 of 2
Master Electrical Component List
Object Detection Description and Operation
Rear Parking Assist (RPA) Disable Switch,RPA Display and Rear Object Control Module-806 w/o VSES
Rear Parking Assist (RPA) Display, RPA Disable Switch, Control Module