GM Service Manual Online
For 1990-2009 cars only
Makes
🢒
Cadillac
🢒
2002
🢒
Escalade EXT
🢒 Auxiliary Air Delivery Controls (w/o Sunroof)
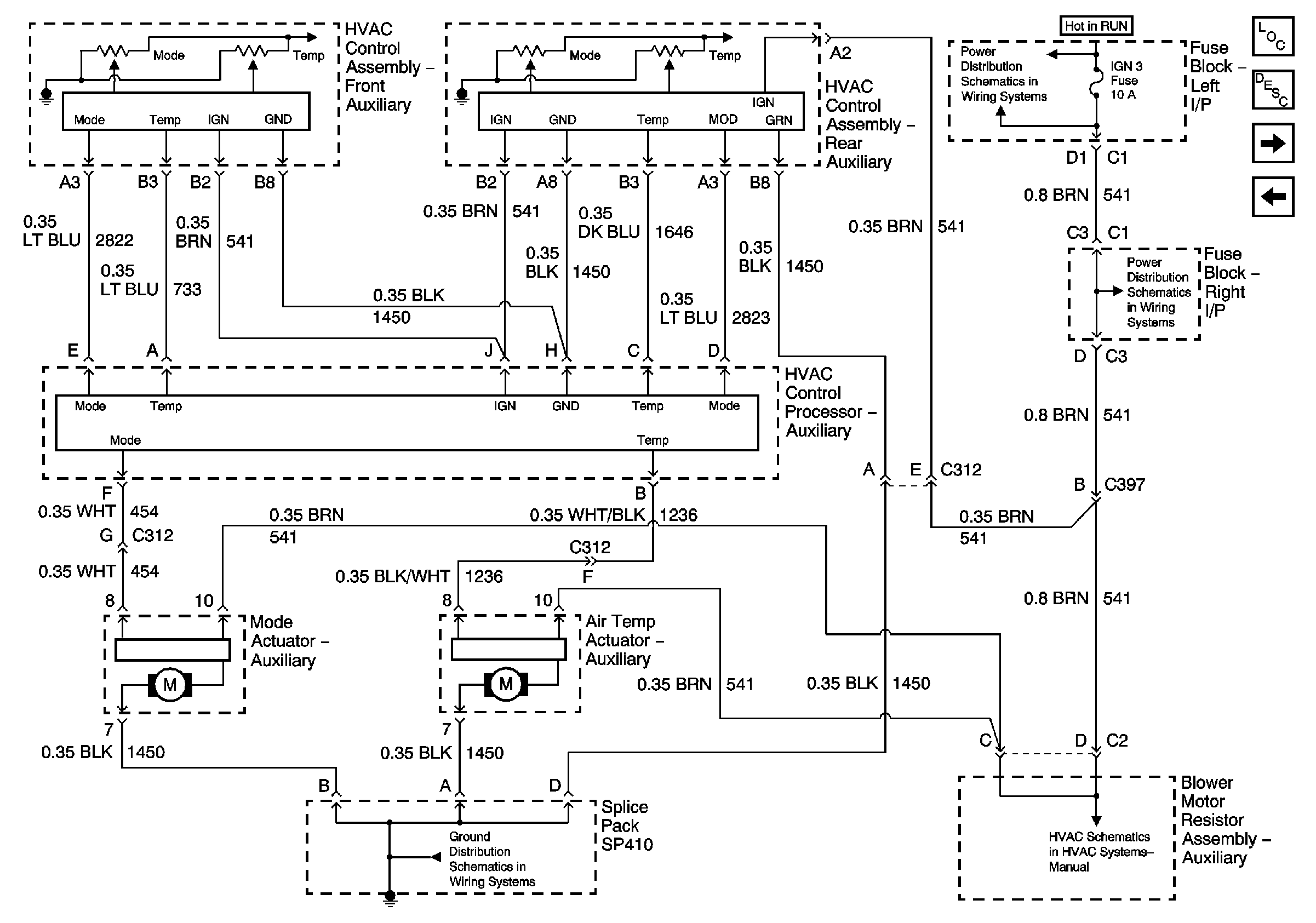
Auxiliary Air Delivery Controls (w/o Sunroof)
Auxiliary Air Delivery Controls (w/o Sunroof)
Master Electrical Component List
Air Delivery Description and Operation
Auxiliary Air Delivery Controls (w/Sunroof)
Auxiliary Blower Controls (w/Sunroof) - (w/Heat and A/C)
IGN 3 Fuse
IGN 3 Fuse
G410 - 1 of 2
Auxiliary Blower Controls (w/o Sunroof) - Relays and Blower Motor (w/Heat and A/C)