GM Service Manual Online
For 1990-2009 cars only
Makes
🢒
Cadillac
🢒
2002
🢒
Escalade EXT
🢒 Auxiliary Air Delivery Controls - Sensors and Actuators (w/o Sunroof)- Tahoe/Yukon
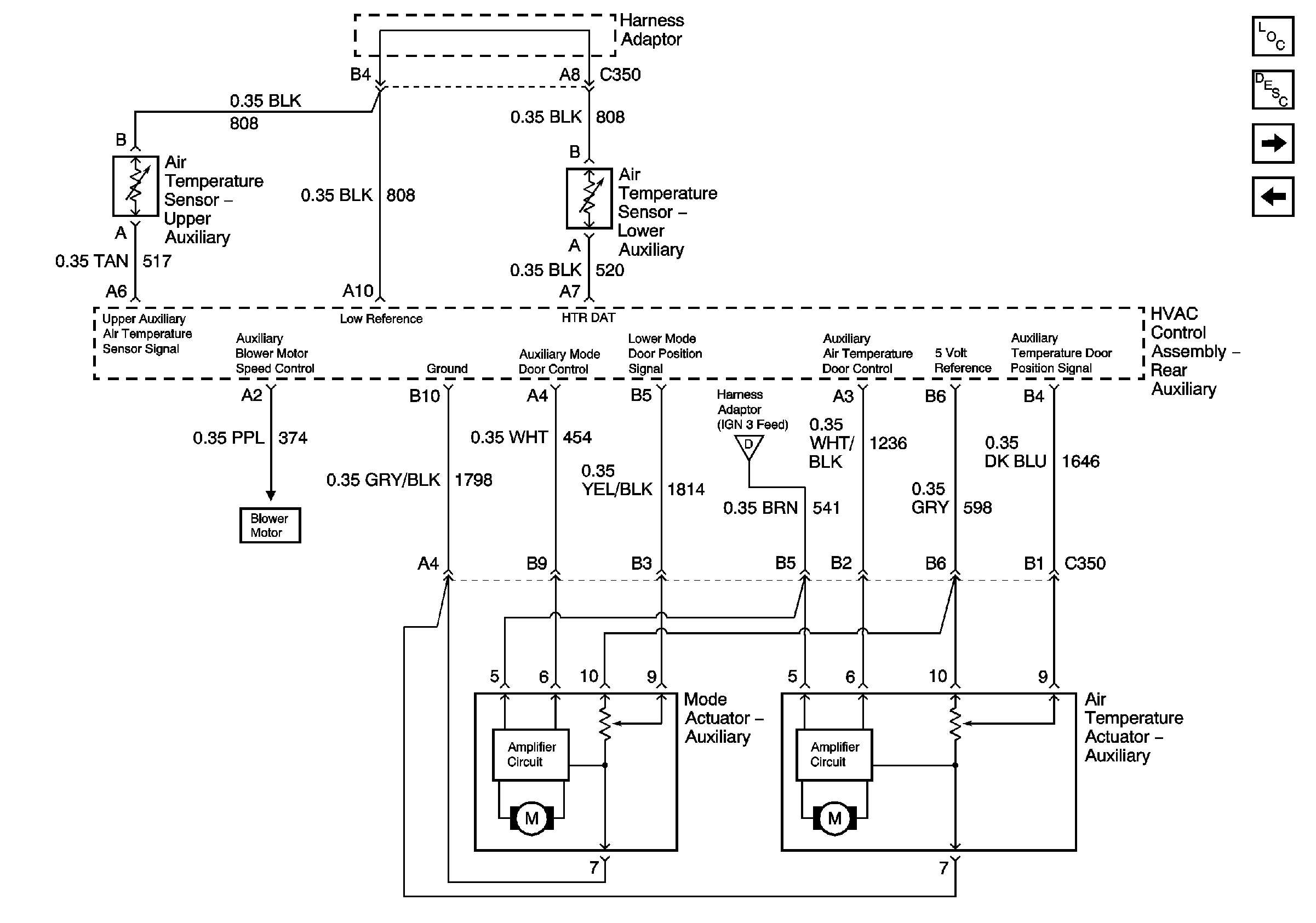
Auxiliary Air Delivery Controls - Sensors and Actuators (w/o Sunroof)- Tahoe/Yukon
Auxiliary Air Delivery Controls - Sensors and Actuators (w/o Sunroof) - Tahoe/Yukon
Master Electrical Component List
Air Temperature Description and Operation
Auxiliary Air Delivery Controls - Device Controls (w/o Sunroof) - Suburban/Yukon XL
Auxiliary Air Delivery Controls - Device Controls (w/o Sunroof) - Tahoe/Yukon
Auxiliary Blower Controls (w/o Sunroof) - Tahoe/Yukon
Auxiliary Air Delivery Controls - Device Controls (w/o Sunroof) - Tahoe/Yukon