GM Service Manual Online
For 1990-2009 cars only
Makes
🢒
Cadillac
🢒
2002
🢒
Escalade EXT
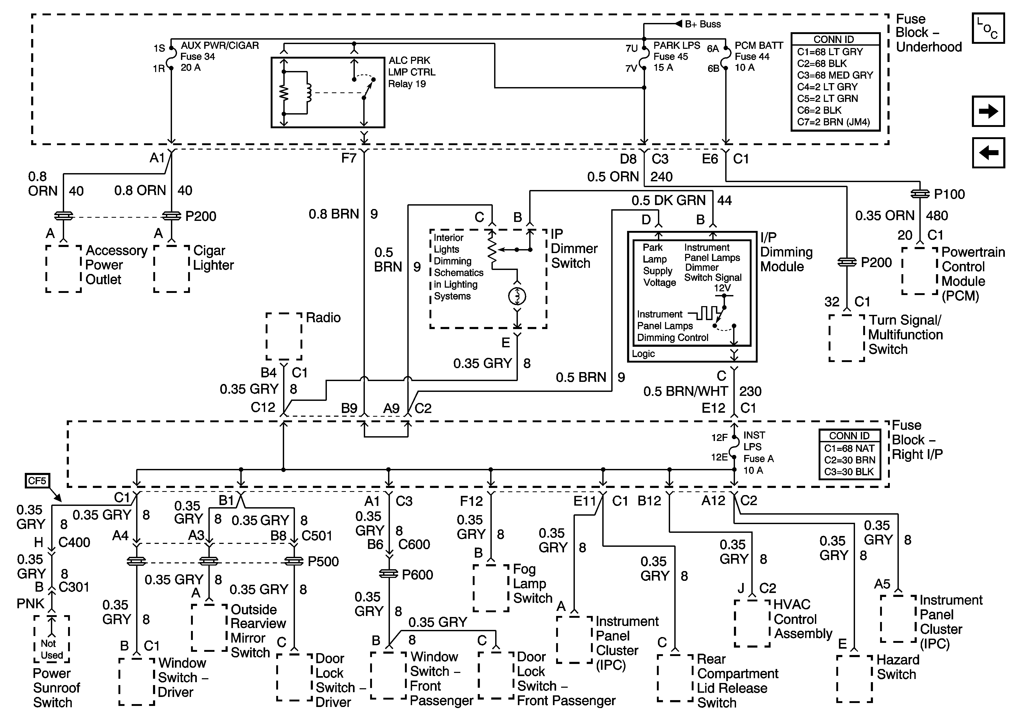
🢒 AUX PWR/CIGAR, PRK LPS, and PCM BATT Fuses
AUX PWR/CIGAR, PRK LPS, and PCM BATT Fuses
AUX PWR/CIGAR, PRK LPS, and PCM BATT Fuses
Master Electrical Component List
RH HDLP, LH HDLP, and GEN BATT Fuses
IGN MOD, B/U LMP, PCM IGN, INJR, A/C BFC, AUTO TRANS, ABS IGN Fuses