GM Service Manual Online
For 1990-2009 cars only
Makes
🢒
Cadillac
🢒
2002
🢒
Escalade EXT
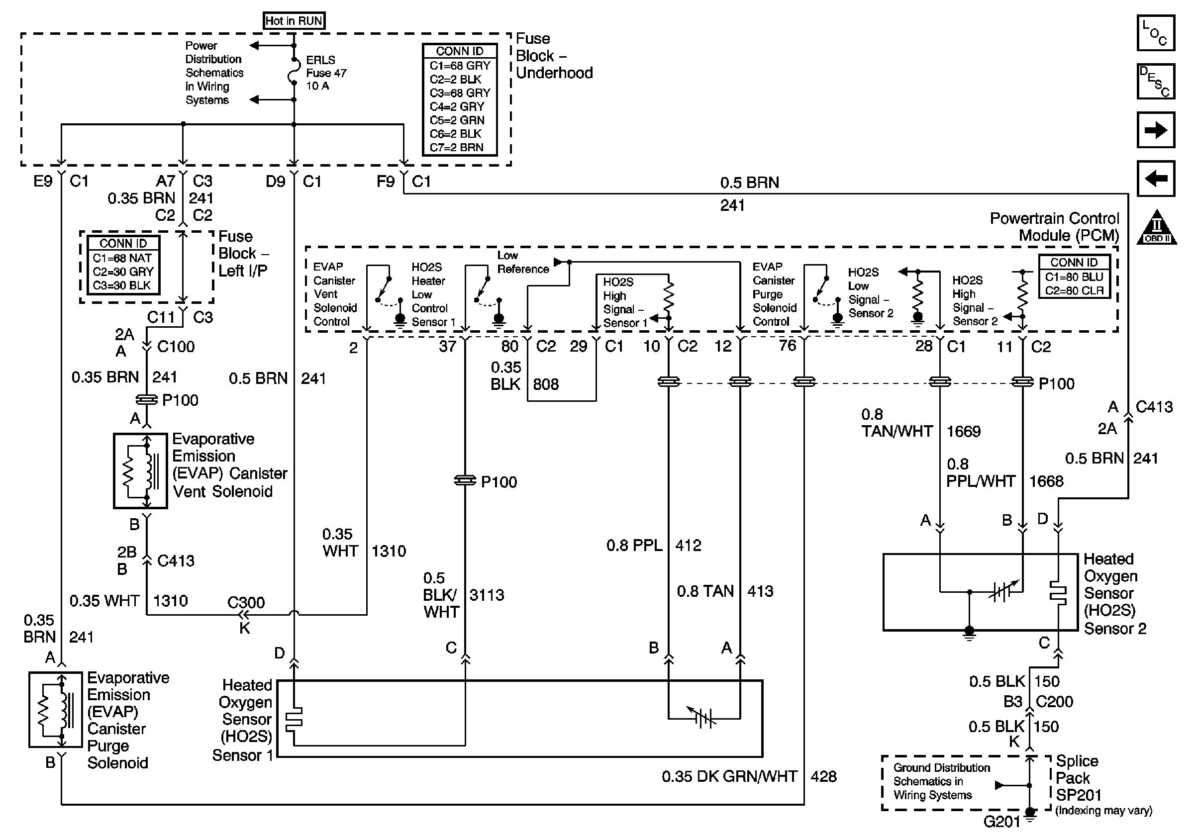
🢒 Heated Oxygen Sensors and EVAP System
Heated Oxygen Sensors and EVAP System
Heated Oxygen Sensors and EVAP System
Master Electrical Component List
Evaporative Emission Control System Description
Ignition Controls
Vehicle Speed Sensor
OBDII Symbol Description Notice
HTR A/C IGN and CRLS Fuses
SP201