GM Service Manual Online
For 1990-2009 cars only
Makes
🢒
Cadillac
🢒
2002
🢒
Escalade EXT
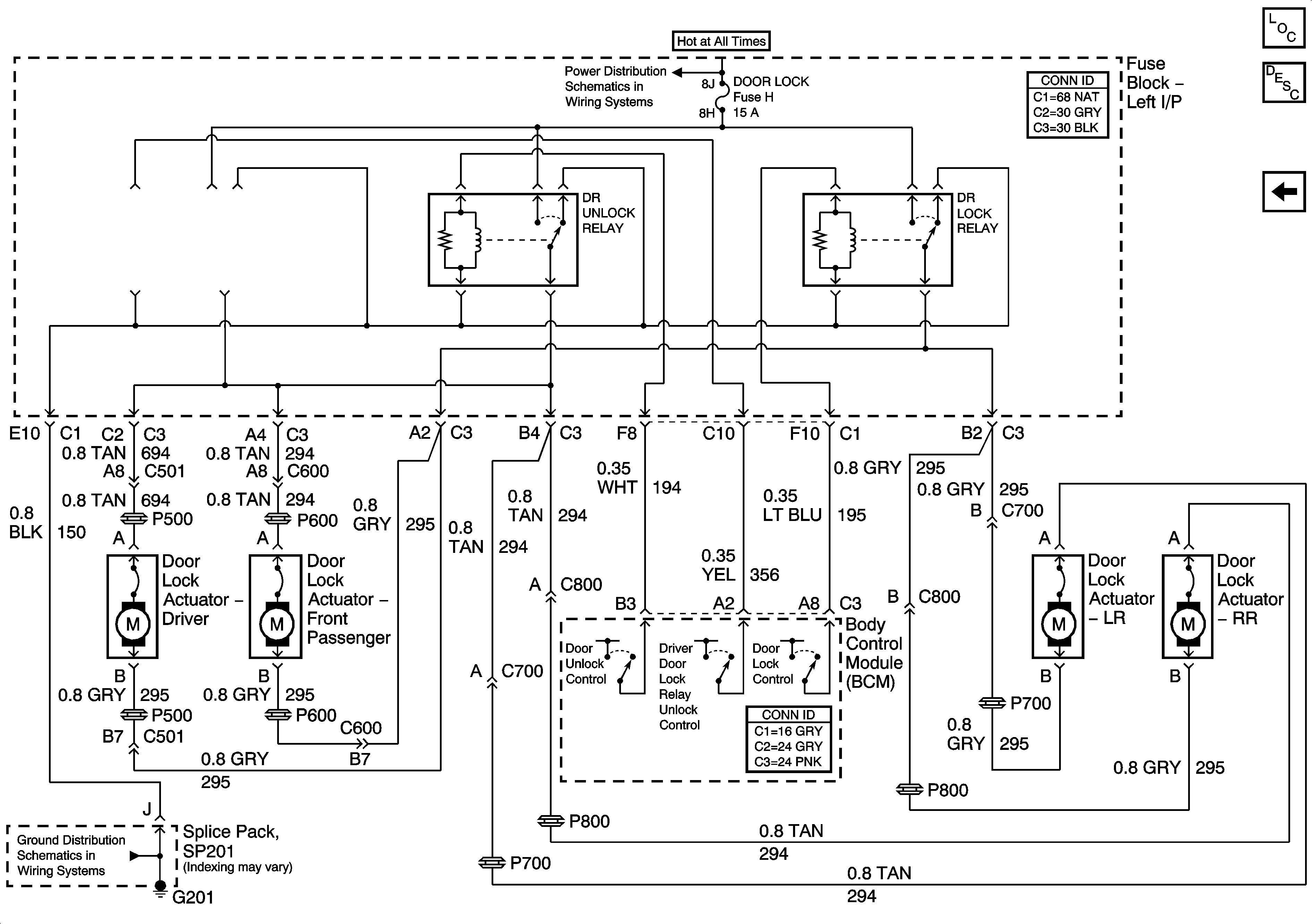
🢒 Actuators (without Remote Function Actuation)
Actuators (without Remote Function Actuation)
Actuators - without Remote Function Actuation
Master Electrical Component List
Power Door Locks Description and Operation
Actuators (with Remote Function Actuation)
BATT1, PWR Seat, PWR Mirror, DR Lock, Trunk Release/RFA (w/o RFA)
SP201