GM Service Manual Online
For 1990-2009 cars only
Makes
🢒
Cadillac
🢒
2002
🢒
Escalade EXT
🢒 Horns
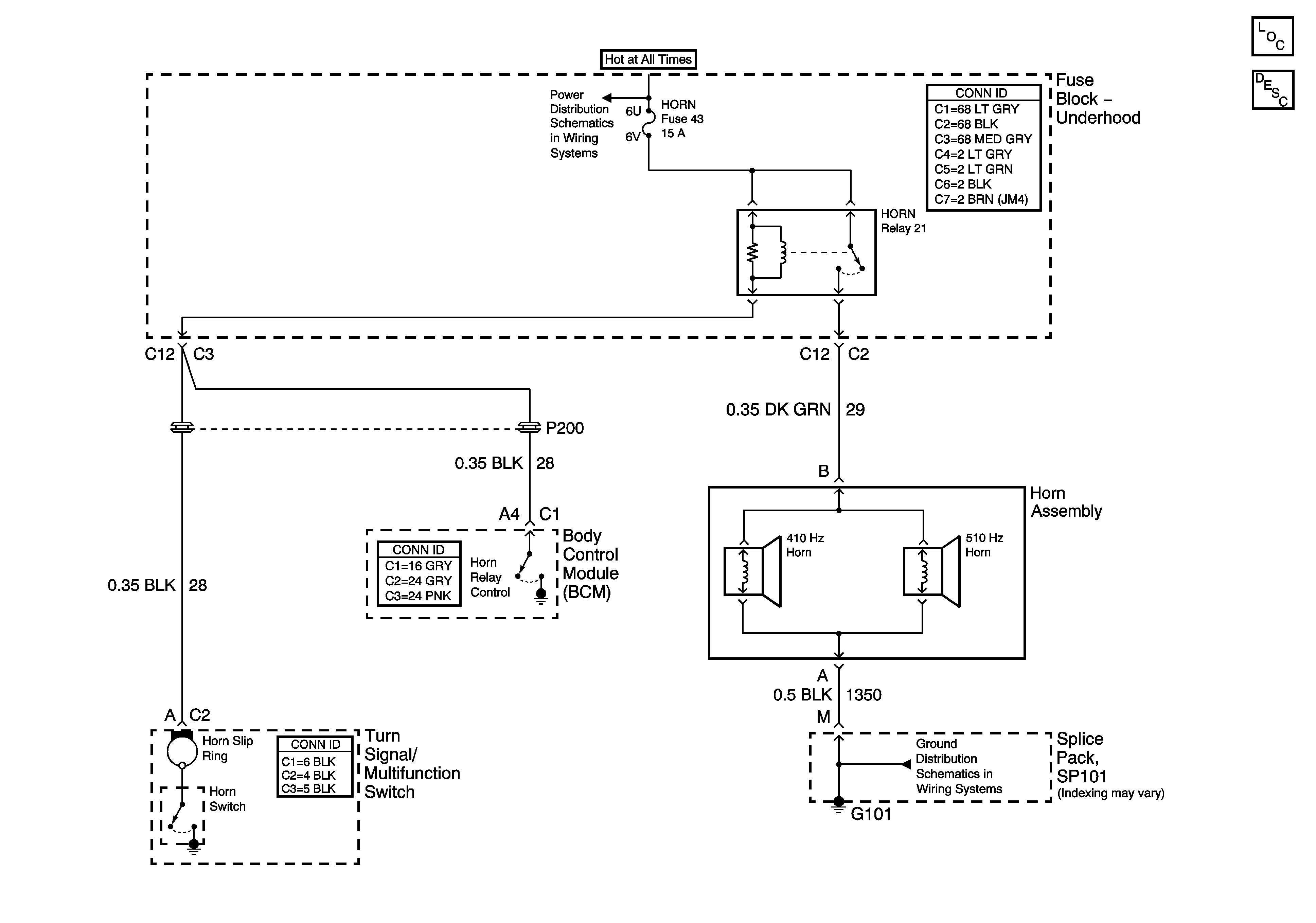
Horns
Master Electrical Component List
Horns System Description and Operation
RR DEFOG, HORN, HI BLO MOT, RH BEC BATT, COOL FANS, and ABS Fuses
SP101