GM Service Manual Online
For 1990-2009 cars only
Makes
🢒
Cadillac
🢒
2002
🢒
Escalade EXT
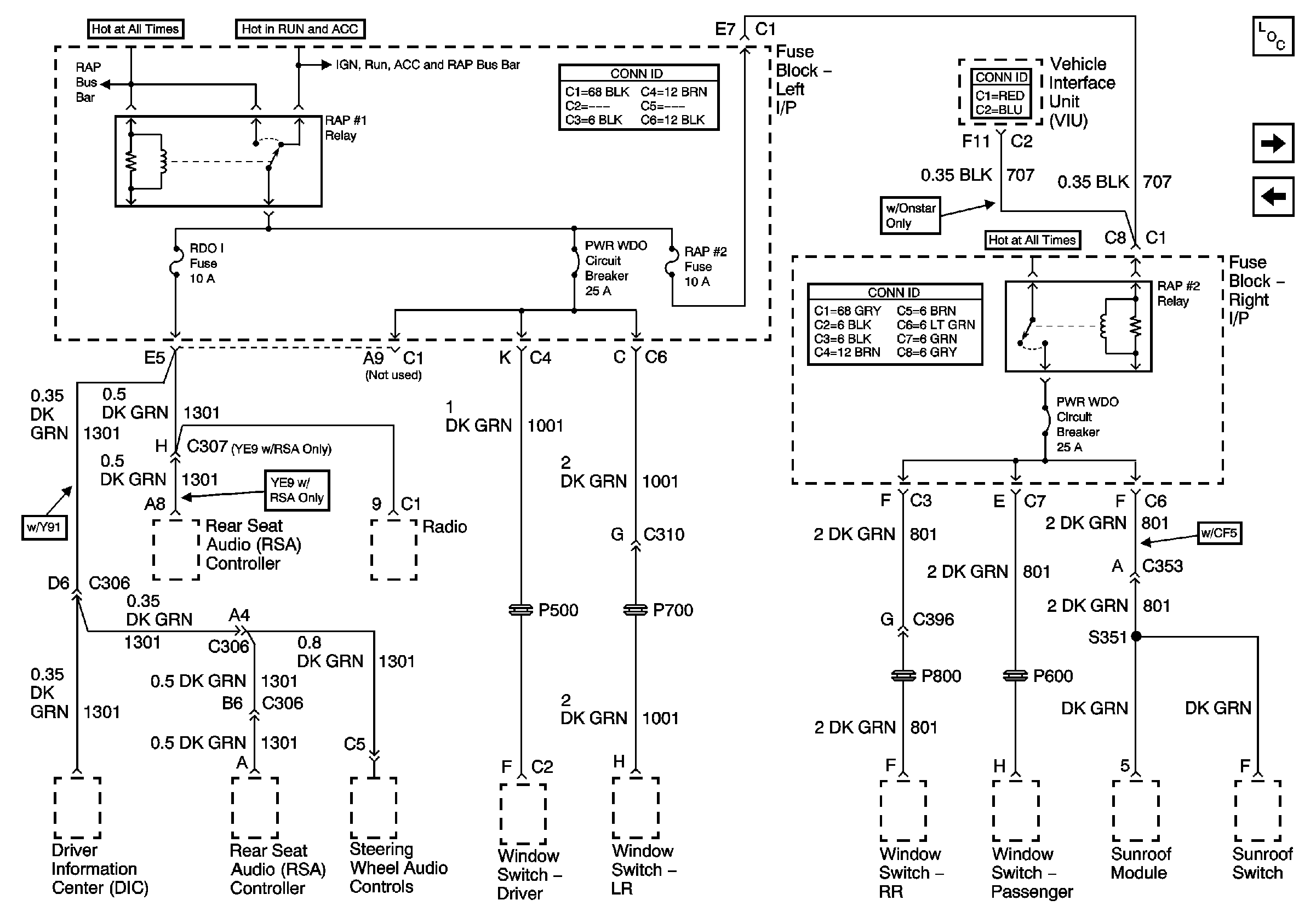
🢒 PWR WDO Circuit Breakers, RDO I and RAP #2 Fuses
PWR WDO Circuit Breakers, RDO I and RAP #2 Fuses
PWR WDO Circuit Breakers, RDO I and RAP #2 Fuses
Master Electrical Component List
DR LOCK and LOCK Fuses
BRAKE, CRUISE, HTR A/C, RR WPR, WS WPR, and SEO ACCY Fuses
IGNITION, RUN, ACCESSORY, and RAP Bus Bars - RAP #1 and RAP #2 Fuses
IGNITION, RUN, ACCESSORY, and RAP Bus Bars - RAP #1 and RAP #2 Fuses