GM Service Manual Online
For 1990-2009 cars only
Makes
🢒
Cadillac
🢒
2002
🢒
Escalade EXT
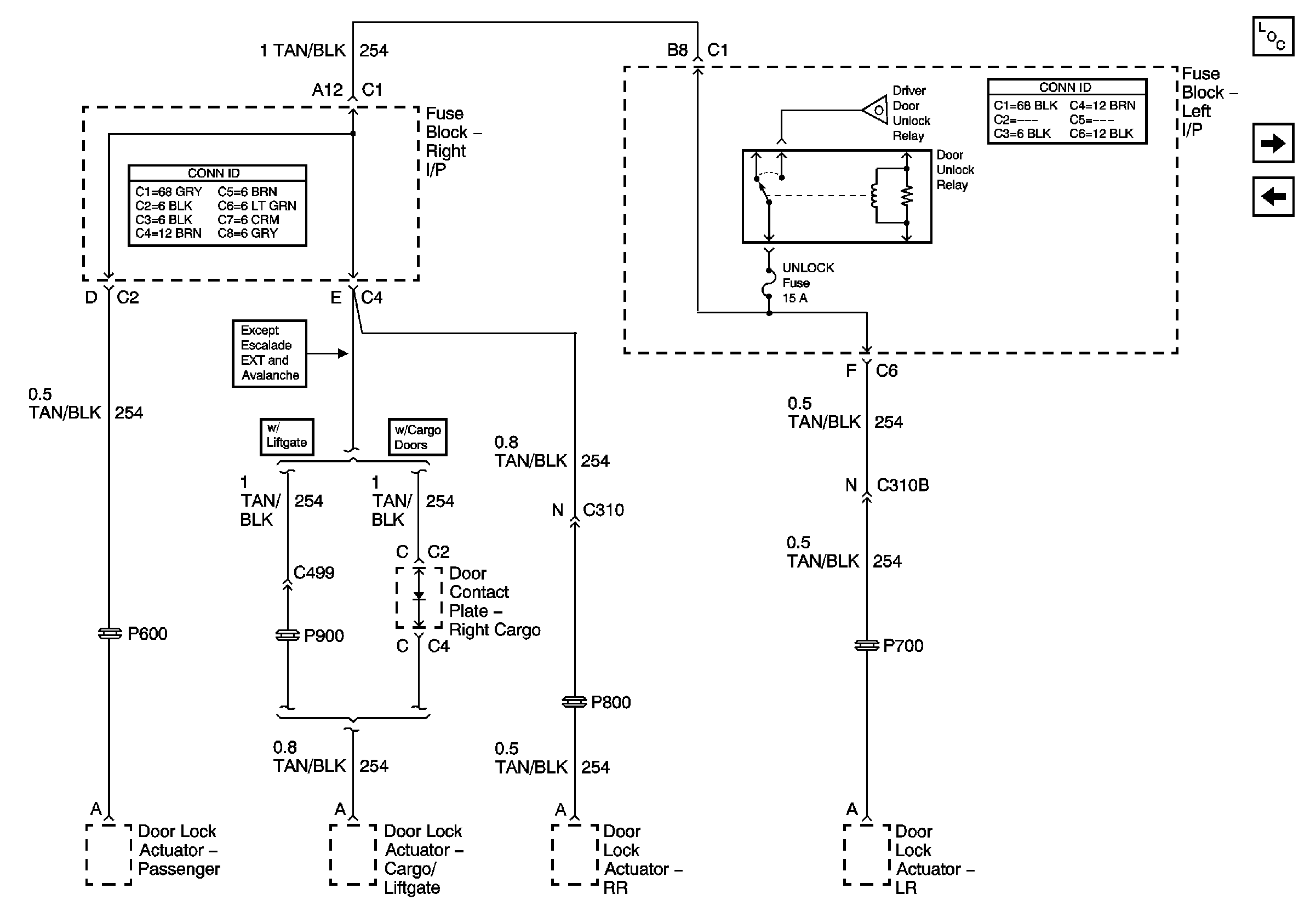
🢒 UNLOCK Fuse
UNLOCK Fuse
UNLOCK Fuse
Master Electrical Component List
DR LOCK and LOCK Fuses
SEATS Circuit Breaker and MIR/LOCK Fuse
DR LOCK and LOCK Fuses