Removal Procedure
Caution: Refer to Battery Disconnect Caution in the Preface section.
Caution: Refer to SIR Caution in the Preface section.
- Remove the I/P trim panel. Refer to
Instrument Panel Upper Trim Panel Replacement
.
- Remove the center console, if equipped. Refer to
Console Replacement
.
- Disconnect the negative battery cable. Refer to
Battery Negative Cable Disconnection and Connection
.
- Remove the driver side knee bolster. Refer to
Knee Bolster Replacement
.
- Remove the lower I/P trim panel. Refer to
Instrument Panel Lower Trim Panel Replacement
.
- Remove the passenger side air bag module. Refer to
Inflatable Restraint Instrument Panel Module Replacement
in SIR.
- Remove the radio. Refer to
Radio Replacement
in Entertainment.
- Remove the HVAC control. Refer to
HVAC Control Module Replacement
in HVAC Systems-Automatic or
HVAC Control Module Replacement
in HVAC Systems-Manual.
- Remove the accessory switch housing. Refer to
Accessory Switch Replacement
.
- Remove the left air louver housing. Refer to
Instrument Panel Outer Air Outlet Deflector Replacement - Left Side
in Heating, Ventilation
and Air Conditioning.
- Remove the steering column. Refer to
Steering Column Replacement
in Steering Wheel and Column.
- Remove the CIM, if equipped. Refer to
Communication Interface Module Replacement
in Cellular Communication.
- Remove the data link connector from the I/P. Refer to
Data Link Connector Replacement
in Data Link Communications.
- Remove the park brake release lever from the I/P. Refer to
Parking Brake Release Handle Assembly Replacement
in Park
Brake.
- Remove the I/P cluster. Refer to
Instrument Cluster Replacement
.
- Remove both front window air duct from the I/P assembly.
- Remove the harness from the I/P. Refer to
Instrument Panel Electrical Center or Junction Block Replacement - Left Side
and
Instrument Panel Electrical Center or Junction Block Replacement - Right Side
.
- Remove the I/P assembly retaining nuts (4)
and bolts (3).
- Remove all harness hold down retainers from the I/P assembly.
- Remove the I/P assembly from the vehicle.
- Remove
the I/P upper brackets.
- Disconnect all the electrical connectors from the wiring harness junction
block. Refer to
Body Wiring Harness Junction Block Replacement
in Wiring Systems.
- Remove the transfer case control module from the bracket, if equipped.
Refer to
Transfer Case Shift Control Module Replacement
in Transfer Case NV6 246 - NP8.
- Remove the antenna cable from the cross car duct.
- Remove the cross car duct. Refer to
Air Distributor Duct Replacement
in Heating, Ventilation and Air Conditioning.
- Remove the amplifier, if equipped. Refer to
Radio Speaker Amplifier Replacement
in Entertainment.
- Separate the I/P harness from the carrier.
Do not remove the I/P harness from the vehicle.
- If
replacing the HVAC module, remove the right side of the carrier from the vehicle
to gain access to the module.
- Remove the I/P center support bracket bezel (1).
Important: Remove all of the parts of the I/P carrier assembly from the vehicle as a unit.
- Remove the I/P center support bracket bolt.
- Remove the I/P carrier retaining bolts.
The left side is shown, the right side is similar.
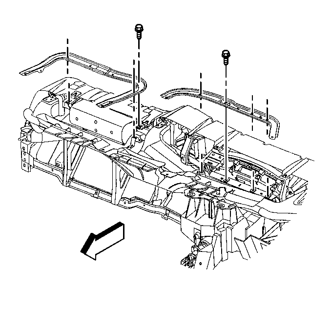
- Remove the I/P carrier top bolts (1).
- Remove the I/P carrier (1) from the
vehicle.
Installation Procedure
- Position the I/P carrier (1) in the
vehicle.
Notice: Refer to Fastener Notice in the Preface section.
- Install the I/P carrier top bolts (1).
Tighten
Tighten the bolts to 50 N·m (37 lb ft).
- Install the I/P carrier retaining bolts.
The left side is shown, the right is similar.
Tighten
Tighten the bolts to 50 N·m (37 lb ft).
- Install the I/P center support bracket bolt.
Tighten
Tighten the bolt to 25 N·m (18 lb ft).
- Install the I/P center support bracket bezel (1).
- Install
the right side of the carrier to the vehicle, if the HVAC module was removed.
- Install the retaining bolts.
Tighten
Tighten the bolts to 50 N·m (37 lb ft).
- Attach the I/P harness to the carrier.
- Install the amplifier, if equipped. Refer to in
Radio Speaker Amplifier Replacement
in Entertainment.
- Install the cross car duct. Refer to
Air Distributor Duct Replacement
in Heating, Ventilation and Air Conditioning.
- Install the antenna cable to the cross car duct.
- Install the transfer case control module to the bracket, if equipped.
Refer to
Transfer Case Shift Control Module Replacement
in Transfer Case NV6 246 - NP8.
- Connect all of the electrical connectors to the wiring harness junction
block. Refer to
Body Wiring Harness Junction Block Replacement
in Wiring Systems.
- Install
the I/P upper brackets.
Tighten
Tighten the retaining bolts to 2 N·m (18 lb in).
- Install the I/P assembly to the vehicle.
- Install the I/P assembly retaining bolts
(3) and nuts (4).
Ensure the wire harness is routed to all of the openings.
Tighten
Tighten the retaining bolts and nuts to 9 N·m (80 lb in).
- Install the harness hold down retainers to the I/P assembly.
- Install the harness to the I/P. Refer to
Instrument Panel Electrical Center or Junction Block Replacement - Left Side
and
Instrument Panel Electrical Center or Junction Block Replacement - Right Side
.
- Install both front window air duct to the I/P assembly.
- Install the I/P cluster assembly. Refer to
Instrument Cluster Replacement
.
- Install the park brake release lever to the I/P. Refer to
Parking Brake Release Handle Assembly Replacement
in Park
Brake.
- Install the data link connector to the I/P. Refer to
Data Link Connector Replacement
in Data Link Communications.
- Install the remote control door lock receiver module, if equipped. Refer
to
Remote Control Door Lock Receiver Replacement
in Keyless Entry.
- Install the CIM, if equipped. Refer to
Communication Interface Module Replacement
in Cellular Communication.
- Install the steering column. Refer to
Steering Column Replacement
in Steering Wheel and Column.
- Install the left air louver housing. Refer to
Instrument Panel Outer Air Outlet Deflector Replacement - Left Side
in Heating, Ventilation
and Air Conditioning.
- Install the accessory switch housing. Refer to
Accessory Switch Replacement
.
- Install the HVAC control. Refer to
HVAC Control Module Replacement
in HVAC Systems-Automatic or
HVAC Control Module Replacement
in HVAC Systems-Manual.
- Install the radio. Refer to
Radio Replacement
in Entertainment.
- Install the passenger side airbag module. Refer to
Inflatable Restraint Instrument Panel Module Replacement
in SIR.
- Install the lower trim panel. Refer to
Instrument Panel Lower Trim Panel Replacement
.
- Install the driver side knee bolster. Refer to
Knee Bolster Replacement
.
- Connect the negative battery cable. Refer to
Battery Negative Cable Disconnection and Connection
.
- Install the center console, if equipped. Refer to
Console Replacement
.
- Install the I/P trim panel. Refer to
Instrument Panel Upper Trim Panel Replacement
.