GM Service Manual Online
For 1990-2009 cars only

Removal Procedure


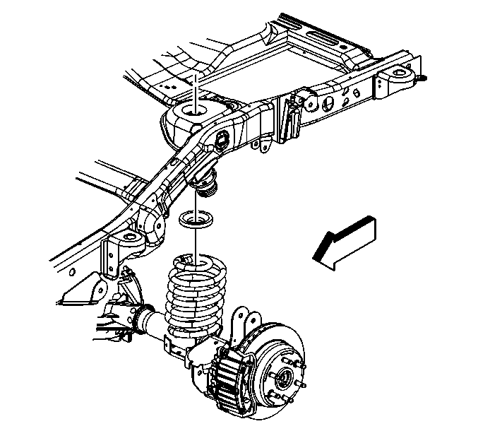
    Object Number: 625136  Size: SH
  1. Raise and support the vehicle. Refer to Lifting and Jacking the Vehicle in General Information.
  2. Support the rear axle.
  3. Disconnect the electronic suspension control (ESC) sensor, if equipped. Refer to Electronic Suspension Rear Position Sensor Link Assembly Replacement in Electronic Suspension Control (ESC).

  4. Object Number: 545533  Size: SH
  5. Remove the stabilizer shaft link retaining nut from the frame.

  6. Object Number: 582394  Size: SH
  7. Remove the lower shock absorber nut and bolt from the rear axle.
  8. Lower the rear axle until the springs are fully unloaded.
  9. Remove the coil spring and the upper insulator.

Installation Procedure


    Object Number: 625136  Size: SH
  1. Install the coil spring and the upper insulator .
  2. Raise the rear axle.
  3. Notice: Use the correct fastener in the correct location. Replacement fasteners must be the correct part number for that application. Fasteners requiring replacement or fasteners requiring the use of thread locking compound or sealant are identified in the service procedure. Do not use paints, lubricants, or corrosion inhibitors on fasteners or fastener joint surfaces unless specified. These coatings affect fastener torque and joint clamping force and may damage the fastener. Use the correct tightening sequence and specifications when installing fasteners in order to avoid damage to parts and systems.


    Object Number: 582394  Size: SH
  4. Install the lower shock absorber retaining nut and bolt to the rear axle.
  5. Tighten
    Tighten the lower shock absorber retaining nut and bolt to 95 N·m (70 lb ft).


    Object Number: 545533  Size: SH
  6. Install the stabilizer shaft link to the frame.
  7. Install the stabilizer shaft link retaining nut.
  8. Tighten
    Tighten the stabilizer shaft link retaining nut to 65 N·m (48 lb ft).

  9. Connect the electronic suspension control (ESC) sensor, if equipped. Refer to Electronic Suspension Rear Position Sensor Link Assembly Replacement in Electronic Suspension Control (ESC).
  10. Remove the rear axle support.
  11. Lower the vehicle.