GM Service Manual Online
For 1990-2009 cars only
Figure 1:

Front of the Frame


Object Number: 615810  Size: MF
(1)Suspension Damper Solenoid - LF Connector
(2)Wheel Speed Sensor (WSS) - LF Chassis Connector
(3)Wheel Speed Sensor (WSS) - LF Pigtail Connector
(4)Suspension Position Sensor - LF Chassis Connector
(5)Suspension Position Sensor - LF Pigtail Connector
(6)Chassis Harness
(7)Suspension Damper Solenoid - RF Connector
(8)Wheel Speed Sensor (WSS) - RF Chassis Connector
(9)Suspension Position Sensor - RF Chassis Connector
(10)Frame
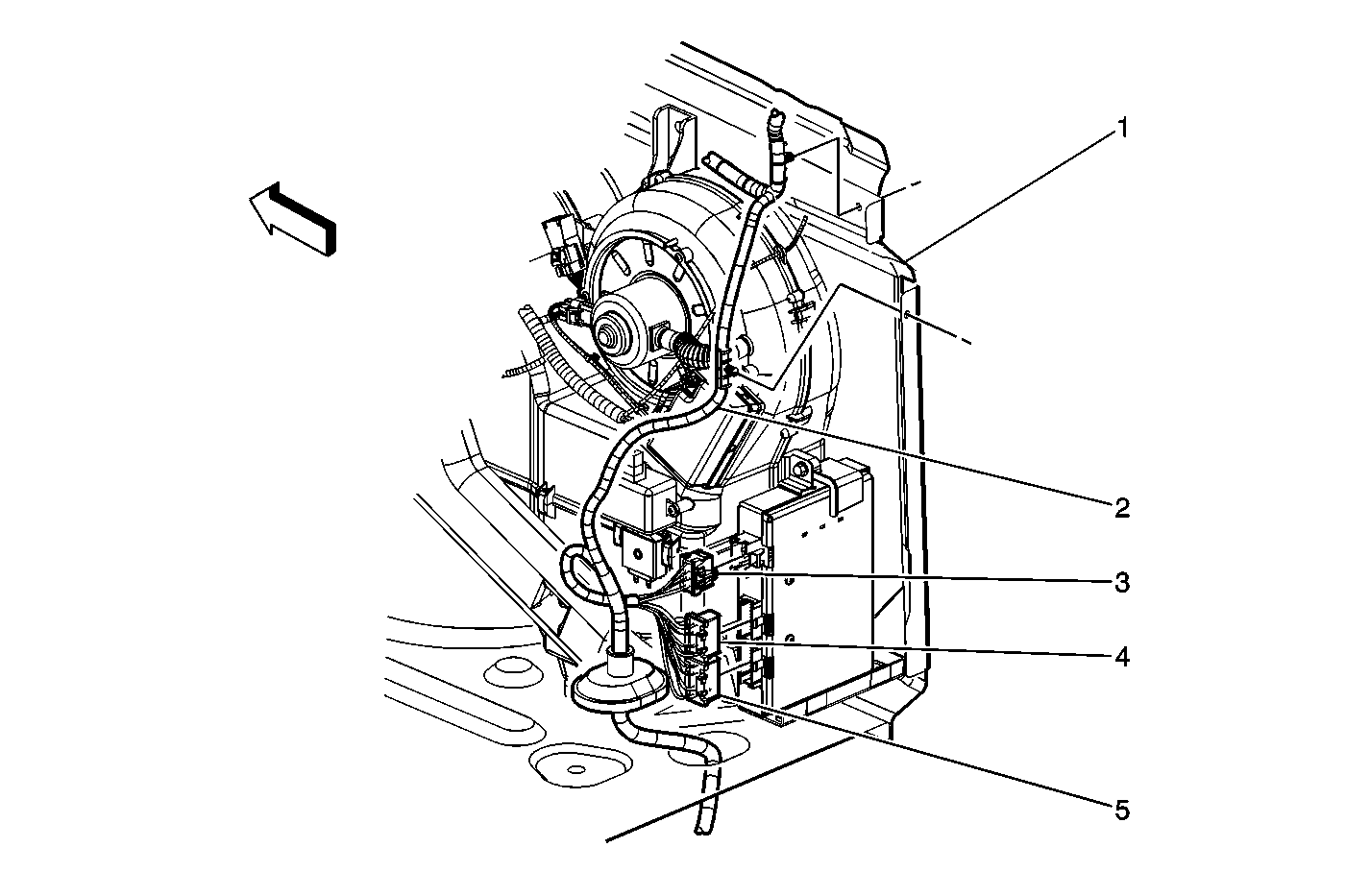
Figure 2:

LR of the Passenger Compartment (Escalade EXT)


Object Number: 1152216  Size: MF
(1)Rear Object Sensor Control Module
(2)Rear Object Sensor Control Module Connector
(3)Electronic Suspension Control (ESC) Module
(4)Electronic Suspension Control (ESC) Module Connectors
(5)LR Passenger Seat Bracket
Figure 3:

LR Suspension Components (2500 Series)


Object Number: 623035  Size: MF
(1)Shock Absorber - LR
(2)Suspension Damper Solenoid - LR Connector
(3)Frame
Figure 4:

LR Suspension Components (1500 Series)


Object Number: 615735  Size: MF
(1)Suspension Position Sensor - LR
(2)Frame
(3)Suspension Position Sensor - LR Connector
Figure 5:

RR of the Passenger Compartment (Except Avalanche/Escalade EXT)


Object Number: 623102  Size: MF
(1)Body Side Inner Panel
(2)Body Wiring Harness
(3)Electronic Suspension Control (ESC) Module Connector C1
(4)Electronic Suspension Control (ESC) Module Connector C2
(5)Electronic Suspension Control (ESC) Module Connector C3
Figure 6:

RR Suspension Components (2500 Series)


Object Number: 571419  Size: LF
(1)Axle
(2)Suspension Position Sensor - RR
(3)Sensor Arm
(4) Suspension Position Sensor - RR Connector
Figure 7:

Suspension Position Sensor - LF (Suburban/Yukon XL)


Object Number: 615639  Size: MF
(1)Frame
(2)Suspension Position Sensor - LF Connector
(3)Suspension Position Sensor - LF