GM Service Manual Online
For 1990-2009 cars only
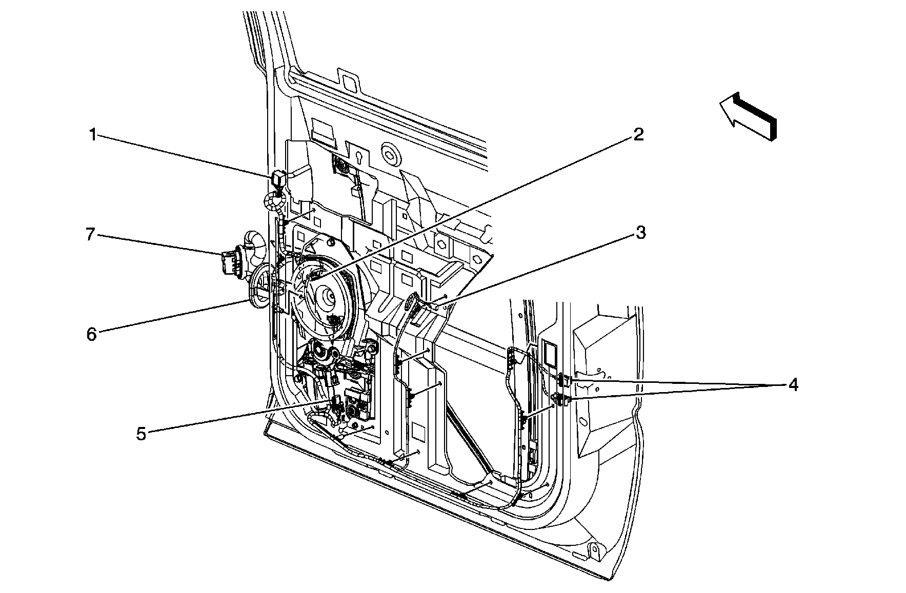
Figure 1:

Driver Door


Object Number: 903357  Size: MF
(1)Driver Door
(2)Driver Door Module (DDM)
(3)Outside Rearview Mirror - Driver
(4)Window Motor - Driver
(5)Memory/Heated Seat Switch Connector
(6)Door Courtesy Lamp - Left Front
(7)Driver Door Panel
(8)Memory/Heated Seat Switch
(9)Mini Wedge (Door Jamb Switch) - Driver
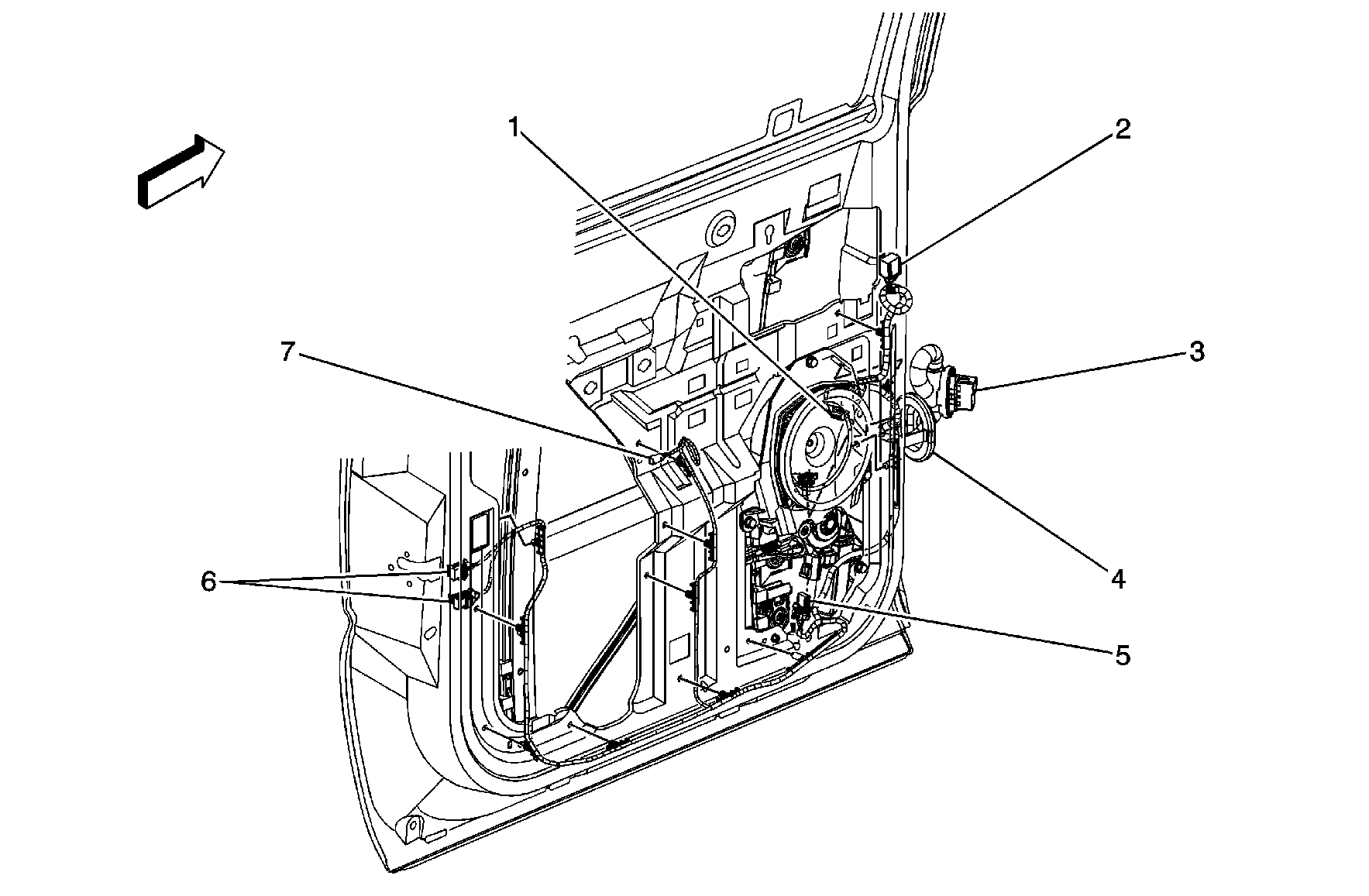
Figure 2:

Front Passenger Door


Object Number: 903348  Size: MF
(1)Front Passenger Door Module (FPDM)
(2)Front Passenger Door
(3)Mini Wedge (Door Jamb Switch) - Front Passenger
(4)Heated Seat Switch - Front Passenger
(5)Heated Seat Switch Connector
(6)Window Motor - Front Passenger
(7)Outside Rearview Mirror - Front Passenger
Figure 3:

LR Passenger Side Door


Object Number: 903362  Size: MF
(1)Speaker - LR Door
(2)Window Switch Connector - LR
(3)C310
(4)P700
(5)Window Motor - LR
(6)Mini Wedge (Door Jamb Switch) Connectors - LR
(7)Door Courtesy Lamp Connector - LR
Figure 4:

Liftgate (E52)


Object Number: 1113966  Size: MF
(1)Rear Window Wiper Module
(2)Liftglass Ajar Switch
(3)Door Lock Actuator - Liftgate
(4)Liftgate Ajar Switch - Left Connector
(5)Liftgate
(6)Liftgate Ajar Switch - Right Connector
Figure 5:

RR Passenger Side Door


Object Number: 903376  Size: MF
(1)Window Switch Connector - RR
(2)Speaker - RR Door
(3)Door Courtesy Lamp Connector - RR
(4)Mini Wedge (Door Jamb Switch) Connectors - RR
(5)Window Motor - RR
(6)P800
(7)C396
Figure 6:

RR Cargo Door Components (Utility)


Object Number: 573904  Size: LF
(1)Rear Defog Connector
(2)Rear Door Upper Latch
(3)Rear Door Lock Cylinder Connector
(4)Rear Door Lock Actuator Connector
(5)Rear Door Inner Panel
Figure 7:

Power Folding Mirror Switch


Object Number: 781905  Size: LF
(1)Power Folding Mirror Switch
(2)Dimmer Switch
(3)Headlamp Switch
(4)Dome Lamp Defeat Switch