GM Service Manual Online
For 1990-2009 cars only

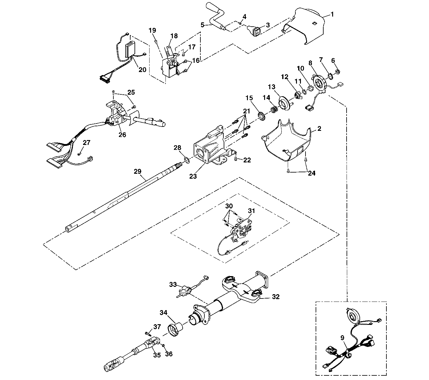
Steering Column Disassembled View Column Shift Lean Shaft

Tilt Steering Column


Object Number: 664240  Size: LF
(1)Upper Trim Cover
(2)Lower Trim Cover
(3)Shift Lever Seal
(4)Shift Lever Screw
(5)Shift Lever
(6)Flanged Prevailing Torque Nut
(7)Retaining Ring
(8)SIR Coil
(9)SIR Coil and Harness Assembly
(10)Wave Washer
(11)Bearing Retainer
(12)Cam Orientation Plate
(13)Turn Signal Cancel Cam Assembly
(14)Upper Bearing Spring
(15)Upper Bearing Inner Race Seat
(16)Inner Race
(17)Turn Signal Switch Housing
(18)TORX® Head Screw
(19)Pan Head Tapping Screws
(20)Ignition Lock Cylinder Case Assembly
(21)Pan Head Tapping Screw
(22)Ignition Switch Assembly
(23)Pan Head Tapping Screws
(24)Turn Signal and Multifunction Switch Assembly
(25)Axial Position Assurance Connector
(26)Steering Column Tilt Head Assembly
(27)Spring Guide
(28)Tilt Spring
(29)Release Lever Pin
(30)Bearing Assembly
(31)Steering Column Shaft Assembly
(32)Tilt Knob
(33)Pan Head Tapping Screws
(34)Oval Head Soc Tap Screws
(35)Linear Shift Assembly
(36)TORX® Head Screws
(37)Pivot Pins
(38)Steering Column Support Assembly
(39)Steering Column Jacket Assembly
(40)Automatic Transmission Shift Lock Control
(41)Adapter and Bearing Assembly
(42)Steering Wheel Position Sensor Assembly
(43)Sensor Retainer
(44)Hexagon Head Nut
(45)Intermediate Shaft
(46)Bolt and Retainer Assembly

Steering Column Disassembled View Floor Shift Lean Shaft

Tilt Steering Column


Object Number: 664241  Size: LF
(1)Upper Trim Cover
(2)Lower Trim Cover
(3)Flanged Prevailing Torque Nut
(4)Retaining Ring
(5)SIR Coil
(6)SIR Coil and Harness Assembly
(7)Wave Washer
(8)Bearing Retainer
(9)Shaft Lock Shield Assembly
(10)Turn Signal Cancel Cam Assembly
(11)Upper Bearing Spring
(12)Upper Bearing Inner Race Seat
(13)Inner Race
(14)Lock Bolt
(15)Lock Bolt Spring
(16)Pan Head Tapping Screws
(17)TORX® Head Screw
(18)Ignition Lock Cylinder Case Assembly
(19)Pan Head Tapping Screw
(20)Ignition Switch Assembly
(21)Steering Column Tilt Head Assembly
(22)TORX® Head Screw
(23)Release Lever Pin
(24)Spring Guide
(25)Tilt Spring
(26)Bearing Assembly
(27)Pan Head Tapping Screws
(28)Turn Signal and Multifunction Switch Assembly
(29)Axial Position Assurance Connector
(30)Tilt Knob
(31)Pan Head Tapping Screws
(32)Steering Column Shaft Assembly
(33)TORX® Head Screws
(34)Pivot Pins
(35)Steering Column Support Assembly
(36)Steering Column Jacket Assembly
(37)Adapter and Bearing Assembly
(38)Bolt and Retainer Assembly
(39)Hexagon Head Nut
(40)Intermediate Shaft Assembly

Steering Column Disassembled View Column Shift Standard

Standard Steering Column


Object Number: 664279  Size: LF
(1)Upper Trim Cover
(2)Lower Trim Cover
(3)Shift Lever Seal
(4)Shift Lever Screw
(5)Shift Lever Assembly
(6)Flanged Prevailing Torque Nut
(7)Snap Ring
(8)SIR Coil
(9)SIR Coil and Harness Assembly
(10)Wave Washer
(11)Bearing Retainer
(12)Cam Orientation Plate
(13)Turn Signal Cancel Cam Assembly
(14)Upper Bearing Spring
(15)Thrust Washer
(16)Pan Head Tapping Screws
(17)TORX® Head Screw
(18)Ignition Lock Cylinder Case Assembly
(19)Pan Head Tapping Screw
(20)Ignition Switch Assembly
(21)TORX® Head Screws
(22)TORX® Head Screw
(23)Steering Column Housing Assembly
(24)Pan Head Tapping Screws
(25)Pan Head Tapping Screws
(26)Turn Signal and Multifunction Switch Assembly
(27)Axial Position Assurance Connector
(28)Bearing Retainer
(29)Steering Shaft Assembly
(30)Oval Head Soc Tap Screws
(31)Linear Shift Assembly
(32)Steering Column Jacket Assembly
(33)Automatic Transmission Shift Lock Control
(34)Adapter and Bearing Assembly
(35)Intermediate Shaft
(36)Hexagon Head Nut
(37)Bolt and Retainer Assembly

Steering Column Disassembled View Floor Shift Standard

Standard Steering Column


Object Number: 560767  Size: LF
(1)Upper Trim Cover
(2)Lower Trim Cover
(3)Flanged Prevailing Torque Nut
(4)Retaining Ring
(5)SIR Coil
(6)SIR Coil and Harness Assembly
(7)Wave Washer
(8)Bearing Retainer
(9)Shaft Lock
(10)Turn Signal Cancel Cam
(11)Upper Bearing Spring
(12)Thrust Washer
(13)Pan Head Tapping Screws
(14)TORX® Head Screw
(15)Ignition Lock Cylinder Case
(16)Pan Head Tapping Screw
(17)Ignition Switch Assembly
(18)Lock Bolt Spring
(19)Lock Bolt
(20)TORX® Head Screws
(21)Pan Head Tapping Screw
(22)Steering Column Housing Assembly
(23)Pan Head Tapping Screws
(24)Pan Head Tapping Screws
(25)Turn Signal Multifunction Switch Assembly
(26)Axial Position Assurance Connector
(27)Bearing Retainer
(28)Steering Shaft Assembly
(29)Steering Column Jacket Assembly
(30)Adapter and Bearing Assembly
(31)Intermediate Steering Shaft Assembly
(32)Bolt and Retainer Assembly