GM Service Manual Online
For 1990-2009 cars only

Removal Procedure

  1. Remove the instrument panel (I/P) bezel. Refer to Instrument Panel Cluster Trim Plate Bezel Replacement in Instrument Panel, Gages, and Console.
  2. Remove the knee bolster. Refer to Knee Bolster Replacement

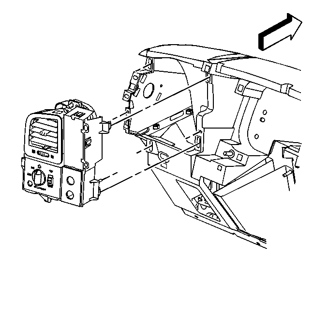
  3. Object Number: 362995  Size: SH
  4. Remove the air deflector housing from the I/P by prying it out.
  5. Disconnect the electrical connectors.
  6. Remove the air deflector screws.
  7. Remove the air deflector from the housing.

Installation Procedure


    Object Number: 362995  Size: SH
  1. Install the air deflector to the housing.
  2. Notice: Use the correct fastener in the correct location. Replacement fasteners must be the correct part number for that application. Fasteners requiring replacement or fasteners requiring the use of thread locking compound or sealant are identified in the service procedure. Do not use paints, lubricants, or corrosion inhibitors on fasteners or fastener joint surfaces unless specified. These coatings affect fastener torque and joint clamping force and may damage the fastener. Use the correct tightening sequence and specifications when installing fasteners in order to avoid damage to parts and systems.

  3. Install the retaining screws.
  4. Tighten
    Tighten the screws to 1.6 N·m (14 lb in).

  5. Connect the electrical connectors.
  6. Install the air deflector assembly to the I/P.
  7. Remove the knee bolster. Refer to Knee Bolster Replacement
  8. Install the I/P bezel. Refer to Instrument Panel Cluster Trim Plate Bezel Replacement in Instrument Panel, Gages, and Console.