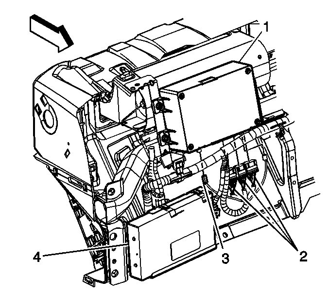
Important: Observe the routing of the cables.
Important: Ensure the cables are routed properly and there is no sharp bends in the cables.