GM Service Manual Online
For 1990-2009 cars only
Figure 1:

Instrument Panel-Left Rear Top


Object Number: 850358  Size: LF
(1)Instrument Cluster
(2)Instrument Cluster Connector
(3)C214-I/P Side
(4)C214-Headliner Side
(5)Instrument Cluster Brace
(6)Instrument Panel
Figure 2:

Analog Clock


Object Number: 877170  Size: LF
(1)Instrument Panel
(2)Remote Playback Device-CD Player
(3)Analog Clock
Figure 3:

Engine Oil Level Switch


Object Number: 750172  Size: LF
(1)A/C Compressor Clutch
(2)A/C Compressor Clutch Connector
(3)Engine Wiring Harness
(4)Engine Oil Level Sensor Connector
(5)Knock Sensor (KS) 2 Connector
(6)Knock Sensor (KS) 2
(7)Starter Relay Output (S-Terminal Feed)
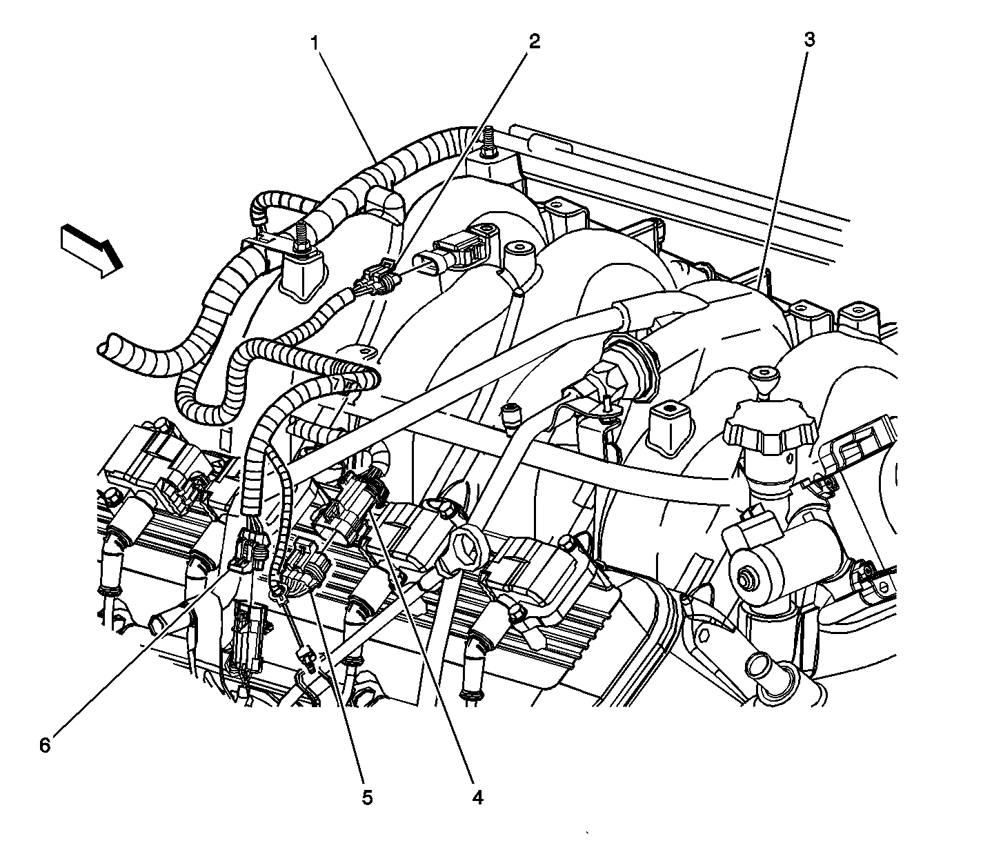
Figure 4:

Engine View-Upper Right (8.1L)


Object Number: 850364  Size: LF
(1)Engine Harness
(2)Manifold Absolute Pressure (MAP) Sensor
(3)Intake Manifold
(4)Ignition Coil Connector-Harness Side
(5)Ignition Coil Connector-Component Side
(6)Engine Coolant Temperature (ECT) Sensor Connector
Figure 5:

Full Engine View-Left Side (5.3L, 6.0L)


Object Number: 850366  Size: LF
(1)Manifold Absolute Pressure (MAP) Sensor
(2)Fuel Pressure Regulator
(3)Positive Crankcase Ventilation (PCV) Valve
(4)Left Bank Ignition Coils
(5)Oil Pan Cover
(6)Engine Coolant Temperature (ECT) Sensor
(7)Throttle Position (TP) Sensor
(8)Throttle Body
(9)Idle Air Control (IAC) Valve
(10)Evaporative Emission (EVAP) Canister Purge Solenoid
Figure 6:

Fuel Pump and Sender Assembly-Primary


Object Number: 850368  Size: LF
(1)Fuel Pump and Sender Assembly-Primary Connector
(2)Fuel Pump and Sender Assembly-Primary
Figure 7:

Fuel Pump and Sender Assembly-Secondary


Object Number: 850371  Size: LF
(1)Fuel Pump and Sender Assembly-Secondary
(2)Fuel Pump and Sender Assembly-Secondary Connector
Figure 8:

Engine Oil Pressure (EOP) Sensor (4.8L, 5.3L 6.0L)


Object Number: 774474  Size: LF
(1)Engine Oil Pressure (EOP) Sensor
(2)Camshaft Position (CMP) Sensor
(3)Camshaft Position (CMP) Sensor Connector
Figure 9:

Engine Oil Pressure (EOP) Sensor (8.1L)


Object Number: 750152  Size: LF
(1)Exhaust Gas Recirculation (EGR) Connector
(2)Exhaust Gas Recirculation (EGR) Valve
(3)Crankshaft Position (CKP) Sensor Connector
(4)Crankshaft Position (CKP) Sensor
(5)Engine Oil Pressure (EOP) Sensor
(6)Engine Oil Pressure (EOP) Sensor Connector
Figure 10:

Windshield Washer Reservoir


Object Number: 850375  Size: LF
(1)Forward Lamps Harness
(2)Windshield Washer Reservoir
(3)Windshield Washer Fluid Pump Connector
(4)Washer Fluid Level Sensor Connector
(5)Radiator Support