GM Service Manual Online
For 1990-2009 cars only
Makes
🢒
Cadillac
🢒
2003
🢒
Escalade EXT
🢒
Body and Accessories
🢒
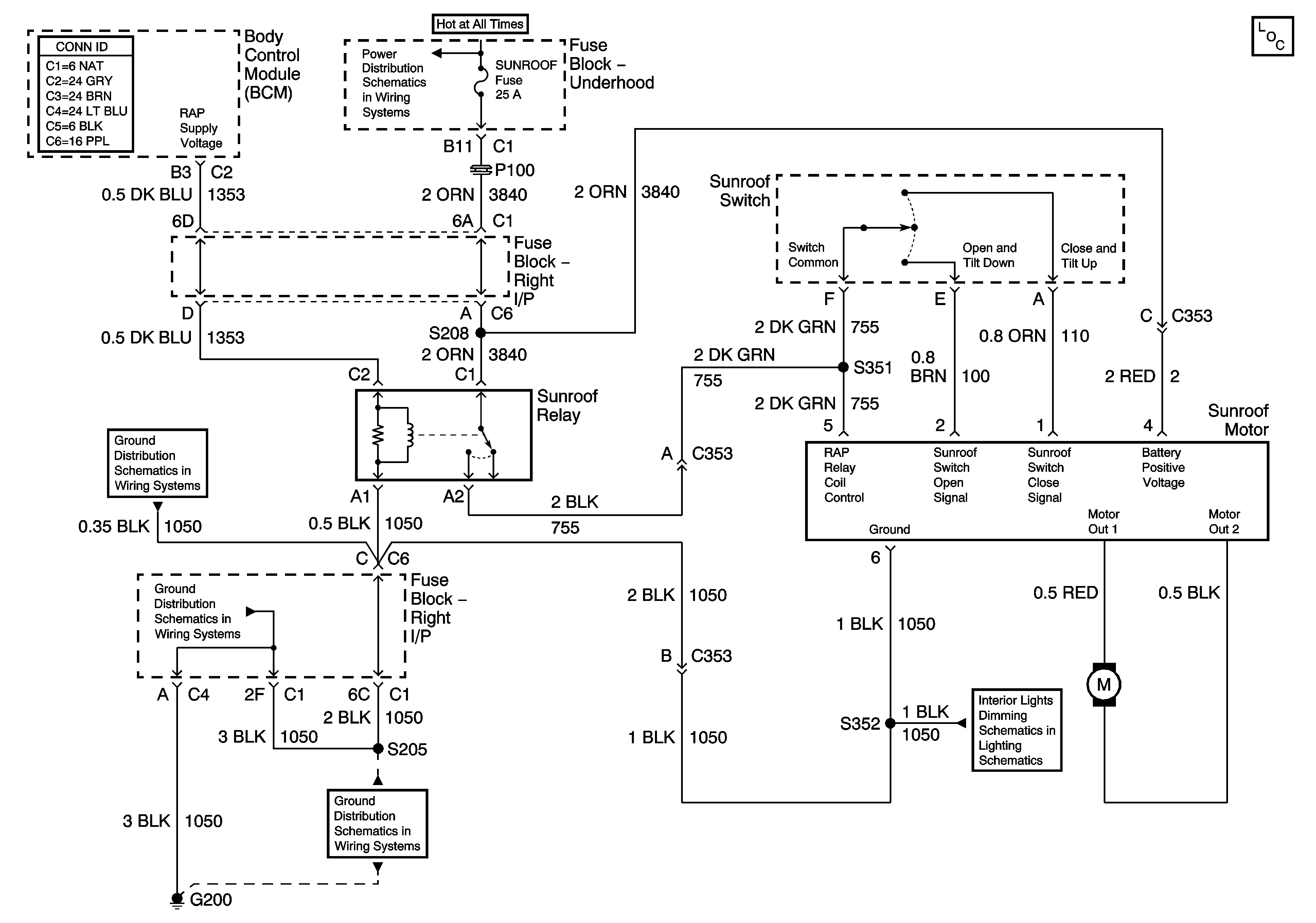
Roof
🢒 Sunroof Schematics