GM Service Manual Online
For 1990-2009 cars only

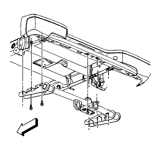
Removal Procedure


    Object Number: 399253  Size: SH
  1. Disconnect the trailer wiring harness.

  2. Object Number: 349060  Size: SH
  3. Remove the hitch platform bolts from the frame rails and the rear bumper.
  4. Remove the hitch platform from the vehicle.

Installation Procedure

  1. Position the hitch platform to the vehicle.

  2. Object Number: 349060  Size: SH

    Notice: Use the correct fastener in the correct location. Replacement fasteners must be the correct part number for that application. Fasteners requiring replacement or fasteners requiring the use of thread locking compound or sealant are identified in the service procedure. Do not use paints, lubricants, or corrosion inhibitors on fasteners or fastener joint surfaces unless specified. These coatings affect fastener torque and joint clamping force and may damage the fastener. Use the correct tightening sequence and specifications when installing fasteners in order to avoid damage to parts and systems.

  3. Install the platform hitch bolts to the frame rails and the rear bumper.
  4. Tighten
    Tighten the bolts to 125 N·m (92 lb ft).


    Object Number: 399253  Size: SH
  5. Connect the trailer wiring harness.