GM Service Manual Online
For 1990-2009 cars only

    Object Number: 181573  Size: SH
  1. Remove all electrical connectors (1-6) from the electrical components.

  2. Object Number: 405022  Size: SH
  3. Remove the TCC PWM retainer clip (395).
  4. Remove the TCC PWM solenoid (396).

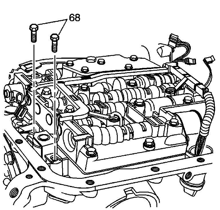
  5. Object Number: 880287  Size: SH
  6. Remove the TCC solenoid bolts (68).

  7. Object Number: 880289  Size: SH
  8. Remove the TCC solenoid and wiring harness (66). Turn the wiring harness over so that it hangs over the side of the transmission.

  9. Object Number: 829171  Size: SH
  10. Remove the transmission fluid pressure (TFP) manual valve position switch assembly bolts (62, 70).
  11. Remove the TFP manual valve position switch (69).

  12. Object Number: 13263  Size: SH
  13. Remove the manual detent spring bolt (64).
  14. Remove the manual detent spring assembly (63).

  15. Object Number: 880291  Size: SH
  16. Remove all valve body bolts (62).
  17. Remove the fluid level indicator stop bracket (93).

  18. Object Number: 5449  Size: SH
  19. Lift the valve body carefully so that the checkballs remain on the spacer plate in the correct location. While lifting the valve body, disconnect the manual valve link from the manual valve.

  20. Object Number: 13132  Size: SH

    Notice: Do not use a magnet in order to remove the control valve body ball check valves. This may magnetize the control valve body ball check valves, causing metal particles to stick to them.

  21. Remove the seven valve body checkballs (2-6, 8, 12).

  22. Object Number: 828119  Size: SH
  23. Remove the accumulator cover bolts (58, 59).
  24. Remove the 1-2 accumulator cover and pin assembly (57).
  25. Disassemble the 1-2 accumulator assembly (54, 56, 57, 104).

  26. Object Number: 5452  Size: SH
  27. Remove the spacer plate support bolts (77).
  28. Remove the spacer plate support (53).

  29. Object Number: 5453  Size: SH
  30. Remove the valve body gasket (52), the valve body spacer plate (48) and the case gasket (47).
  31. Discard gaskets. Do not reuse.


    Object Number: 829176  Size: SH
  32. Remove the 3-4 accumulator spring (model dependent) and the 3-4 accumulator piston.

  33. Object Number: 5455  Size: SH

    Notice: Do not use a magnet in order to remove the control valve body ball check valves. This may magnetize the control valve body ball check valves, causing metal particles to stick to them.

  34. Remove the case checkball (#1).