GM Service Manual Online
For 1990-2009 cars only

Tools Required

    • J 25025-5 Dial Indicator Mounting Post M6 x 1.00
    • J 36850 Transjel Lubricant

    Object Number: 7741  Size: SH
  1. Install the checkballs (2-6, 8, 12) in the valve body and retain checkballs with J 36850 or an equivalent.

  2. Object Number: 7742  Size: SH
  3. Install the valve body over the J 25025-5 Guide Pins, and connect the manual valve link to the manual valve.
  4. Install two bolts to hold the valve body in place.
  5. Remove the J 25025-5 .

  6. Object Number: 880291  Size: SH
  7. Install the fluid level indicator stop bracket (93) and the valve body bolts (62) that are shown only.
  8. Finger tighten the bolts.

  9. Object Number: 829178  Size: SH
  10. Inspect the Transmission Fluid Pressure (TFP) Manual Valve Position Switch Assembly for the following conditions:
  11. • Damage
    • Debris
    • Damaged or missing O-rings
    • Cracked connector
    • Loose pins
    • Poor terminal retension
    • Sediment in switch membrane

    Object Number: 829171  Size: SH
  12. Install the TFP manual valve position switch (69) and bolts (62, 70).

  13. Object Number: 880294  Size: SH
  14. Inspect the wiring harness solenoid assembly for the following conditions:
  15. • Damage
    • Cracked connectors
    • Exposed wires
    • Loose pins
    • Poor terminal retension

    Object Number: 880287  Size: SH
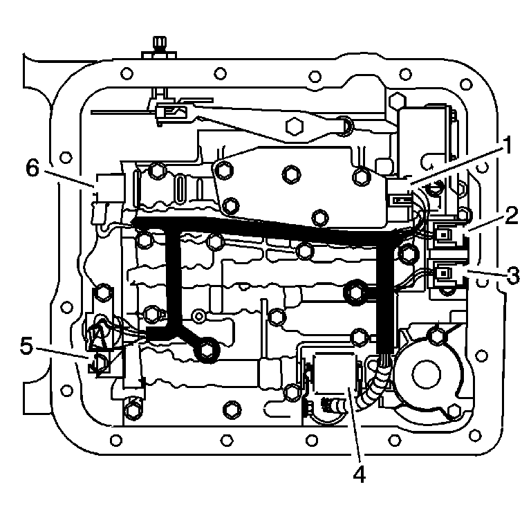
  16. Install the transmission wiring harness on the valve body.
  17. Install the TCC solenoid valve and bolts (68).

  18. Object Number: 880285  Size: SH

    Important: You must tighten certain bolts in a spiral pattern as indicated. If you tighten these bolts at random you may distort valve bores. This will inhibit valve operation.

    Notice: Use the correct fastener in the correct location. Replacement fasteners must be the correct part number for that application. Fasteners requiring replacement or fasteners requiring the use of thread locking compound or sealant are identified in the service procedure. Do not use paints, lubricants, or corrosion inhibitors on fasteners or fastener joint surfaces unless specified. These coatings affect fastener torque and joint clamping force and may damage the fastener. Use the correct tightening sequence and specifications when installing fasteners in order to avoid damage to parts and systems.

  19. Tighten the bolts in the order shown.
  20. Tighten
    Tighten the bolts to 11 N·m (8 lb ft).

    Each bolt number refers to a specific bolt size, as indicated by the following list:

    • 1 -- M6 x 1.0 x 65.0
    • 2 -- M6 x 1.0 x 54.4
    • 3 -- M6 x 1.0 x 47.5
    • 4 -- M6 x 1.0 x 35.0
    • 5 -- M8 x 1.25 x 20.0
    • 6 -- M6 x 1.0 x 12.0
    • 7 -- M6 x 1.0 x 18.0

    Object Number: 405022  Size: SH
  21. Install the TCC PWM solenoid valve (396) and the solenoid retainer (395).

  22. Object Number: 880285  Size: SH
  23. Connect all electrical connectors (1-6) to the electrical components.