GM Service Manual Online
For 1990-2009 cars only
Makes
🢒
Cadillac
🢒
2003
🢒
Escalade EXT
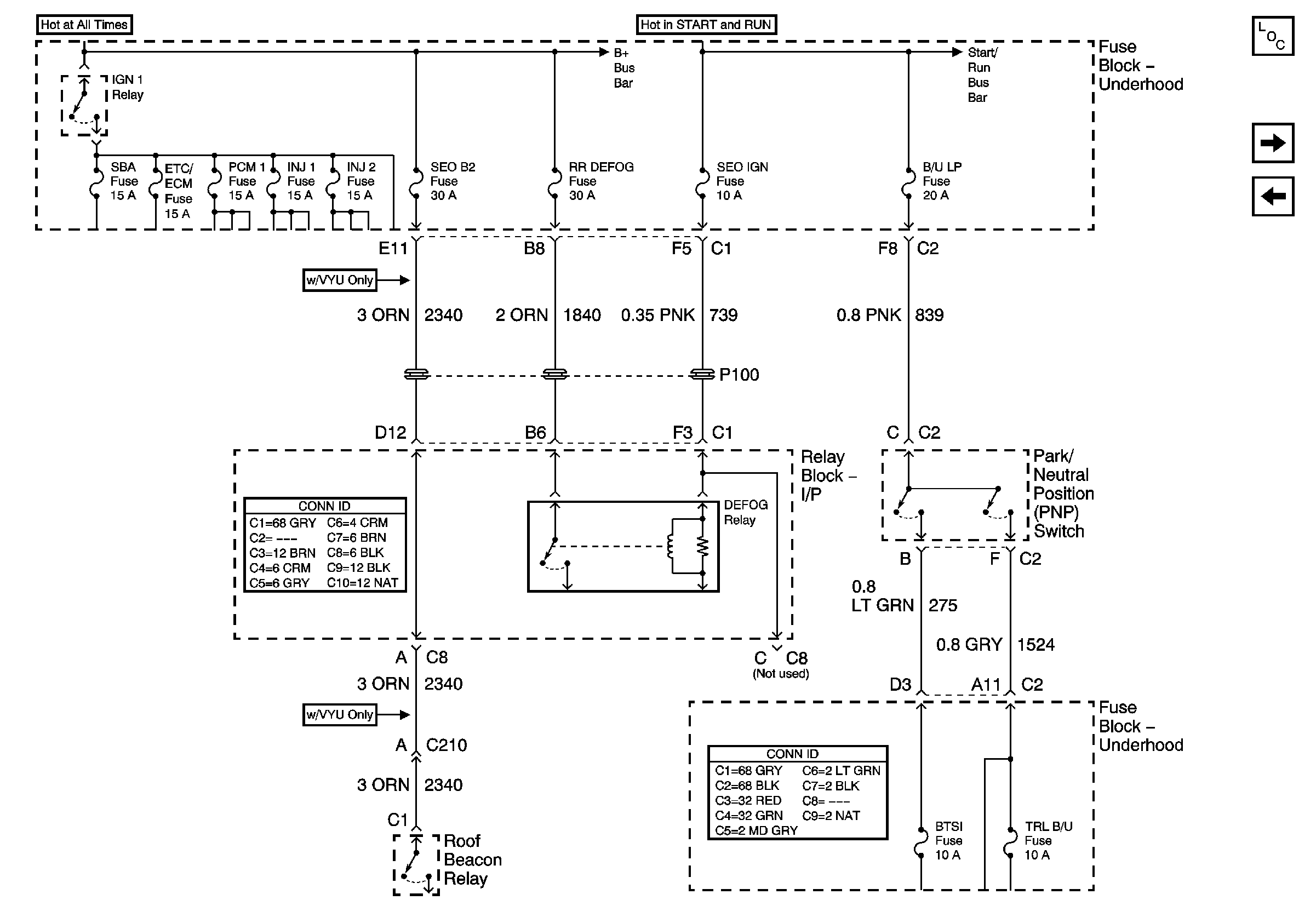
🢒 IGN 1 Relay Bus, SEO B2, RR DEFOG, SEO IGN, B/ULP
IGN 1 Relay Bus, SEO B2, RR DEFOG, SEO IGN, B/ULP
IGN 1 Relay Bus, SEO B2, RR DEFOG, SEO IGN, B/U LP
Master Electrical Component List
FLASH
LBEC 1, LBEC 2, MBEC 1
B+ Bus Bar - 1 of 2
Ignition, Run, Start, Accy Bus Bar