GM Service Manual Online
For 1990-2009 cars only
Makes
🢒
Cadillac
🢒
2003
🢒
Escalade EXT
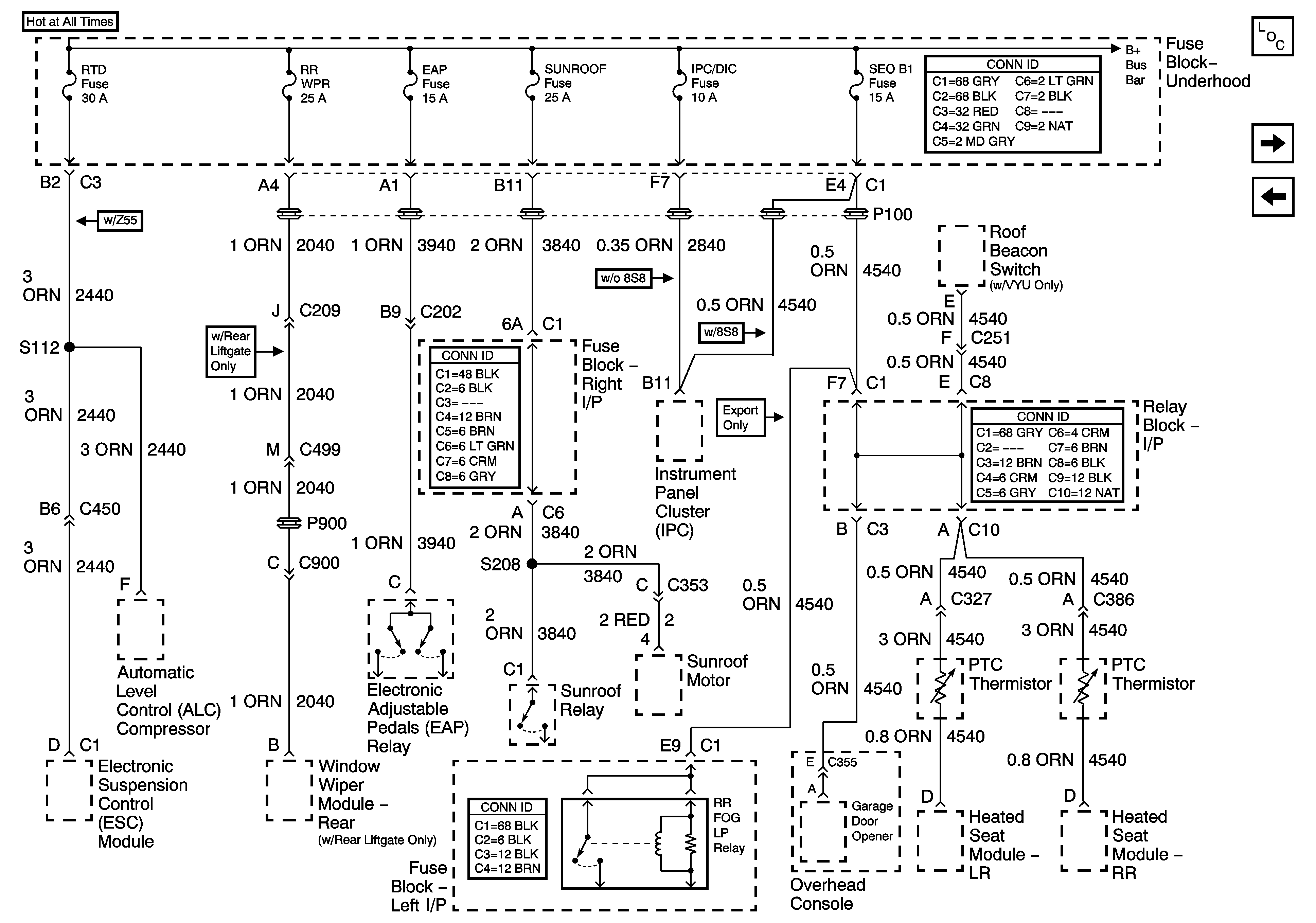
🢒 RTD, RR WPR, EAP, SUNROOF, IPC/DIC, SEO B1
RTD, RR WPR, EAP, SUNROOF, IPC/DIC, SEO B1
RTD, RR WPR, EAP, SUNROOF, IPC/DIC, SEO B1
Master Electrical Component List
HVAC/ECAS, RR HVAC, BLOWER, RR DEFOG, STOP LP, TREC
INFO, CGR LTR
B+ Bus Bar - 1 of 2