GM Service Manual Online
For 1990-2009 cars only
Makes
🢒
Cadillac
🢒
2003
🢒
Escalade EXT
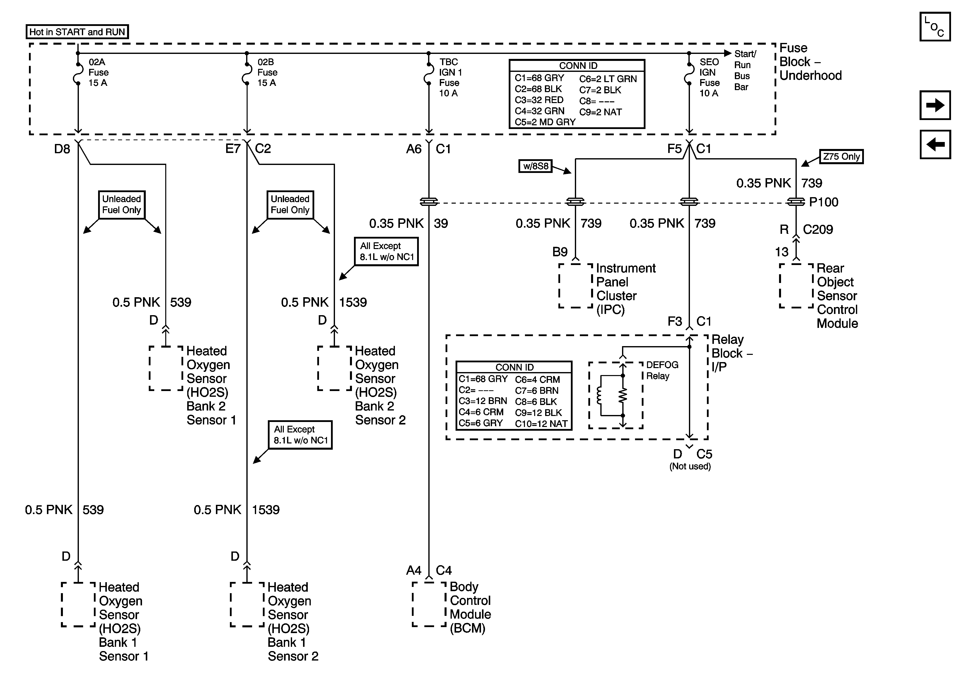
🢒 O2A, O2B, TBC IGN 1, SEO IGN
O2A, O2B, TBC IGN 1, SEO IGN
O2A, O2B, TBC IGN 1, SEO IGN
Master Electrical Component List
IGN E
IGN 0, TBC IGN 0, TBC ACCY, SEO ACCY, WS WIPER, RR WIPER
Ignition, Run, Start, Accy Bus Bar