GM Service Manual Online
For 1990-2009 cars only
Makes
🢒
Cadillac
🢒
2003
🢒
Escalade EXT
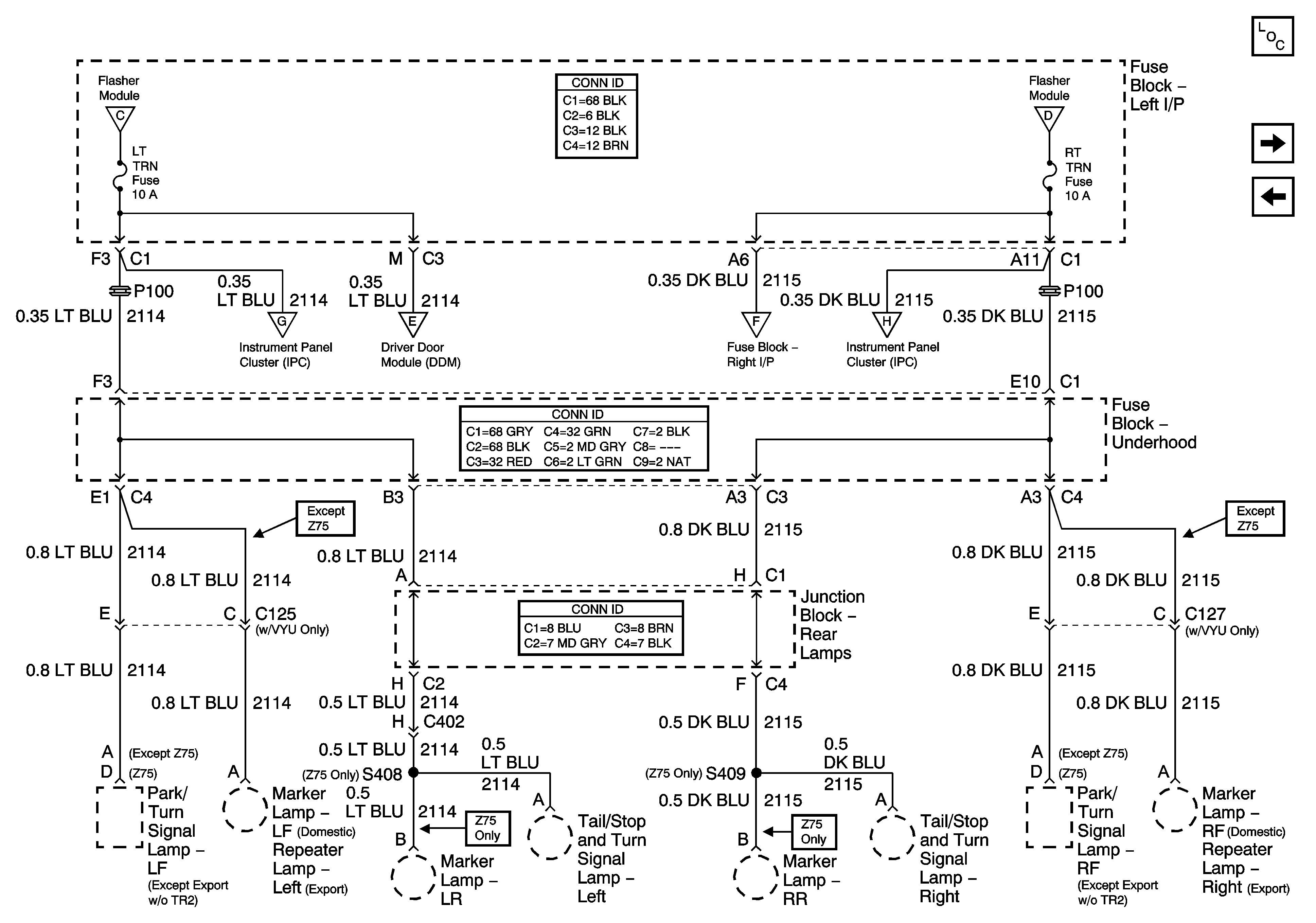
🢒 LR TRN, RT TRN - 1 of 2
LR TRN, RT TRN - 1 of 2
LT TRN, RT TRN
Master Electrical Component List
LT TRN, RT TRN - 2 of 2
VEH CHMSL, VEH STOP, LT TRL ST/TRN, RT TRL ST/TRN
LH HID, RT HID, PCM B, CRANK, HORN, SIR
LH HID, RT HID, PCM B, CRANK, HORN, SIR
LT TRN, RT TRN - 2 of 2