GM Service Manual Online
For 1990-2009 cars only
Makes
🢒
Cadillac
🢒
2003
🢒
Escalade EXT
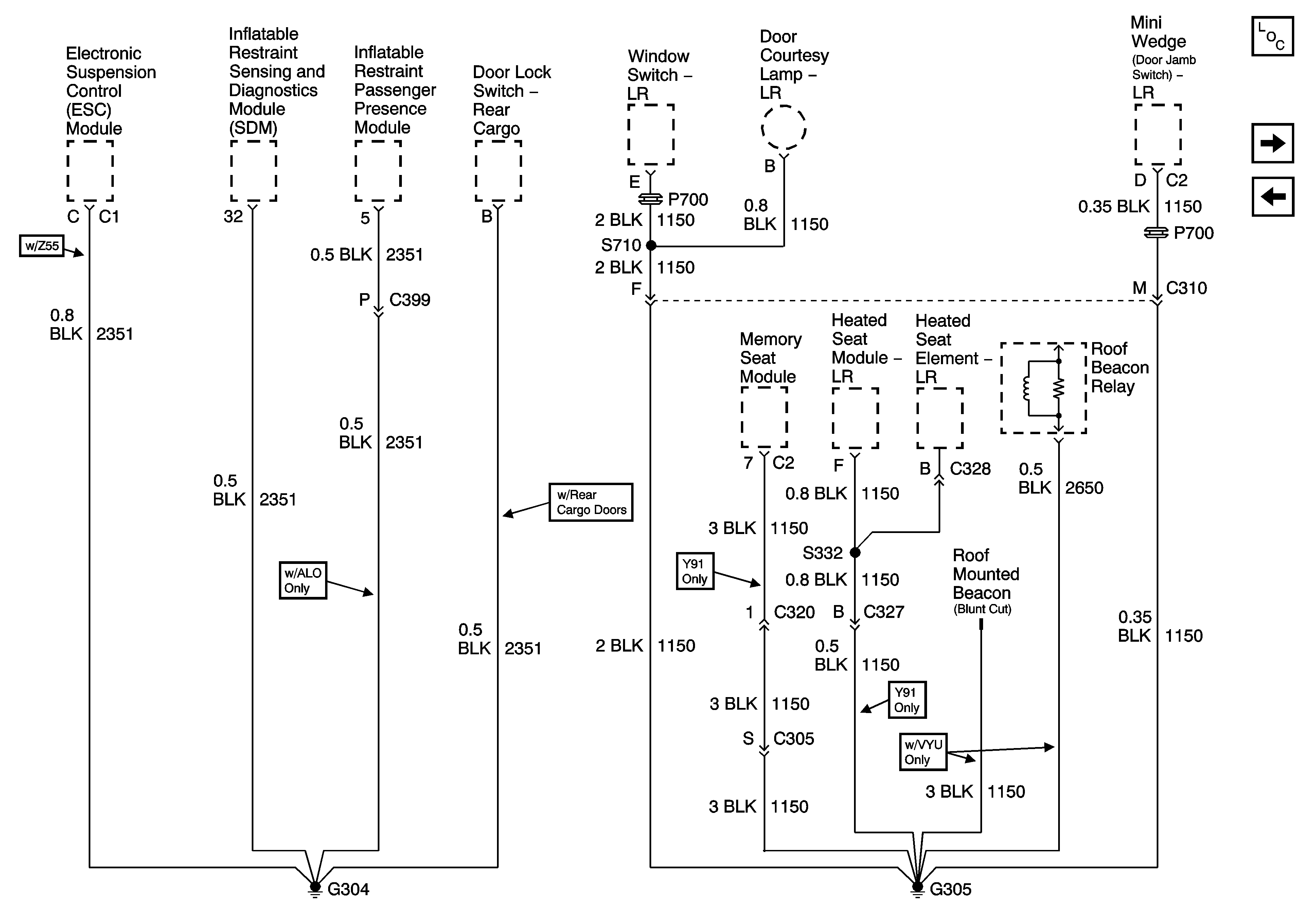
🢒 G304, G305
G304, G305
G304, G305
Master Electrical Component List
G306
G203 - 3 of 3