GM Service Manual Online
For 1990-2009 cars only
Makes
🢒
Cadillac
🢒
2003
🢒
Escalade EXT
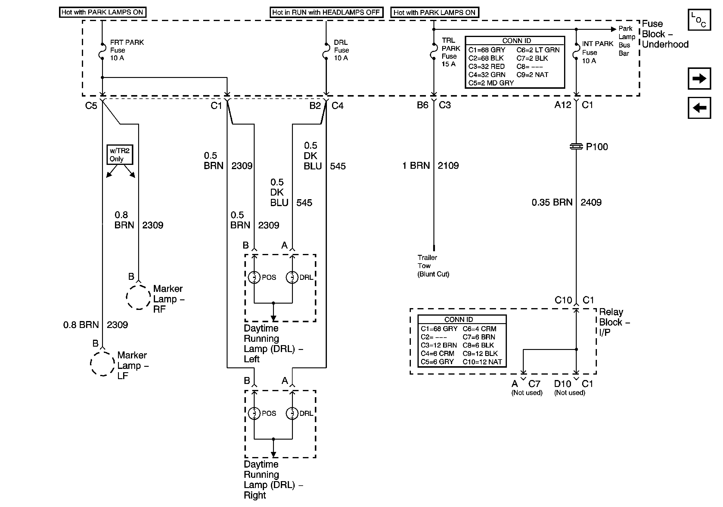
🢒 FRT PARK, DRL, TRL PARK, INTPARK - Export
FRT PARK, DRL, TRL PARK, INTPARK - Export
FRT PARK, DRL, TRL PARK, INTPARK - Export
Master Electrical Component List
VEH CHMSL, VEH STOP, LT TRL ST/TRN, RT TRL ST/TRN
FRT PARK, INTPARK, TRL PARK - Domestic
B+ Bus Bar - 2 of 2