GM Service Manual Online
For 1990-2009 cars only
Makes
🢒
Cadillac
🢒
2003
🢒
Escalade EXT
🢒 Digital Radio Receiver - UQ7 w/ Y91 and U2K/U2L
Digital Radio Receiver - UQ7 w/ Y91 and U2K/U2L
Digital Radio Receiver - UQ7 w/Y91 and U2K/U2L
Master Electrical Component List
Radio/Audio System Description and Operation
Rear Seat Entertainment - UQ7 w/ Y91 and U42
Remote CD Player - UQ7 w/ Y91 and U1S
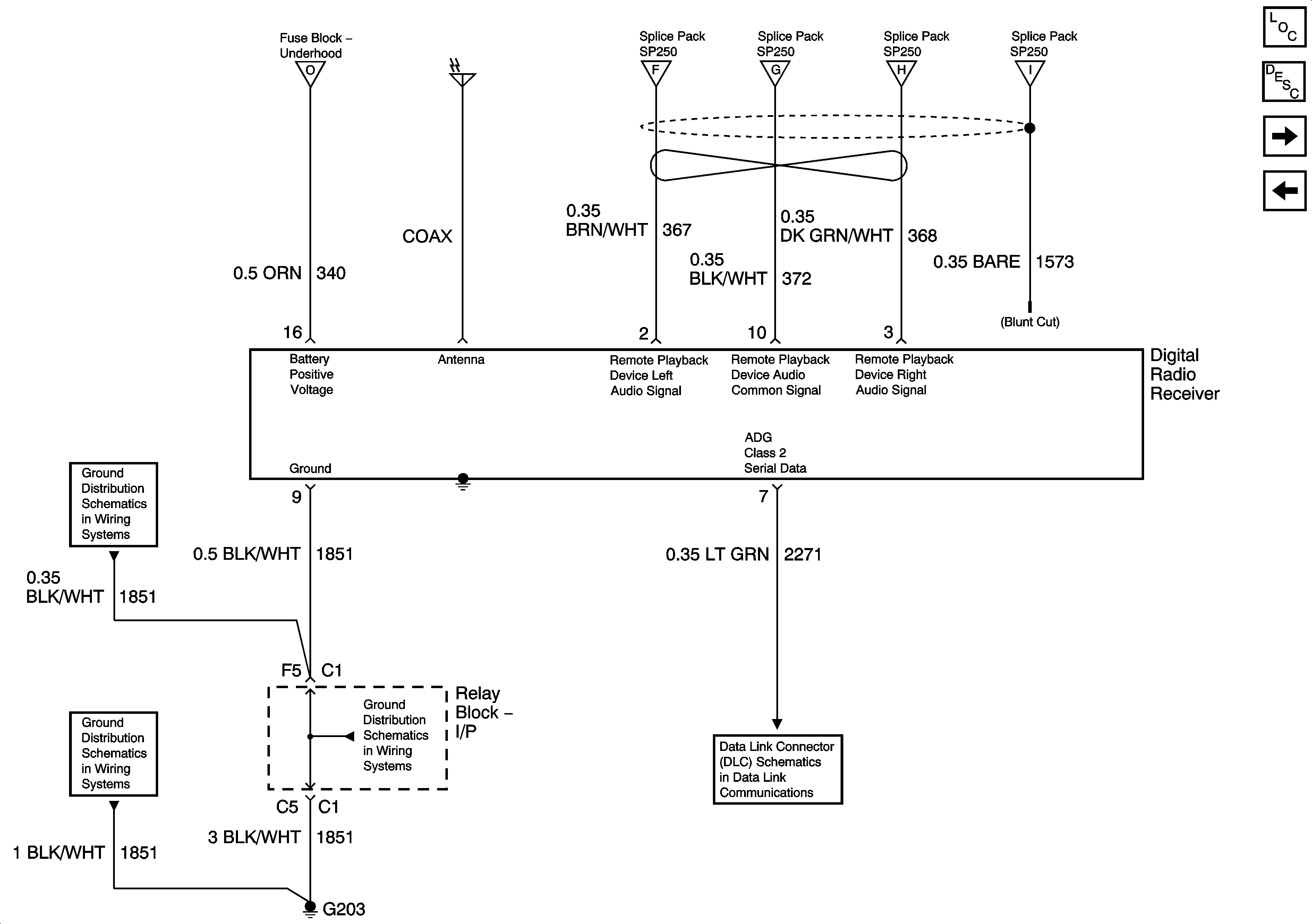
Radio Power, Ground, Audio Signals - UQ7 w/Y91
Audio Signals - UQ7 w/ Y91 - 2 of 2
G203 - 2 Of 2
G203 - 1 Of 2
G203 - 1 Of 2
SP207 - Base and Uplevel