GM Service Manual Online
For 1990-2009 cars only
Makes
🢒
Cadillac
🢒
2003
🢒
Escalade EXT
🢒 OnStar - Except Y91
OnStar - Except Y91
Except Y91
Master Electrical Component List
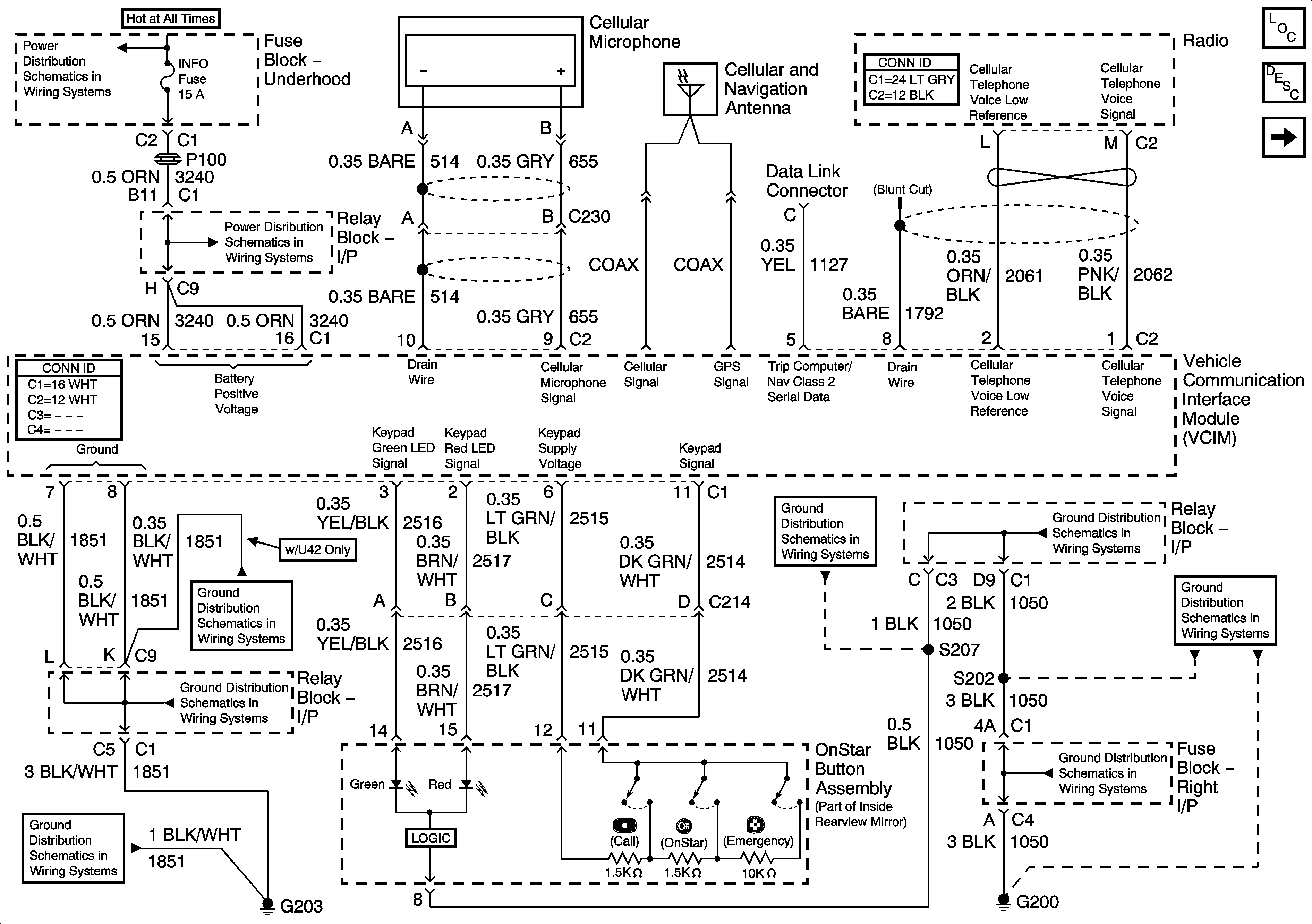
OnStar Description and Operation
OnStar - Y91 Only
B+ Bus Bar - 1 of 2
INFO, CGR LTR
G203 - 1 Of 2
G203 - 1 Of 2
G203 - 1 Of 2
G200 - 3 Of 3
G200 - 1 of 3
G200 - 1 of 3
G200 - 3 Of 3