GM Service Manual Online
For 1990-2009 cars only
Makes
🢒
Cadillac
🢒
2003
🢒
Escalade EXT
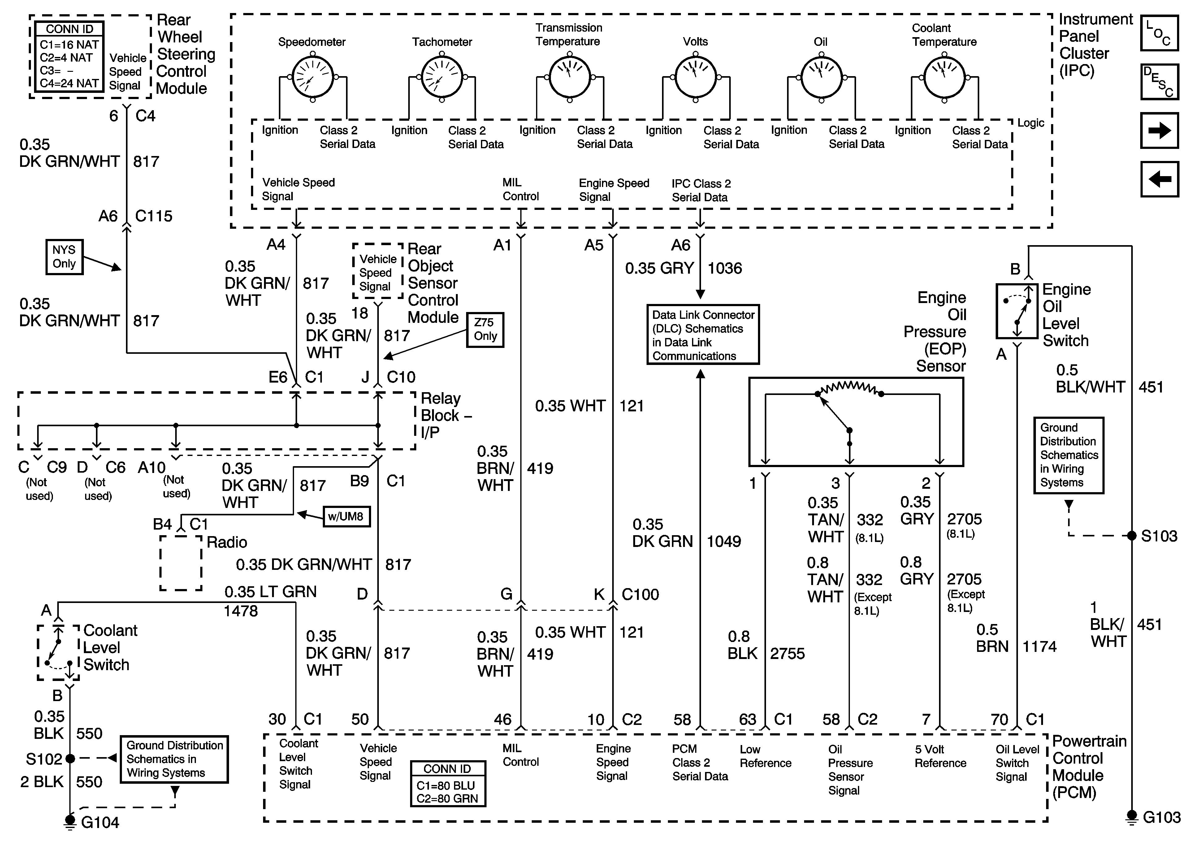
🢒 Gauges, VSS, Engine Oil Signals
Gauges, VSS, Engine Oil Signals
Gages, VSS, Engine Oil Signals
Master Electrical Component List
Instrument Cluster Description and Operation
Indicators, DIC Controls, Washer Fluid Level Sensor
Power, Ground, Serial Data
G104, G107
SP205 - 1 of 2
G102, G103