GM Service Manual Online
For 1990-2009 cars only
Makes
🢒
Cadillac
🢒
2003
🢒
Escalade EXT
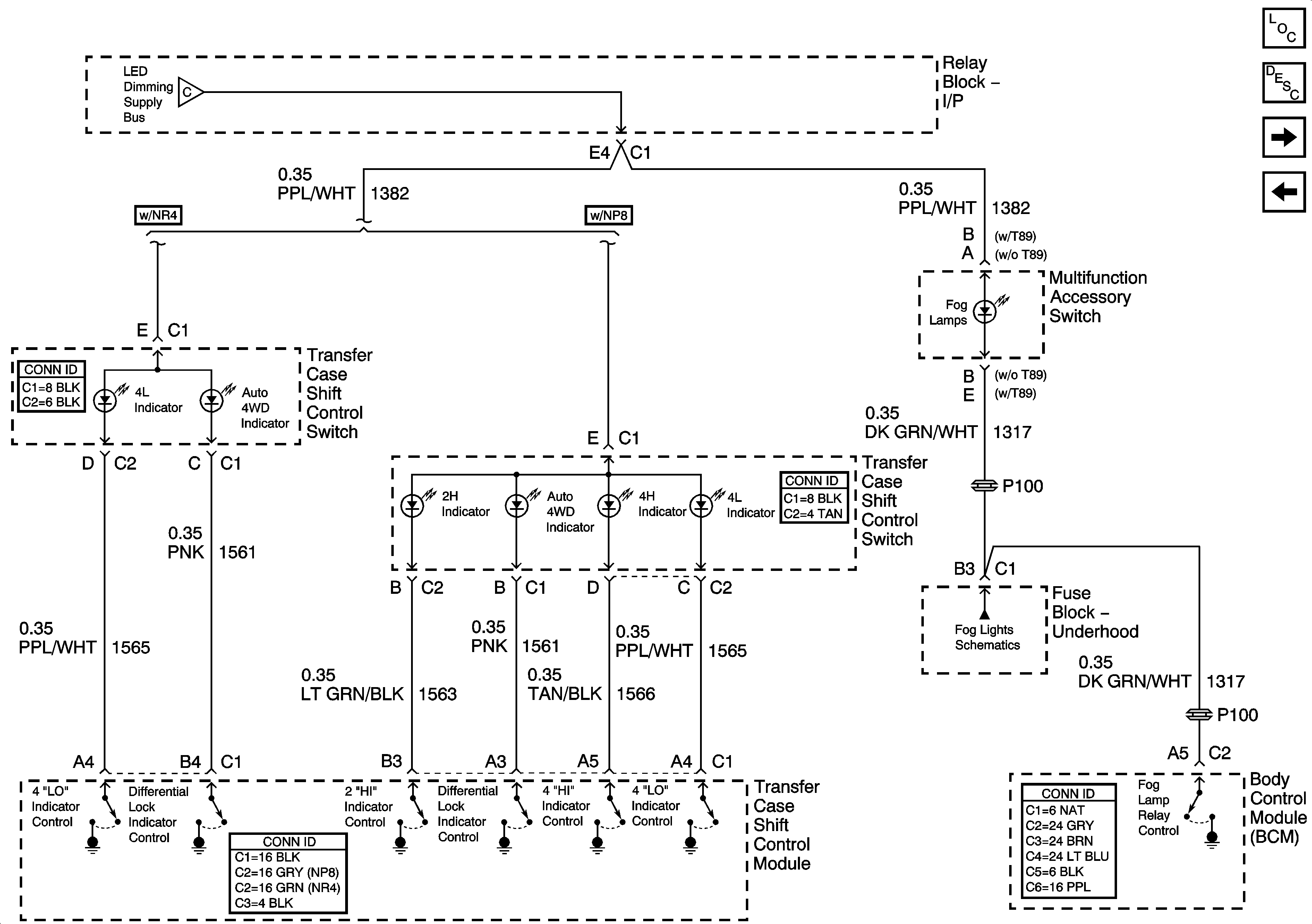
🢒 LED Dimming Supply Voltage - 2 of 2
LED Dimming Supply Voltage - 2 of 2
LED Dimming Supply Voltage - 2 of 2
Master Electrical Component List
Interior Lighting Systems Description and Operation
I/P Dimming Supply Voltage - 1 of 7
LED Dimming Supply Voltage - 1 of 2
LED Dimming Supply Voltage - 1 of 2
Front