GM Service Manual Online
For 1990-2009 cars only
Makes
🢒
Cadillac
🢒
2003
🢒
Escalade EXT
🢒 Power and Ground
Power and Ground
Power and Ground
Master Electrical Component List
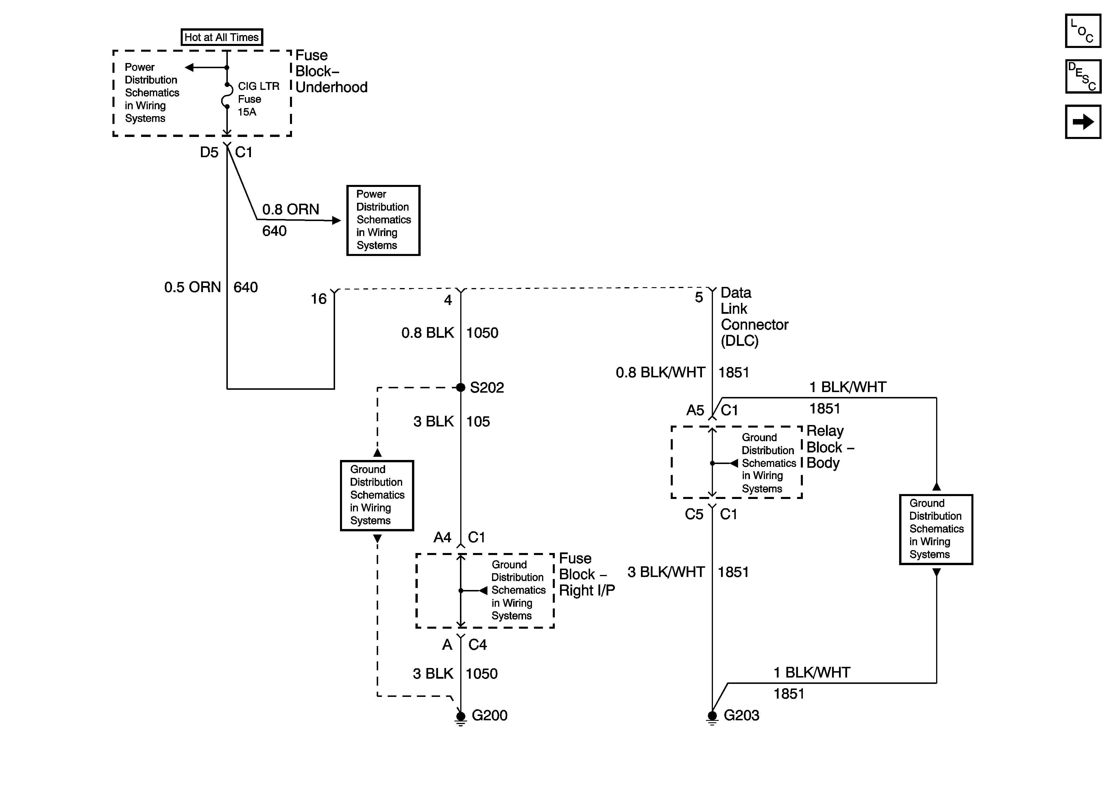
Data Link Communications Description and Operation
SP205 - 1 of 2
INFO, CGR LTR
INFO, CGR LTR
G200 - 1 of 3
G200 - 1 of 3
G203 - 1 Of 2
G203 - 1 Of 2