GM Service Manual Online
For 1990-2009 cars only
Makes
🢒
Cadillac
🢒
2003
🢒
Escalade EXT
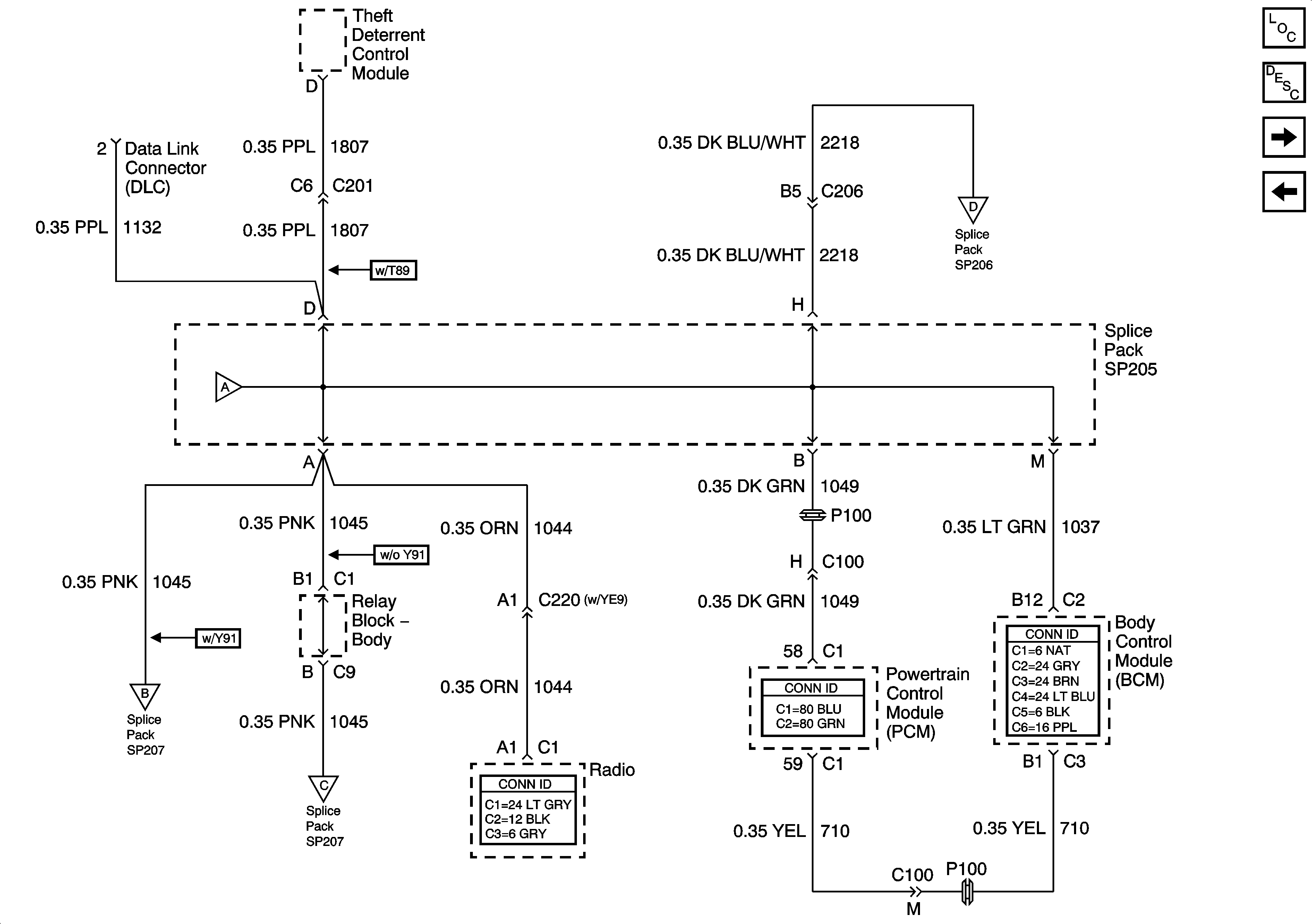
🢒 SP205 - 2 of 2
SP205 - 2 of 2
SP205 - 2 of 2
Master Electrical Component List
Data Link Communications Description and Operation
SP206
SP205 - 1 of 2
SP206
SP205 - 1 of 2
SP207 - Luxury
SP207 - Base and Uplevel