GM Service Manual Online
For 1990-2009 cars only
Makes
🢒
Cadillac
🢒
2003
🢒
Escalade EXT
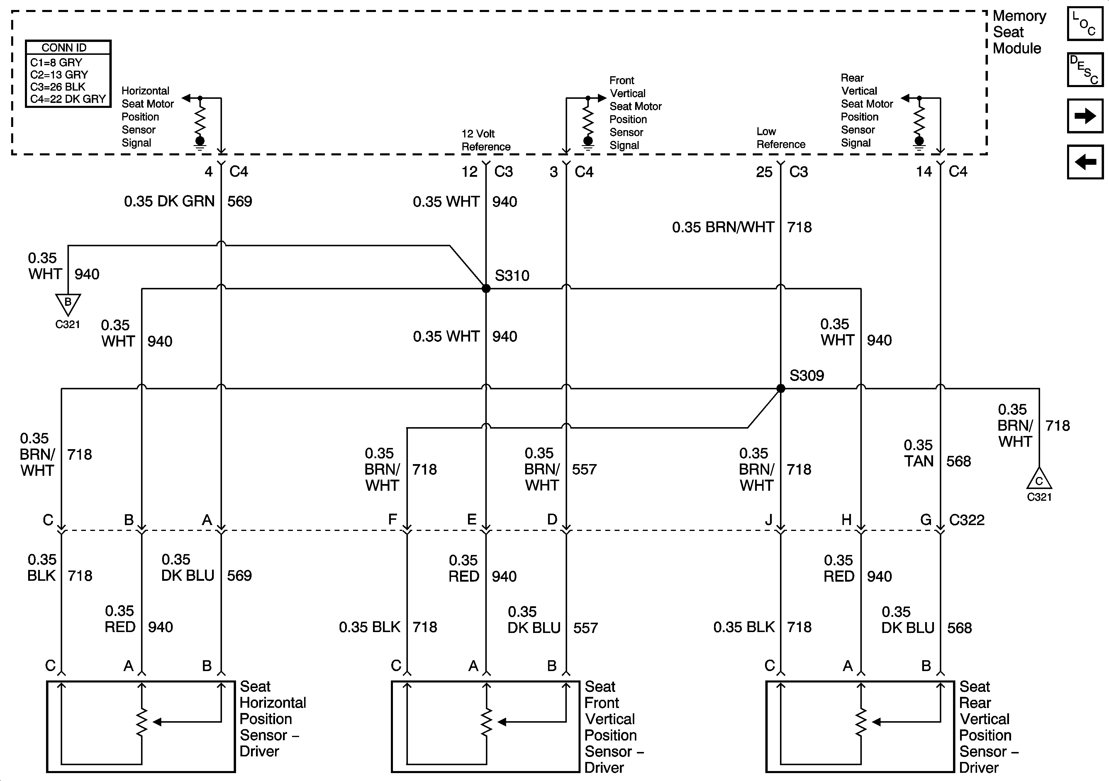
🢒 Seat Position Sensors - 1 of 2
Seat Position Sensors - 1 of 2
Seat Position Sensors (1 of 2)
Master Electrical Component List
Memory Seats Description and Operation
Seat Position Sensors - 2 of 2
Seat Motors - 2 of 2
Seat Position Sensors - 2 of 2
Seat Position Sensors - 2 of 2