GM Service Manual Online
For 1990-2009 cars only
Makes
🢒
Cadillac
🢒
2003
🢒
Escalade EXT
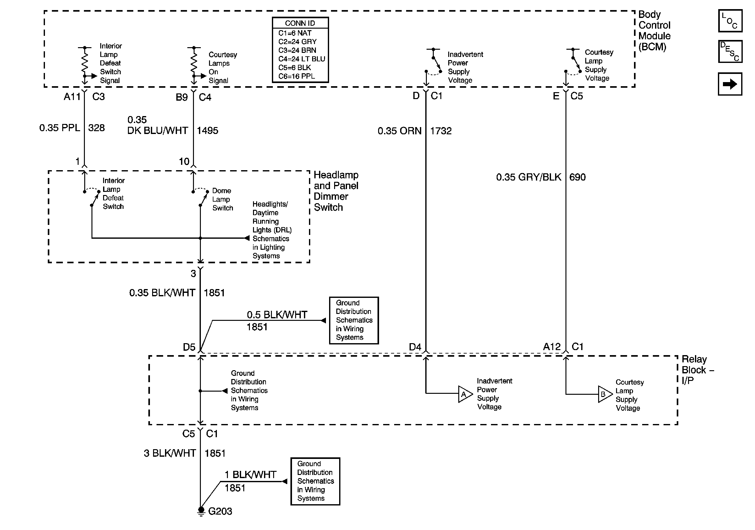
🢒 Inadvertent Power Supply Voltage - 1 of 3 and Courtesy Lamp Supply Voltage 1 of 4
Inadvertent Power Supply Voltage - 1 of 3 and Courtesy Lamp Supply Voltage 1 of 4
Inadvertent Power Supply Voltage - 1 of 3 and Courtesy Lamp Supply Voltage - 1 of 4
Master Electrical Component List
Interior Lighting Systems Description and Operation
Inadvertent Power Supply Voltage - 2 of 3
Headlights/DRL Controls
G203 - 2 Of 2
G203 - 2 Of 2
Inadvertent Power Supply Voltage - 2 of 3
Courtesy Lamp Supply Voltage - 2 of 4
G203 - 1 Of 2