GM Service Manual Online
For 1990-2009 cars only
Makes
🢒
Cadillac
🢒
2003
🢒
Escalade EXT
🢒 Headlights
Headlights
Headlights
Master Electrical Component List
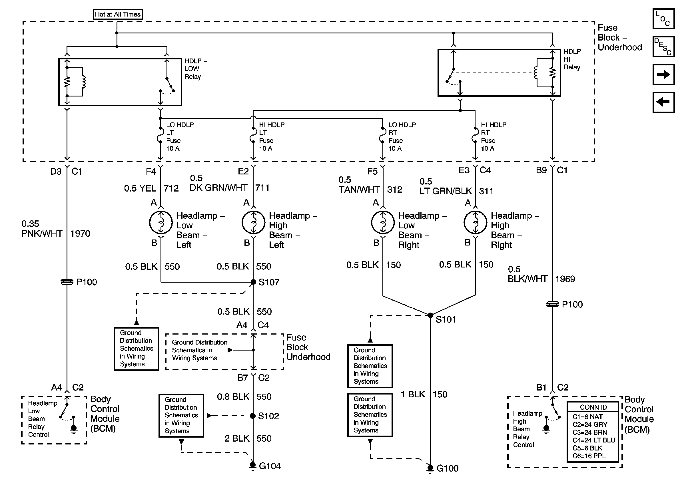
Exterior Lighting Systems Description and Operation
Headlights (w/Z75)
Headlights/DRL Controls
G104, G107
G104, G107
G104, G107
G100, G101, G105, G106
G100, G101, G105, G106