Fuel Tank Draining Single Tank
Caution: Gasoline or gasoline vapors are highly flammable. A fire could occur
if an ignition source is present. Never drain or store gasoline or diesel
fuel in an open container, due to the possibility of fire or explosion. Have
a dry chemical (Class B) fire extinguisher nearby.
- Loosen the fuel fill cap in order to relieve
the fuel tank vapor pressure.
- Raise and suitably support the vehicle. Refer to
Lifting and Jacking the Vehicle
in General Information.
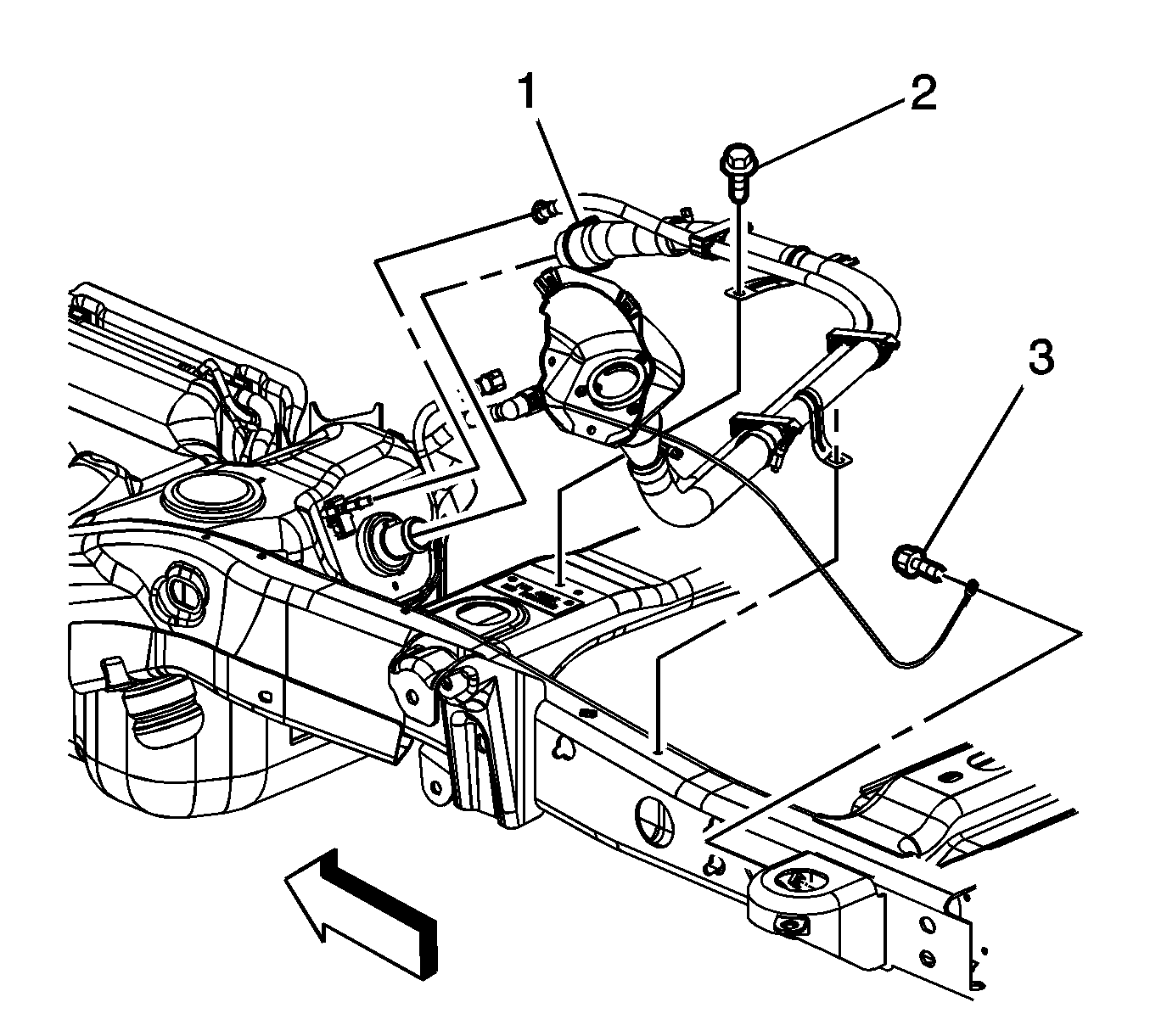
- Loosen the fuel fill hose clamp (1).
- If necessary, remove the fill pipe bracket bolts (2) in order to remove
the fill hose from the fuel tank.
- Remove the fuel fill hose from the fuel tank.
- Insert the hose from the pump devise into the fuel tank.
- Using a hand or air operated pump device, drain as much fuel from the
tank as possible.
Fuel Tank Draining Dual Tanks - Front
Tools Required
J 45004 Fuel Tank Siphon Hose
Caution: Gasoline or gasoline vapors are highly flammable. A fire could occur
if an ignition source is present. Never drain or store gasoline or diesel
fuel in an open container, due to the possibility of fire or explosion. Have
a dry chemical (Class B) fire extinguisher nearby.
- Remove the fuel fill cap.
- Raise and suitably support the vehicle. Refer to
Lifting and Jacking the Vehicle
in General Information.
- Loosen the fuel fill hose clamp at the front tank.
- Remove the fuel fill hose from the front tank.
- Insert the siphon hose from J 45004
into the fuel tank.
- Attach the siphon hose from J 45004
to the pump devise hose.
- Using a hand or air operated pump device, drain as much fuel from the
tank as possible.
Fuel Tank Draining Dual Tanks - Rear
Tools Required
J 45004 Fuel Tank Siphon Hose
Caution: Gasoline or gasoline vapors are highly flammable. A fire could occur
if an ignition source is present. Never drain or store gasoline or diesel
fuel in an open container, due to the possibility of fire or explosion. Have
a dry chemical (Class B) fire extinguisher nearby.
- Remove the fuel fill cap.
- Remove the fuel tank filler housing to body TORX® screws (1) and retainer
(2).
- Remove the fuel tank filler housing to fuel tank
fill pipe screws.
- Remove the filler housing.
- Raise and suitably support the vehicle.
Refer to
Lifting and Jacking the Vehicle
in
General Information.
- Loosen the fill hose clamp at the rear tank.
- Remove the fill hose from the rear tank.
- Insert the siphon hose from J 45004
into the fuel tank.
- Attach the siphon hose from J 45004
to the pump devise.
- Using a hand or air operated pump device, drain as much fuel from the
tank as possible.
Fuel Tank Draining 5.3L (L59) Engine
Caution: Gasoline or gasoline vapors are highly flammable. A fire could occur
if an ignition source is present. Never drain or store gasoline or diesel
fuel in an open container, due to the possibility of fire or explosion. Have
a dry chemical (Class B) fire extinguisher nearby.
- Loosen the fuel fill cap in order to relieve
the fuel tank vapor pressure.
- Raise and suitably support the vehicle. Refer to
Lifting and Jacking the Vehicle
in General Information.
- Loosen the fuel fill hose clamp (11).
- Disconnect the fuel fill hose from the fuel fill pipe.
- Remove the flame arrester screen.
- Using a hand or air operated pump device, drain as much fuel from the
tank as possible.