GM Service Manual Online
For 1990-2009 cars only

Removal Procedure

  1. If equipped with air conditioning (A/C), set the air flow control to the instrument panel (IP) vent position.
  2. Apply the parking brake to prevent the vehicle from moving.
  3. If the transmission is automatic, move the shift lever all the way down.
  4. Tilt the steering wheel to the full down position.
  5. Remove the IP cluster trim plate bezel. Refer to Instrument Panel Cluster Trim Plate Bezel Replacement .

  6. Object Number: 348724  Size: SH
  7. Remove the end panels. The left panel is shown, and the right panel is similar.
  8. Remove the right side air outlets.

  9. Object Number: 348728  Size: SH
  10. Remove the assist handle by depressing the release tabs accessed through the air outlet duct holes.
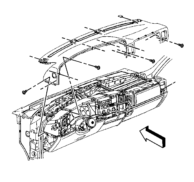
  11. Remove the windshield pillar garnish moldings. Refer to Windshield Pillar Garnish Molding Replacement in Interior Trim.
  12. Remove the bolts retaining the panel to IP assembly.

  13. Object Number: 350507  Size: SH
  14. Lift the trim panel up to disconnect the electrical connector (1) to the ambient light sensor on the underside of the trim panel.

  15. Object Number: 348717  Size: SH
  16. Remove the trim panel from the IP assembly.

Installation Procedure


    Object Number: 350507  Size: SH
  1. Connect the electrical connector (1) to the ambient light sensor on the underside of the trim panel.

  2. Object Number: 348717  Size: SH
  3. Install the trim panel to the IP assembly.
  4. Notice: Use the correct fastener in the correct location. Replacement fasteners must be the correct part number for that application. Fasteners requiring replacement or fasteners requiring the use of thread locking compound or sealant are identified in the service procedure. Do not use paints, lubricants, or corrosion inhibitors on fasteners or fastener joint surfaces unless specified. These coatings affect fastener torque and joint clamping force and may damage the fastener. Use the correct tightening sequence and specifications when installing fasteners in order to avoid damage to parts and systems.

  5. Install the trim panel retaining screws.
  6. Tighten
    Tighten the trim panel retaining screws to 2 N·m (18 lb in).

  7. Install the windshield pillar garnish moldings. Refer to Windshield Pillar Garnish Molding Replacement in Interior Trim.

  8. Object Number: 348728  Size: SH
  9. Align the assist handle with the holes in the IP assembly. Push the handle in order to engage the retaining tabs.
  10. Install the right side air outlets.

  11. Object Number: 348724  Size: SH
  12. Install the end panels. The left panel is shown, and the right panel is similar.
  13. Install the IP cluster trim plate bezel. Refer to Instrument Panel Cluster Trim Plate Bezel Replacement .
  14. Tilt the steering wheel to the normal driving position.
  15. If the transmission is automatic, move the shift lever to the park position.
  16. Disengage the parking brake.