GM Service Manual Online
For 1990-2009 cars only
Figure 1:

G100, G101, G105, G106


Object Number: 1238184  Size: FS
Master Electrical Component List
S100 - Export
Battery Negative w/9L4
S100 - Export
S101 - Export
Figure 2:

S100 - Export


Object Number: 1238193  Size: FS
Master Electrical Component List
S101 - Export
G100, G101, G105, G106
G100, G101, G105, G106
Figure 3:

S101 - Export


Object Number: 1238195  Size: FS
Master Electrical Component List
Battery Negative w/9L4
S100 - Export
G100, G101, G105, G106
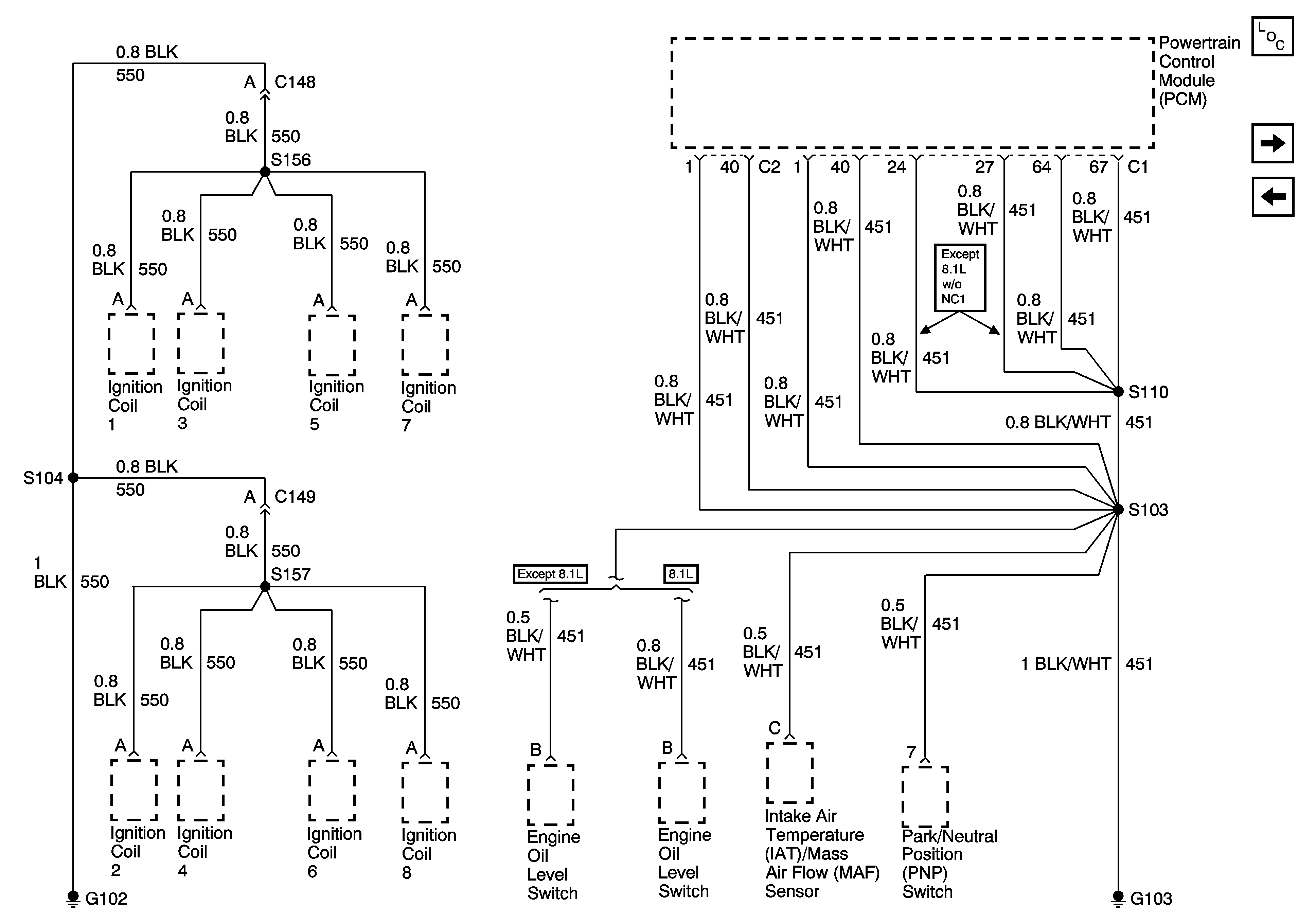
Figure 4:

G102, G103


Object Number: 1238197  Size: FS
Master Electrical Component List
G104, G107
Battery Negative w/9L4
Figure 5:

G104, G107


Object Number: 1238199  Size: FS
Master Electrical Component List
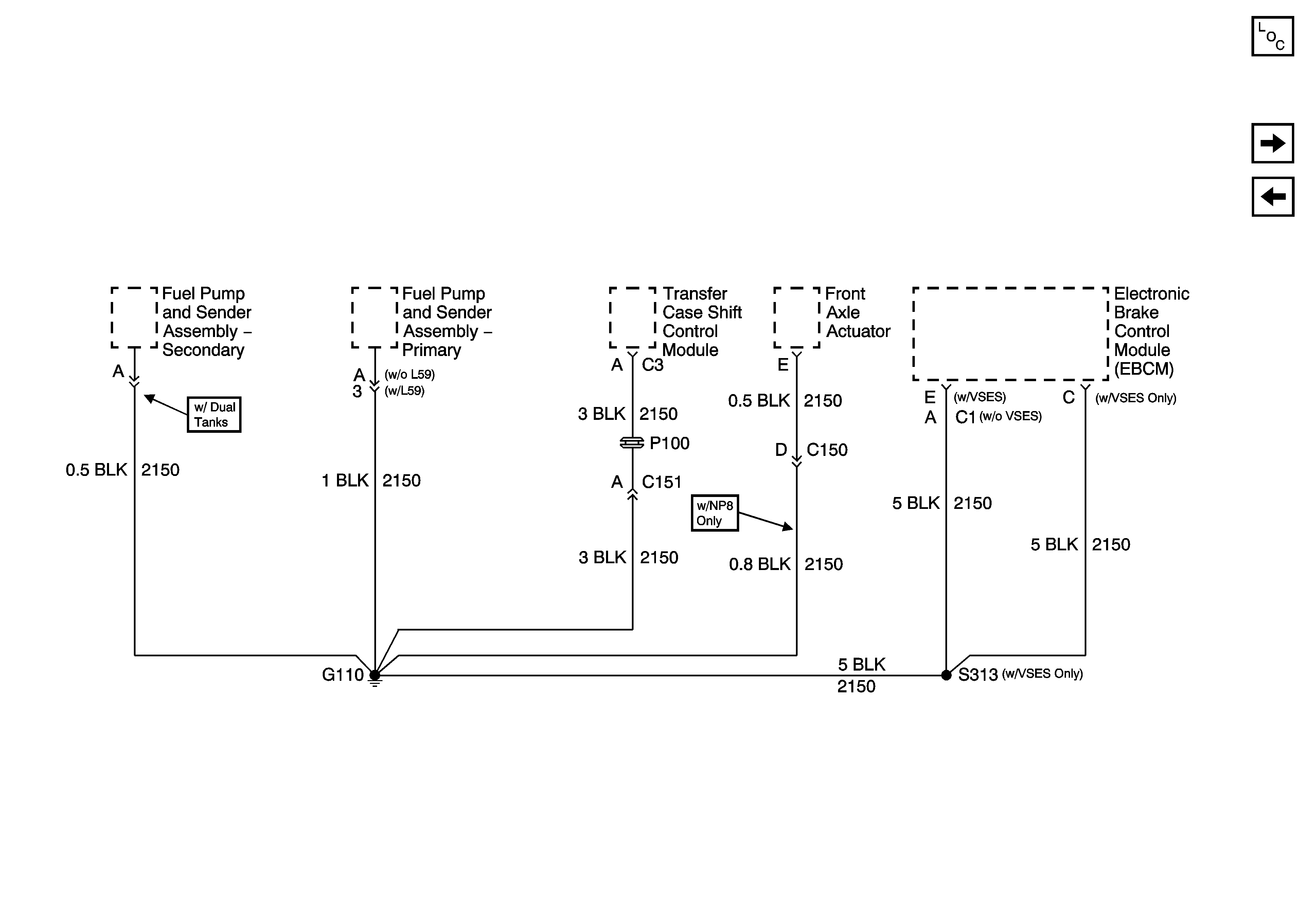
G110
G102, G103
Figure 6:

G110


Object Number: 1238201  Size: FS
Master Electrical Component List
G200 - 1 of 3
G104, G107
Figure 7:

G200 - 1 of 3


Object Number: 1238202  Size: FS
Master Electrical Component List
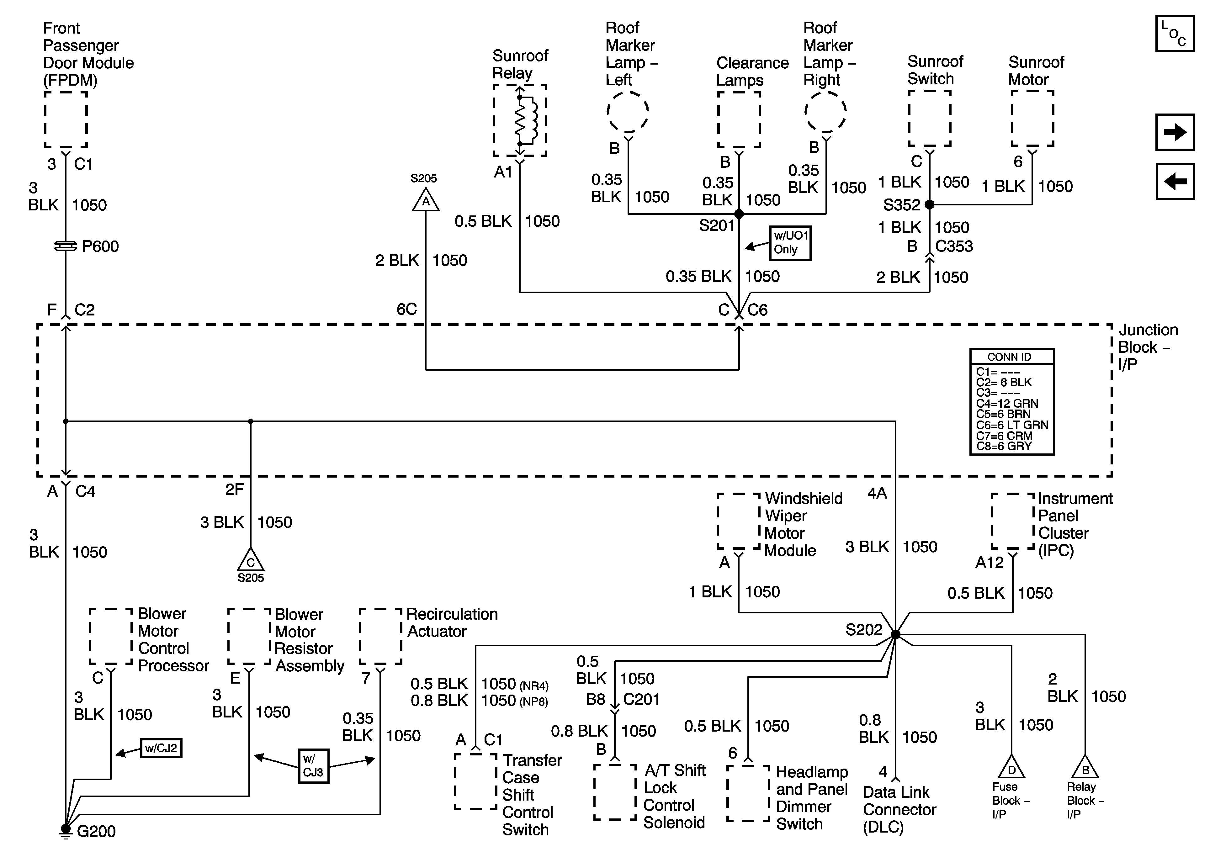
G200 - 2 of 3
G110
G200 - 2 of 3
G200 - 2 of 3
G200 - 3 of 3
G200 - 3 of 3
Figure 8:

G200 - 2 of 3


Object Number: 1238203  Size: FS
Master Electrical Component List
G200 - 3 of 3
G200 - 1 of 3
G200 - 1 of 3
G200 - 1 of 3
Figure 9:

G200 - 3 of 3


Object Number: 1238206  Size: FS
Master Electrical Component List
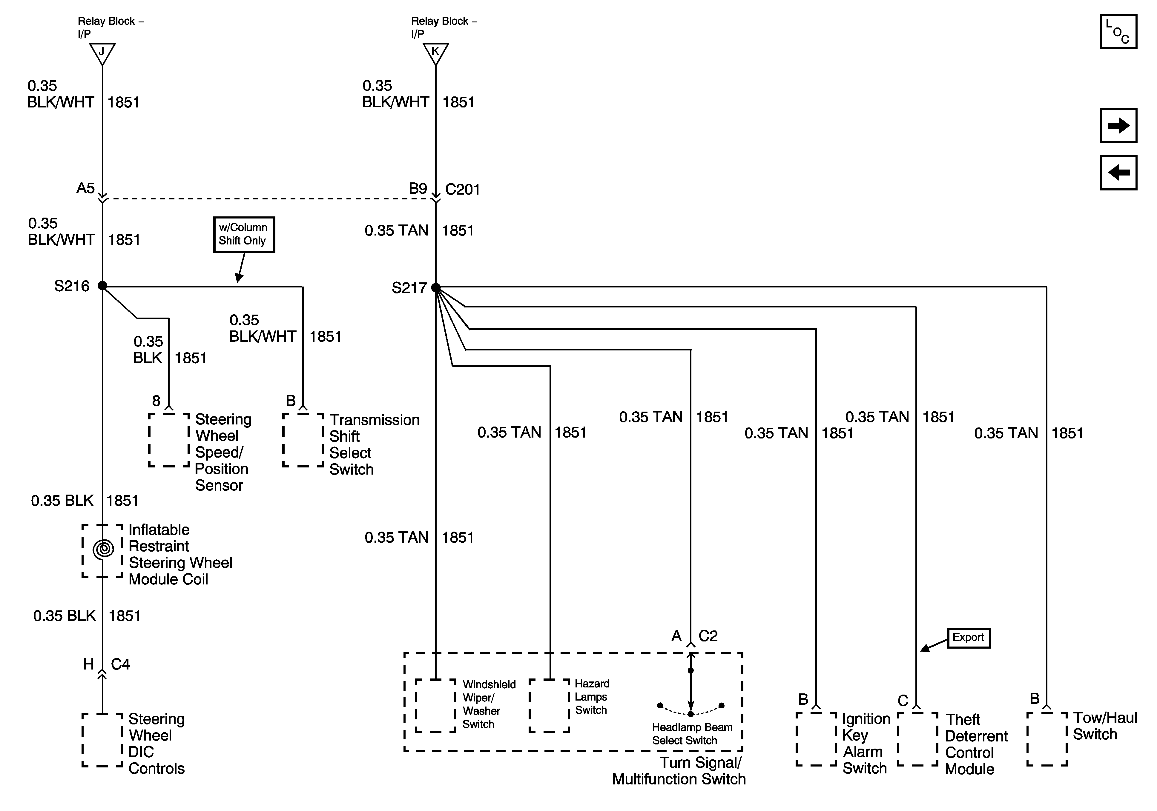
G203 - 1 of 3
G200 - 2 of 3
G200 - 1 of 3
G200 - 1 of 3
Figure 10:

G203 - 1 of 3


Object Number: 1238214  Size: FS
Master Electrical Component List
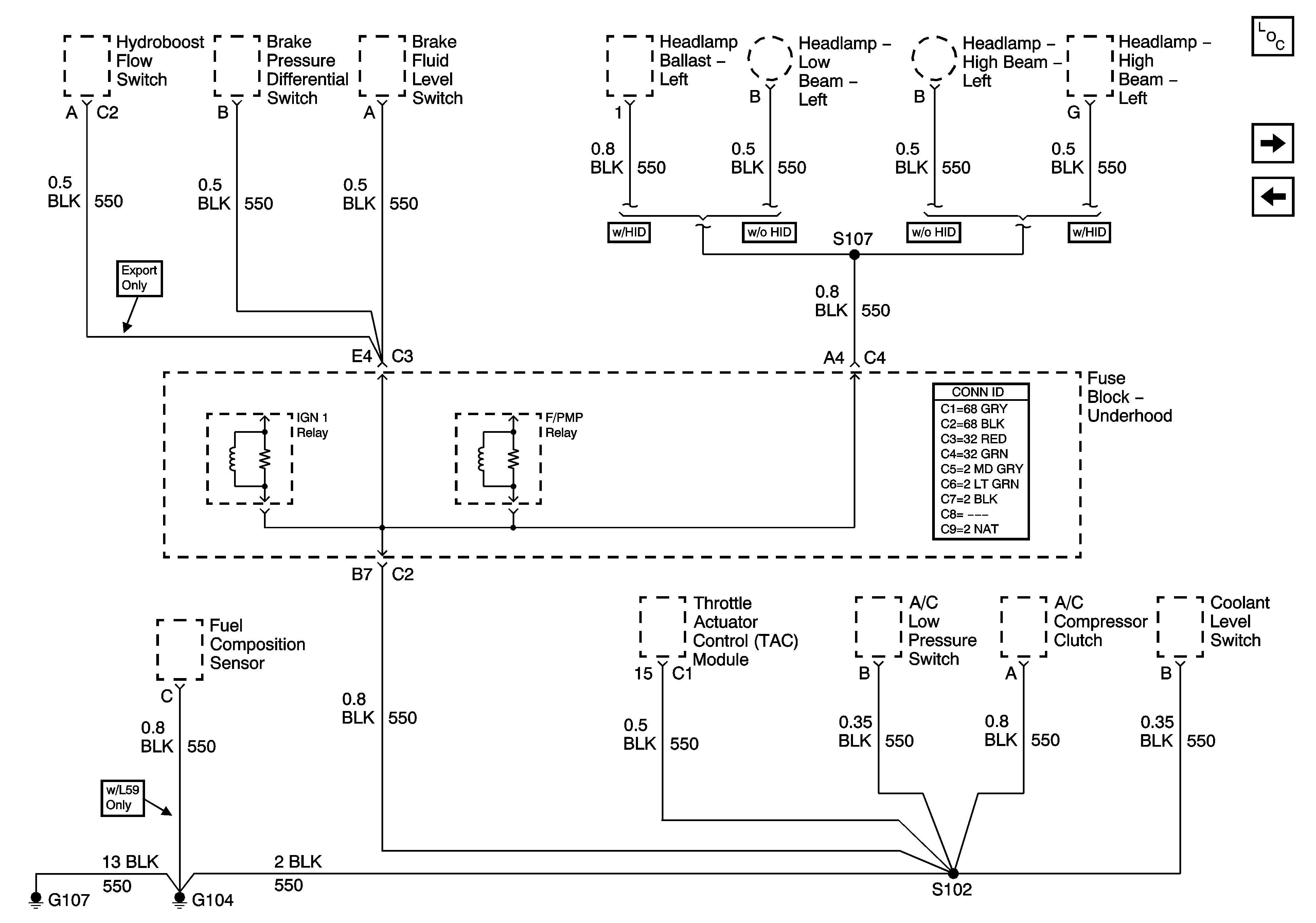
G203 - 2 of 3
G200 - 3 of 3
G203 - 2 of 3
Figure 11:

G203 - 2 of 3


Object Number: 1238216  Size: FS
Master Electrical Component List
G203 - 3 of 3
G203 - 1 of 3
G203 - 1 of 3
G203 - 3 of 3
G203 - 3 of 3
Figure 12:

G203 - 3 of 3


Object Number: 1238218  Size: FS
Master Electrical Component List
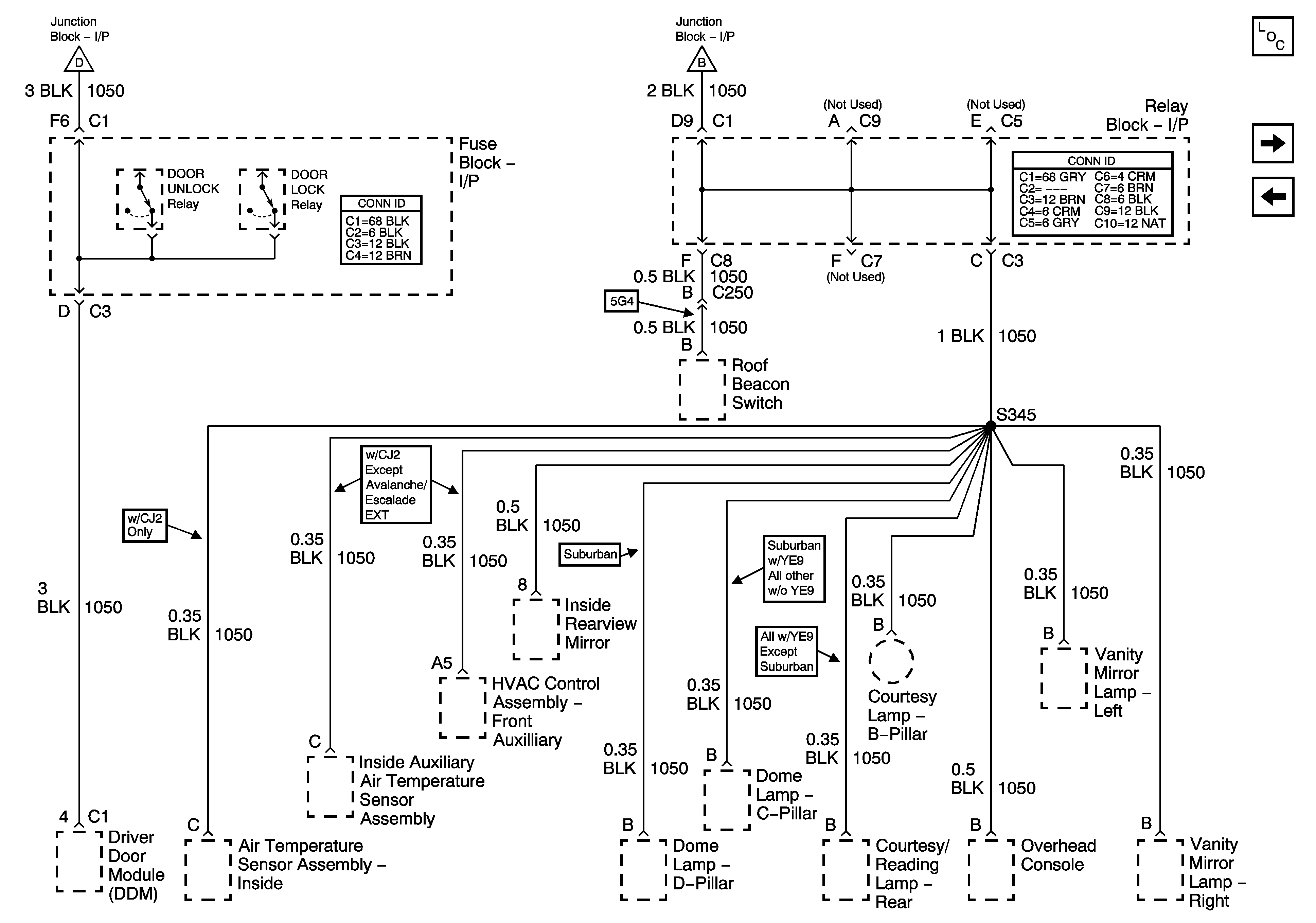
G304, G305
G203 - 2 of 3
G203 - 2 of 3
G203 - 2 of 3
Figure 13:

G304, G305


Object Number: 1238221  Size: FS
Master Electrical Component List
G306
G203 - 3 of 3
Figure 14:

G306


Object Number: 1238225  Size: FS
Master Electrical Component List
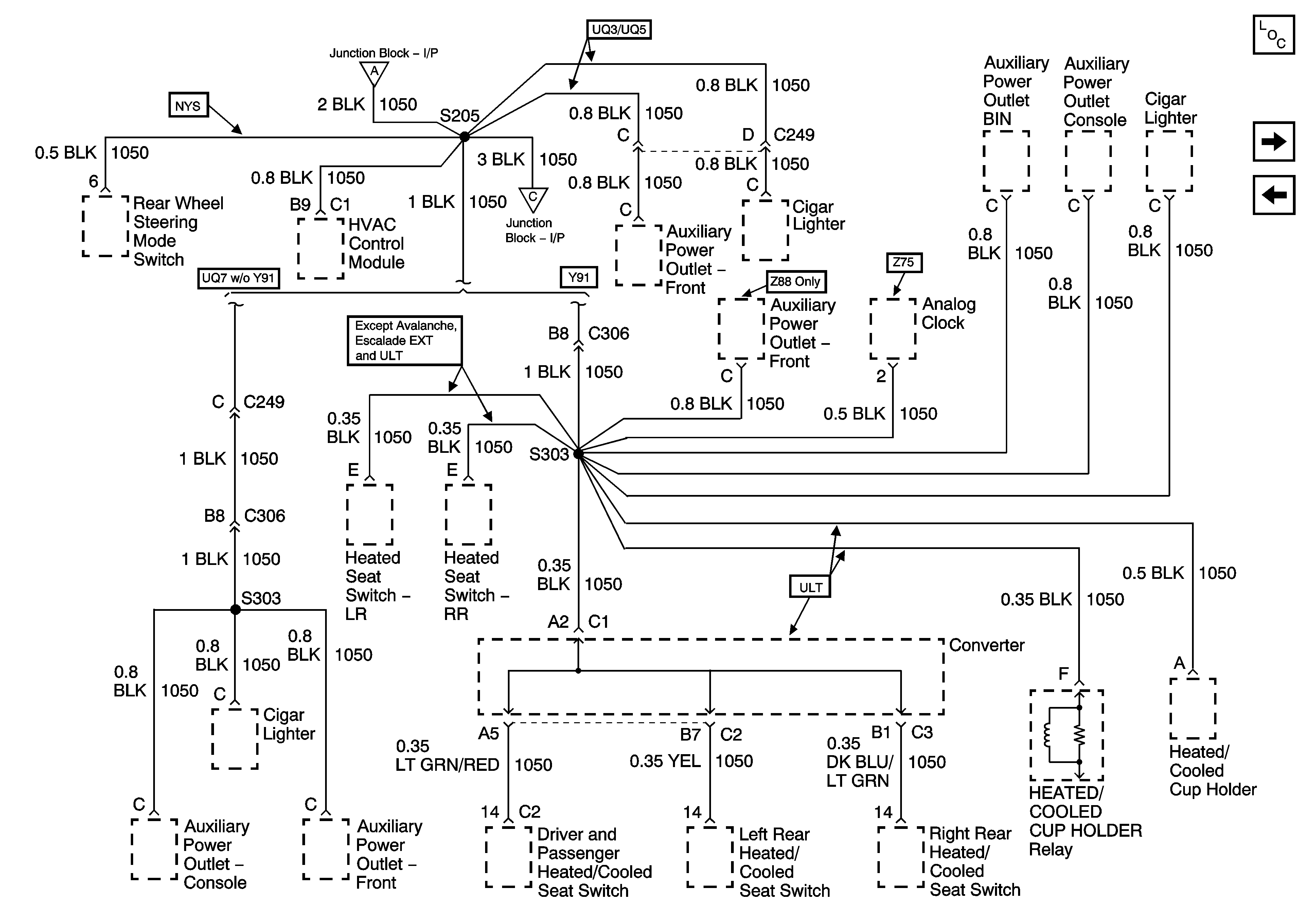
G401, G402
G304, G305
Figure 15:

G401, G402


Object Number: 1238226  Size: FS
Master Electrical Component List
G410 - 1 of 3
G306
Figure 16:

G410 - 1 of 3


Object Number: 1238229  Size: FS
Master Electrical Component List
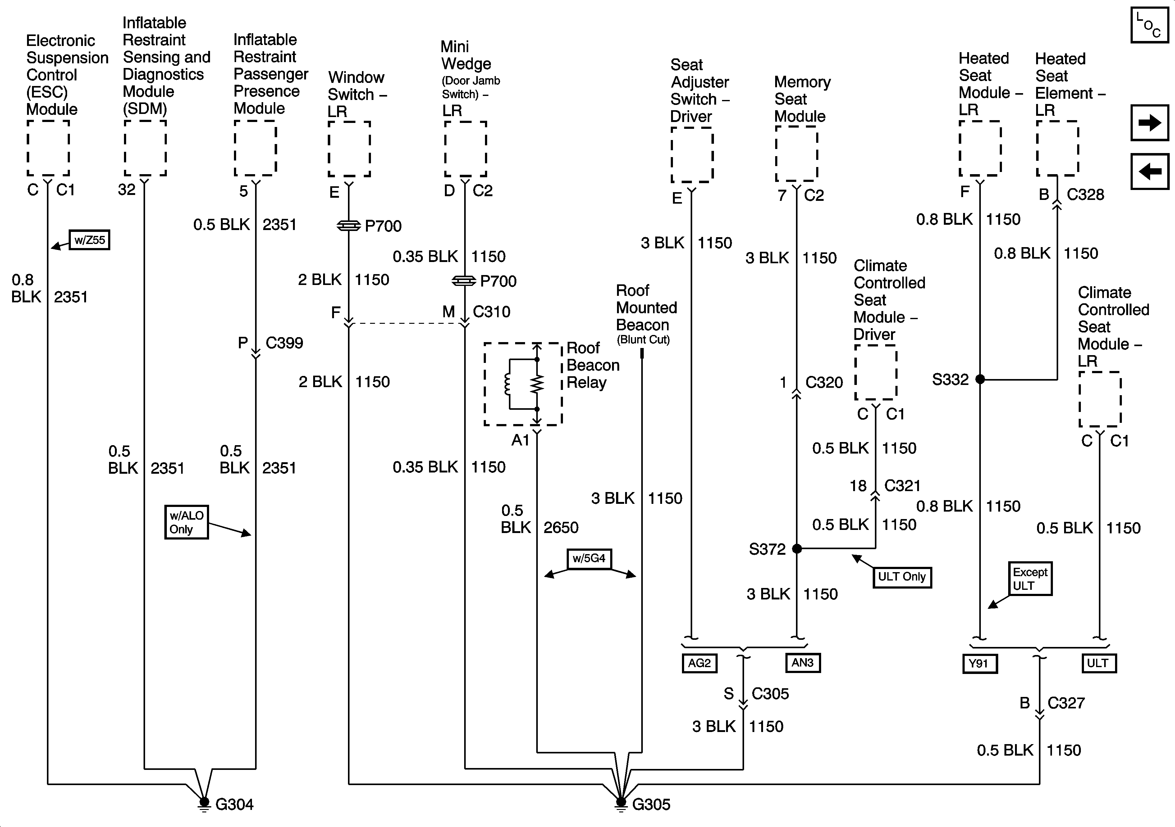
G410 - 2 of 3
G401, G402
G410 - 3 of 3
G410 - 3 of 3
G410 - 2 of 3
G410 - 2 of 3
Figure 17:

G410 - 2 of 3


Object Number: 1238232  Size: FS
Master Electrical Component List
G410 - 3 of 3
G410 - 1 of 3
G410 - 1 of 3
G410 - 1 of 3
Figure 18:

G410 - 3 of 3


Object Number: 1238233  Size: FS
Master Electrical Component List
G410 - 2 of 3
G410 - 1 of 3
G410 - 1 of 3