GM Service Manual Online
For 1990-2009 cars only
Makes
🢒
Cadillac
🢒
2004
🢒
Escalade EXT
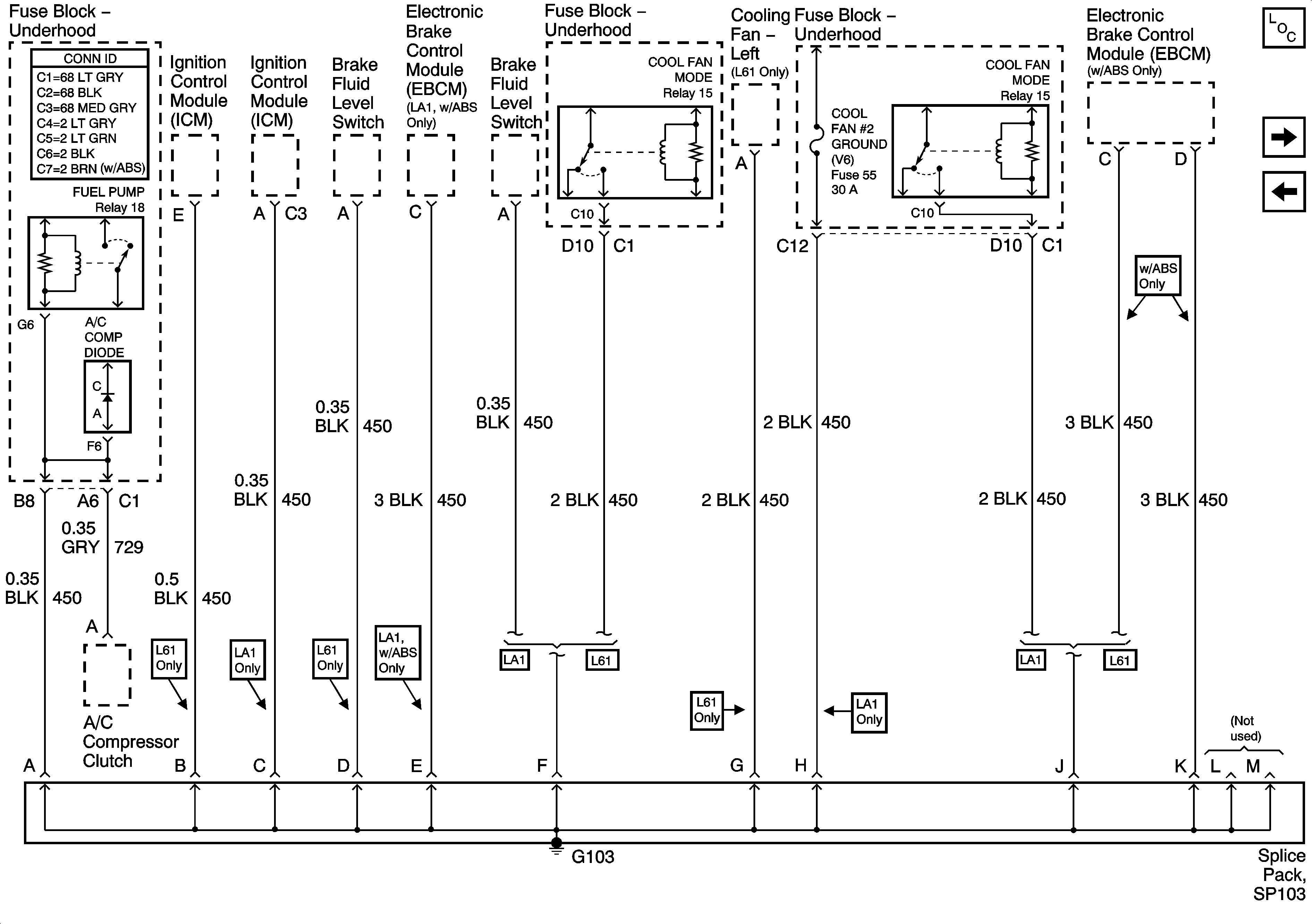
🢒 G103 and G105
G103 and G105
G103 and G105
Master Electrical Component List
G106 - Export Only
G102 and G104