GM Service Manual Online
For 1990-2009 cars only
Makes
🢒
Cadillac
🢒
2004
🢒
Escalade EXT
🢒 Manual Transmission Schematics
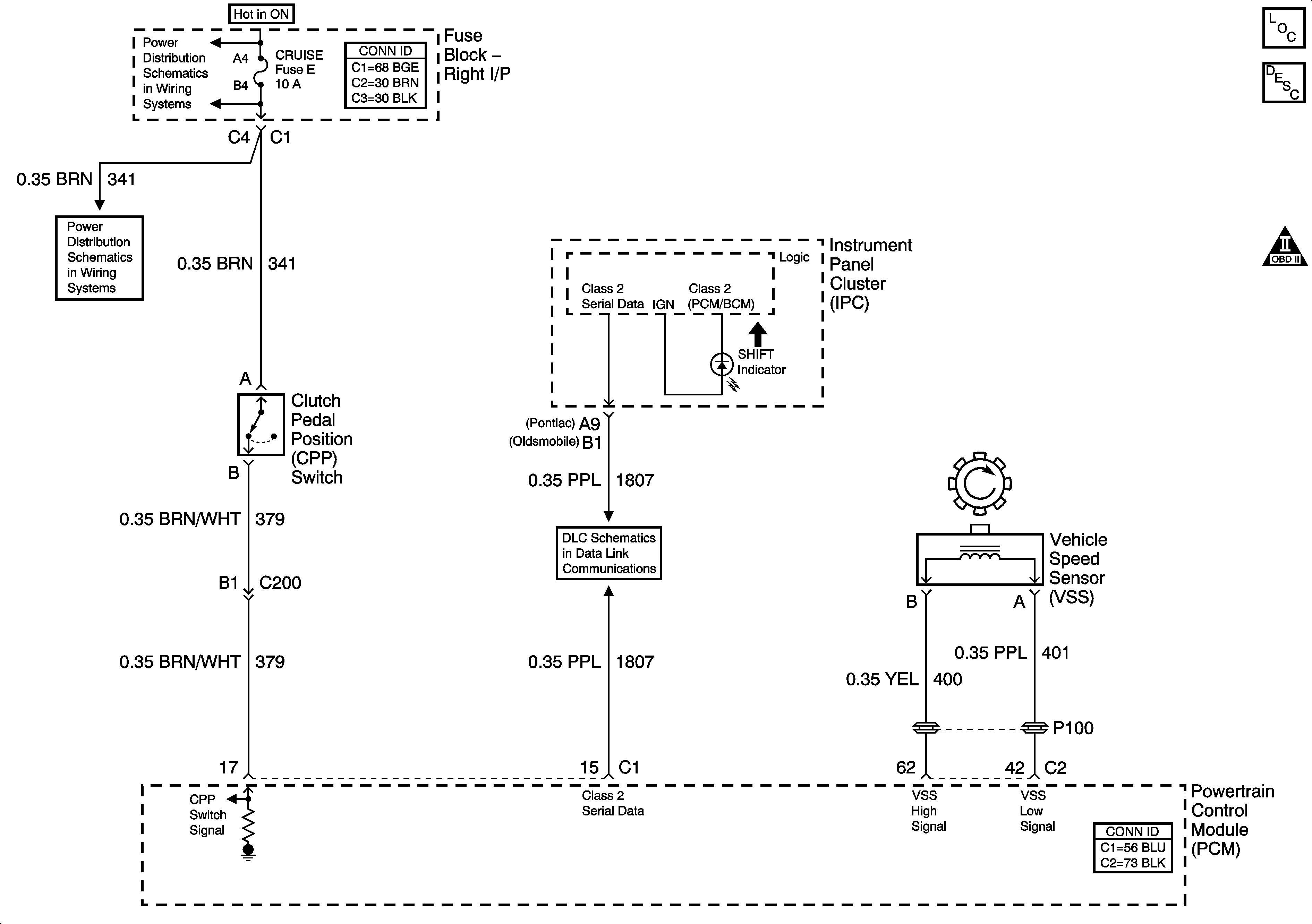
Manual Transmission Schematics
Master Electrical Component List
Transmission System Description and Operation
OBD II Symbol Description Notice
PWR WNDW, Circuit Breaker, CRUISE SW, CRUISE, SUNROOF, HVAC BLOWER Fuses
PWR WNDW, Circuit Breaker, CRUISE SW, CRUISE, SUNROOF, HVAC BLOWER Fuses
Data Link Connector (DLC) Schematics